
Vishay R3T2FPHM3汽车混合整流器和电视是汽车应用的前沿解决方案。该设备将整流器和TRANSZORB 电视组合在一个紧凑的包中。氧化物平面芯片结确保了高性能和可靠性,符合MSL 1级,符合J-STD-020标准,最大峰值260°C。该设备通过AEC-Q101认证,适用于广泛的汽车应用。
整流器和TRANSZORB电视的汽车混合动力解决方案
氧化物平面晶片结
符合MSL 1级,根据J-STD-020, LF最大峰值260°C
AEC-Q101合格可用
材料分类,法规遵循的定义
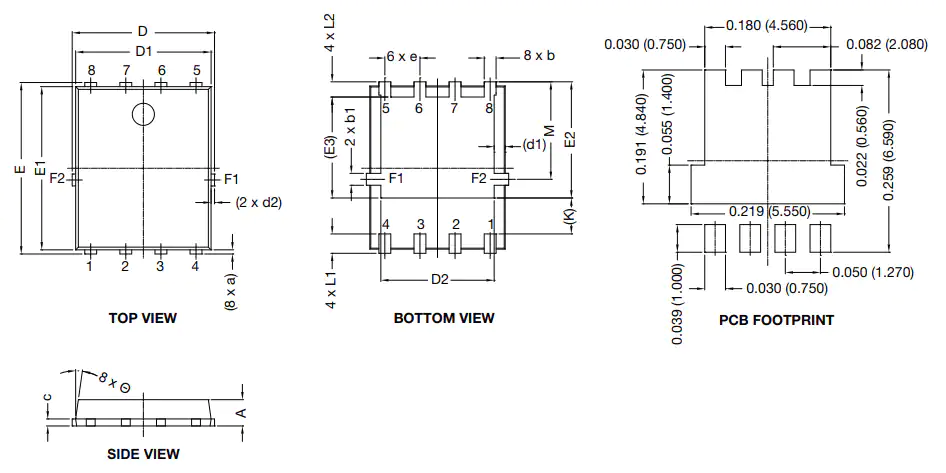
平装5x6包装
共阴极电路配置
-55°至+175°C工作结温度范围
标准整流器
我3 (F (AV))
V (RRM) 600 V
我40 (FSM)
V(F)在I(F) = 3A (T(J) = 125°C) 0.86V
瞬态电压抑制器
V (BR) 27 V
V (WM) 23.1 V
P (PPM) 200 w
传感器单元的二级保护
分布式安全气囊模块
功率分配器下的低功率DC/DC转换器
