L7805CV是一款三端正电压调节器,具有几个固定的输出电压,使其适用于多种应用。这些调节器可以提供本地卡上调节,从而消除了与单点调节相关的配电问题。每种类型都内置内部限流,热关断和安全区域保护,使其基本坚不可摧。如果提供足够的散热,它们可以提供超过1A的输出电流。尽管这些设备主要设计为固定稳压器,但可以与外部组件一起使用以获得可调的电压和电流。

L7805CV
产品型号 | L7805CV |
| 描述 | IC REG LINEAR 5V 1.5A TO220AB |
| 分类 | 集成电路(IC),PMIC-稳压器-线性 |
| 制造商 | 意法半导体 |
| 打包 | 管 |
| 零件状态 | 活性 |
| 输出配置 | 正 |
| 输出类型 | 固定 |
| 调压器数量 | 1个 |
| PSRR | 62dB(120Hz) |
| 控制功能 | -- |
| 保护功能 | 过热,短路 |
| 安装类型 | 通孔 |
| 基本零件号 | L7805 |
| 符合欧盟RoHS | 是 |
| 状态 | 活性 |
| 调节器类型 | 固定正单输出标准稳压器 |
| 可调性 | 固定 |
| 压差1-Nom | 2.0伏 |
| 输入电压绝对最大值 | 35.0伏 |
| 最小输入电压 | 7.0伏 |
| 最大输入电压 | 18.0伏 |
| JESD-30代码 | R-PSFM-T3 |
| JESD-609代码 | e3 |
| 线路调整率最大值 | 0.1伏 |
| 最大负载调节 | 0.1伏 |
| 功能数量 | 1个 |
| 端子数 | 3 |
| 工作温度,TJ-最小值 | 0℃ |
| 工作温度,TJ-最大值 | 125℃ |
| 输出电流1-最大 | 1.0安 |
| 输出电压1-标称 | 5.0伏 |
| 输出电压1分钟 | 4.75伏 |
| 输出电压1-最大 | 5.25伏 |
| 包装主体材料 | 塑料/环氧树脂 |
| 包装代码 | TO-220 |
| 包装等效代码 | SIP3.1TB |
| 包装形状 | RECTANGULAR |
| 包装形式 | FLANGE MOUNT |
| 包装方式 | 管 |
| 制造商包装说明 | TO-220,3针 |
| 资格状态 | 不合格 |
| 技术 | 双极 |
| 终端完成 | 亚光锡(Sn)-退火 |
| 终端表格 | 贯穿孔 |
| 终端位置 | 单 |
| 最大耐压 | 4.0% |
| 无铅状态/ RoHS状态 | 无铅/符合ROHS3 |
| 水分敏感性水平(MSL) | 1(无限制) |
输出电流可达1.5A
不需外接补偿元件
内含限流保护电流,防止负载短路烧毁元件
内含高温过热保护电路,防止结温过热烧毁器件
内含功耗限制电路,防止烧毁输出驱动器晶体管
能源管理
引脚号 | 引脚名称 | 描述 |
| 1 | TNPUT | 输入 |
| 2 | GND | 地 |
| 3 | OUTPUT | 输出 |

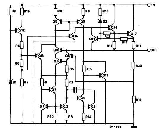
L7805CV符号

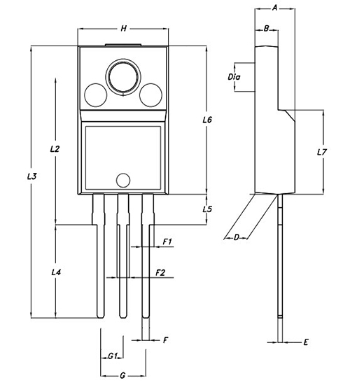
L7805CV脚印

L7805CV封装图
78L05,78M05,LT7805等等
意法半导体(ST)集团于1987年成立,是由意大利的SGS微电子公司和法国Thomson半导体公司合并而成。1998年5月,SGS-THOMSON Microelectronics将公司名称改为意法半导体有限公司。意法半导体是世界最大的半导体公司之一,2006年全年收入98.5亿美元,2007年前半年公司收入46.9亿美元。