Texas Instruments(德州仪器) 芯片规格书大全

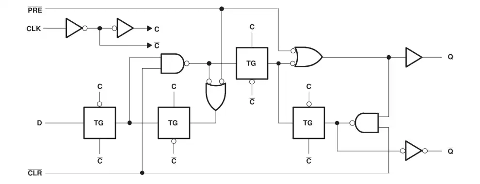
德州仪器SNx4LVC74A/SNx4LVC74A- q1触发器在一个方便的器件中集成了两个正极触发d型触发器。SN54LVC74A设计用于2.7V至3.6V V(CC)工作,SN74LVC74A设计用于1.65V至3.6V V(CC)工作。TI SNx4LVC74A-Q1符合AEC-Q100汽车应用标准。SNx4LVC74A-EP器件具有金键合线,温度范围为-55至+105℃,并采用SnPb引线处理。
适用于汽车应用(SNx4LVC74A-Q1)
根据MIL-STD-883,方法3015,ESD保护超过2000V
输入接受电压为5.5V
3.3V时最大t(pd)为5.2ns
在V(CC) = 3.3V, T(A) = 25℃时,典型V(OLP)(输出地反弹)小于0.8V
工作电压从2V到3.6V
在V(CC) = 3.3V, T(A) = 25℃时,典型V(OHV)(输出V(OH)欠冲)大于2V
每个JESD 17的锁存性能超过250mA
ESD保护超过JESD 22
2000V人体模型(A114-A)
1000V充电器件型号(C101)
服务器
医疗、保健和健身
电信基础设施
电视、机顶盒和音频
测试与测量
工业运输
无线基础设施
企业转换
马达驱动器
工厂自动化与控制
