TBMA600 点击型号查看芯片规格书

单片电源系统(MPS) TBMA600测试板是基于MA600系列TMR磁位置传感器。TBMA600测试板兼容EVKT-MagAlpha-MagDiff通信套件(硬件)和MagAlpha评估应用程序(软件)。
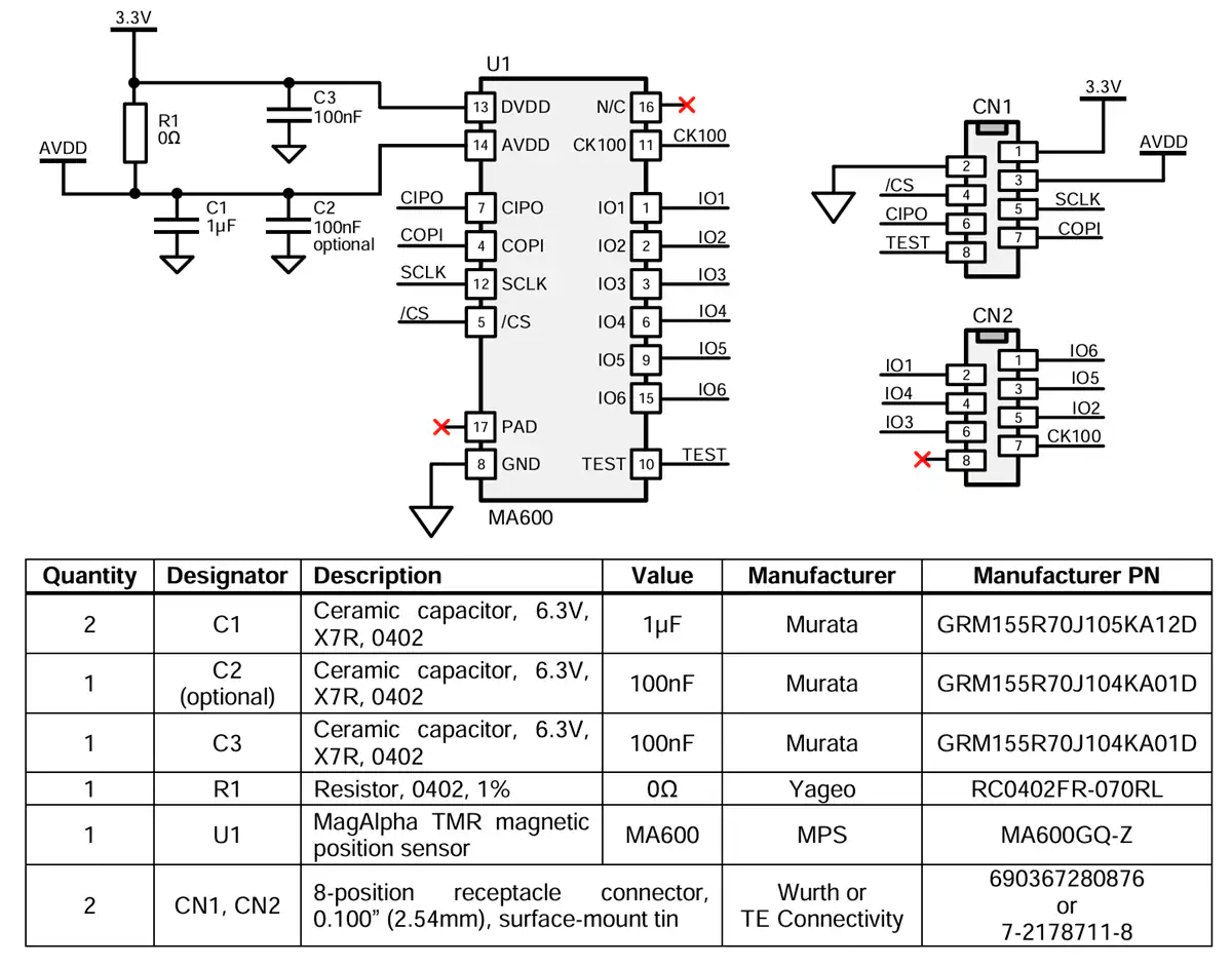
MPS TBMA600测试板提供MA600的无缝连接和操作,并允许用户使用个人设置进行评估。TBMA600测试板包括带有传感器、去耦电容、电阻和连接器的组装板。
评估板支持侧轴和轴端安装
兼容与EVKT-MagAlpha-MagDiff(硬件)一起使用的MagAlpha评估应用程序(软件)
伺服驱动器
机器人
汽车
无刷直流电机换向
编码器


