当涉及到从几赫兹到几兆赫兹的快速数字化信号时,连续逼近寄存器(SAR) adc是广泛应用的最佳选择。它们的快速响应和低延迟使SAR adc成为单通道或多通道数据采集的理想选择。
随着越来越多的设计转向更低的电源电压和更严格的功率预算,低功耗SAR adc至关重要。对于需要单个输入快照的设计人员来说,解决方案尺寸也是一个关键要求,因为许多低功耗SAR adc用于PCB空间有限的便携式或多通道系统。随着设计师试图用更少的空间做更多的事情,一个小的包装变得至关重要。
随着封装尺寸的缩小,用串行接口代替并行接口以减少数据线的数量是有意义的,这反过来又减少了SAR ADC和微处理器的尺寸。串行接口还减少了与跨板路由许多并行数据线相关的头痛问题。Linear Technology提供多个系列的快速SAR adc,结合了速度、低功耗、小封装尺寸和简单串行接口。
6通道同步采样adc
电机控制是受益于同步采样SAR adc的众多应用之一。在电机控制电路中,必须保持测量通道的相位关系,因此需要具有多个采样保持放大器(S/HA)的adc同时采样。数据可以存储在内部,以顺序读出,与输入的相位关系完整。如果没有同步采样,控制算法可能会错误地调整电机的转矩或速度控制,从而导致电机振动和额外磨损。Linear Technology拥有越来越多的低功耗同步采样adc系列,用于电机控制,伺服和通用交流电源监控。
Linear Technology提供四个低功耗,6通道同步采样adc,优化了两种快速采样率(每通道250ksps和100ksps)以及两种不同的分辨率(14位和12位)。所有这些都是引脚和软件兼容,使其易于优化设计的分辨率,速度和成本。通过使用5mm × 5mm 32引脚QFN封装,这些adc的解决方案尺寸比同类性能的adc小六倍。单个3V电源为数字电路和数字电路供电,从而降低功耗,消除了对更高电压电源的需求。
低功耗adc优化250ksps-750ksps
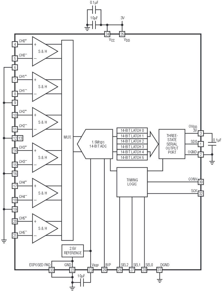
14位LTC2351-14是一款1.5Msps低功耗SAR ADC,具有6个同步采样差分输入通道。它由一个3V电源供电,具有六个独立的采样保持放大器和一个ADC。具有多个S/HA的单个ADC可在通道之间实现出色的范围匹配(1mV)和通道间倾斜(200ps)。六个通道可以监控两个独立的电机,提供有关电机扭矩,速度,轴位置和方向的重要信息。

图1。LTC2351-14包括6个采样保持放大器。
多功能LTC2351-14还适用于其他工业监控应用,如三相电压监控以确保线路电压合规性,电流和电压的三相电源监控,功率因数校正和数据采集。这些应用可能需要便携性,而LTC2351-14的低功耗和小尺寸是最可取的。功耗仅为16.5mW,延长了电池寿命。3线串行接口意味着比传统的并联输出器件更少的引脚,允许LTC2351-14适合32引脚,5mm × 5mm QFN封装。
当LTC2351-14不进行转换时,ADC提供两种省电模式。在nap模式下,功耗可以降低到4.5mW,内部2.5V基准保持有效。休眠模式进一步降低功耗至12μW,所有内部电路关闭,进一步延长电池寿命。从睡眠模式唤醒后,内部参考在2ms内稳定下来,然后在一个时钟周期内恢复转换。
三个输入选择行配置转换的差分输入的数量。因此,随着转换通道数量的减少,从6个250ksps的差分输入,两个750ksps的差分输入,到一个1.5Msps的差分输入,更高的速度是可能的。双极/单极输入线可选择±1.25V双极或0V至2.5V单极输入范围。100kHz的输入信号产生75dB的SINAD和-90dB的THD。LTC2351-14的真差分输入和83dB共模抑制使其成为减少恶劣工业环境中普遍存在的共模噪声的理想选择。对于低分辨率应用和性能成本优化,Linear Technology提供引脚和软件兼容的12位LTC2351-12 ADC。LTC2351-12还可以同时采样多达6个差分通道,功耗仅为16.5mW, SINAD为72dB。
一些同时采样adc能够测量六个通道,但只使用两个S/HA,两个adc和两个3对1多路复用器。在这些相互竞争的adc中,只有两个通道同时采样。多个ADC可能意味着封装内的一个ADC与另一个ADC不匹配。INL可能在最大额定值内,但在一个ADC上是一个极性,而在另一个ADC上是相反极性。通过集成6个S/HA和一个ADC, LTC2351-14不会遭受与多个ADC相关的异常,非常适合需要同时采样两个以上通道的应用。
具有改进交流性能的低采样率adc
Linear Technology还提供了第二对6通道同步采样adc,针对较慢的采样速率进行了优化。14位LTC1408和12位LTC1408-12的输出速率最高可达100ksps/通道,适用于所有6个通道,两个通道可达300ksps,一个通道可达600ksps。LTC1408具有改进的交流性能(300kHz时79dB SINAD,带外部参考)。与LTC2351系列一样,这两款LTC1408 adc都是低功耗(15mW),采用小型5mm × 5mm 32引脚QFN封装,包括6个采样保持放大器。这些同步采样adc的完整列表见表1。
| 零件号 | Resolu, | 频道数 | 每通道采样率 | 权力 | 包 | 输入电压范围 |
| LTC2351-14 | 14-Bit | 6 | 250年过度增殖 | 16.5兆瓦 | QFN-32 (5mm × 5mm) | ±1.25V, 0V至2.5V |
| LTC1408 | 14-Bit | 6 | 100年过度增殖 | 15兆瓦 | QFN-32 (5mm × 5mm) | ±1.25V, 0V至2.5V |
| LTC1407A | 14-Bit | 2 | 1.5议员 | 14兆瓦 | MSOP-10 | 0V至2.5V |
| LTC1407A-1 | 14-Bit | 2 | 1.5议员 | 14兆瓦 | MSOP-10 | ±1.25 v |
| LTC2351-12 | 12位 | 6 | 250年过度增殖 | 16.5兆瓦 | QFN-32 (5mm × 5mm) | ±1.25V, 0V至2.5V |
| LTC1408-12 | 12位 | 6 | 100年过度增殖 | 15兆瓦 | QFN-32 (5mm × 5mm) | ±1.25V, 0V至2.5V |
| LTC1407 | 12位 | 2 | 1.5议员 | 14兆瓦 | MSOP-10 | 0V至2.5V |
| LTC1407-1 | 12位 | 2 | 1.5议员 | 14兆瓦 | MSOP-10 | ±1.25 v |
LTC1408和LTC2351-14 6通道SAR adc是监测三相电压和电流的理想器件,如图2所示。外部衰减网络将电压降低到在所选的双极/单极输入范围内。当三个输入测量电压时,其他三个通道使用信号调理和滤波来转换电流。6个S/HA保持电压和电流之间的相位关系完整,数据可以通过串行接口读出。这些adc还包括一个数字输出电源电压,可以在电源电压至1.8V之间设置,从而可以与1.8V, 2.5V或3V数字逻辑接口。

图2 LTC1408是三相电源监测的理想选择。
2通道同步采样adc
对于编码器和通信等需要仅在两个通道上以大于1Msps的速率同时采样的应用,快速SAR adc再次工作得非常好。Linear Technology提供14位和12位,2通道,同步采样SAR adc的引脚和软件兼容系列。
与6通道同步采样adc一样,14位2通道LTC1407A-1也针对低功耗和小封装尺寸进行了优化,进一步延长了电池寿命并减小了总解决方案面积。LTC1407A-1采用10引脚MSOP封装,功耗仅为14mW。这个小型ADC同时测量两个±1.25V双极通道,每个通道1.5Msps或单个通道3Msps。没有类似尺寸的竞争adc可以满足LTC1407A-1的速度和输入频率范围。
引脚和软件兼容的LTC1407A是一个0V至2.5V单极14位ADC。单极和双极LTC1407 adc在测量差分交流输入时都表现良好,是通信应用的理想选择。LTC1407A-1和LTC1407A在750kHz输入频率和外部3.3V基准下实现76.3dB SINAD和-86dB THD。在相同输入频率下,SFDR为86dB,互调失真为-82dB。
对于分辨率要求较低的应用,可提供12位LTC1407-1(双极)和12位LTC1407(单极)adc。所有四个LTC1407 adc都包括2.5V内部参考,午睡(3.3mW)和睡眠(6μW)断电模式。表1详细介绍了6通道和2通道同步采样adc系列。
数据采集系统
SAR adc在数据采集应用中也表现出色,因为它能够在很少或没有数据延迟的情况下复用多个通道。数据采集需要能够监控工业环境中的各种信号,通常包括温度,压力,电压或负载电流。例如,工业控制设计可以使用热电偶来监测温度变化,压力传感器来测量物理变化,或化学传感器来检测各种环境设置。数据采集可能意味着监控单个或数百个通道。
图3显示了一个多通道数据采集系统的信号链示例。经过一系列多路复用器和信号调理电路后,这些信号可以通过快速单通道SAR ADC(如LTC2355-14)进行数字化。使用快速SAR ADC,使用高增益带宽的多路复用器和放大器来切换各种数据输入。LTC1391是一个8对1多路复用器,用于切换系统前端的各种信号。LT6241是一款精密放大器,具有低噪声(550nV(P-P)), 1pA偏置电流,17MHz单位增益带宽,并提供与ADC的低阻抗连接。

图3 工业控制数据采集系统用单个ADC测量多个信号。
高速单通道SAR adc
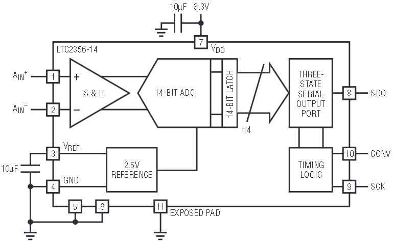
随着同步采样adc系列的不断发展,Linear Technology也在增加其引脚和软件兼容的高速单通道SAR adc系列。14位,3.5Msps LTC2356-14测量单个差分输入,并通过spi兼容的串行接口进行通信。该SAR ADC采用3.3V单电源供电,最大转换率仅为18mW,采用10引脚MSOP封装。高速、低功耗和小封装的结合使LTC2356-14成为高速、便携式应用的理想选择,包括数据采集、通信和医疗仪器。

图4 LTC2356-14单通道ADC是快速、低功耗应用的理想选择。
LTC2356-14在1.4MHz输入频率下实现72.3dB SINAD和-82dB SFDR。在差分测量±1.25V双极输入时,LTC2356-14的80dB共模抑制比允许用户消除接地回路和共模噪声。当ADC不转换时,在休眠模式下,当内部2.5V基准电源保持有效时,功耗可降至4mW,而在休眠模式下,当所有电路断电时,功耗可降至13μW。
对于需要单极测量的应用,LTC2355-14测量0V至2.5V输入信号,但在其他方面与LTC2356-14相同。对于低分辨率应用,LTC2356-12和LTC2355-12是LTC2356-14和LTC2355-14引脚和软件兼容的12位版本。
LTC2355-14/LTC2356-14/LTC2355-12/LTC2356-12 ADC与LTC1403 2.8Msps ADC系列引脚和软件兼容,允许用户轻松升级其设计,以提高25%的采样率。表2详细介绍了这些快速单通道单极和双极adc。
| 零件号 | Resolu, | 采样率 | 包 | 权力 | 输入电压范围 | I / O |
| LTC2355-14 | 14-Bit | 3.5议员 | MSOP-10 | 18千瓦 | 0V至2.5V | 串行 |
| LTC2356-14 | 14-Bit | 3.5议员 | MSOP-10 | 18千瓦 | ±1.25 v | 串行 |
| LTC1403A | 14-Bit | 2.8议员 | MSOP-10 | 14兆瓦 | 0V至2.5V | 串行 |
| LTC1403A-1 | 14-Bit | 2.8议员 | MSOP-10 | 14兆瓦 | ±1.25 v | 串行 |
| LTC2355-12 | 12位 | 3.5议员 | MSOP-10 | 18千瓦 | 0V至2.5V | 串行 |
| LTC2356-12 | 12位 | 3.5议员 | MSOP-10 | 18千瓦 | ±1.25 v | 串行 |
| LTC1403 | 12位 | 2.8议员 | MSOP-10 | 14兆瓦 | 0V至2.5V | 串行 |
| LTC1403-1 | 12位 | 2.8议员 | MSOP-10 | 14兆瓦 | ±1.25 v | 串行 |
总结
随着PCB空间越来越紧,设计师总是在寻找更低功耗的ic,快速数据采集可能是一个挑战。Linear Technology的同步采样adc和快速单通道adc系列使优化解决方案尺寸、功耗和成本成为可能。引脚和软件兼容的6通道、2通道和单通道adc系列提供从12位分辨率升级到14位分辨率的灵活性。无论您的电机控制,电源监控或数据采集系统需要什么,线性技术都有一个快速的SAR ADC来完成这项工作。