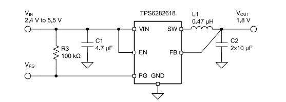
TPS62826ADMQR是一个易于使用的同步降压直流/直流转换器系列,具有仅4µA的超低静态电流。该产品基于DCS-Control拓扑,可提供快速瞬态响应。由于具有内部基准,该产品可在-40°C至125°C的结温范围内以1%的高反馈电压精度将输出电压调节到0.6V以下。该器件具有引脚对引脚和BOM对BOM兼容性。整个解决方案需要一个小型470nH电感器、一个4.7µF输入电容器和两个10µF或一个22µF的输出电容器。
| 制造商 | 德州仪器 |
| 制造商产品编号 | TPS62826ADMQR |
| 描述 | 2.4V 至 5.5V 输入,3A STEP-D |
| 详细描述 | 降压开关稳压器IC正可调式0.6V1输出3A6-VFDFN |
| 类别 | 集成电路(IC)PMIC-稳压器-DCDC开关稳压器 |
| 工作温度 | -40°C~125°C(TJ) |
| 安装类型 | 表面贴装型 |
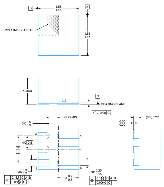
| 封装/外壳 | 6-VFDFN |
| 供应商器件封装 | 6-VSON-HR(1.5x1.5) |
| 基本产品编号 | TPS62826 |

TPS62826ADMQR
| 零件状态 | 在售 |
| 功能 | 降压 |
| 输出配置 | 正 |
| 输出类型 | 可调式 |
| 输出数 | 1 |
| 电压-输入(最小值) | 2.4V |
| 电压-输入(最大值) | 5.5V |
| 电压-输出(最小值/固定) | 0.6V |
| 电压-输出(最大值) | 4V |
| 电流-输出 | 3A |
| 频率-开关 | 2.2MHz |
| 同步整流器 | 是 |
| 引脚数 | 6 |
| 高度 | 1毫米 |
| 长度 | 1.5毫米 |
| 厚度 | 900微米 |
| 宽度 | 1.5毫米 |
| 属性 | 描述 |
| RoHS状态 | 符合ROHS3规范 |
| 湿气敏感性等级(MSL) | 1(无限) |
可作为集成电感器的电源模块:TPSM82821和TPSM82822
DCS-Control™拓扑
1%反馈或输出电压精度(整个温度范围)
效率高达97%
26mΩ和25mΩ内部功率MOSFET
2.4V至5.5V输入电压范围
4µA工作静态电流
2.2MHz开关频率
可调输出电压范围为0.6V至4V
可实现轻负载效率的省电模式
可实现最低压降的100%占空比
有源输出放电
电源正常输出
热关断保护
断续短路保护
强制PWM版本可支持CCM运行
使用TPS6282x并借助WEBENCH电源设计器创建定制设计方案
固态硬盘
便携式电子产品
模拟安防摄像头和IP网络摄像头
工业PC
多功能打印机
通用负载点

TPS62826ADMQR封装
德州仪器(英语:Texas Instruments, TI)是一家位于美国德克萨斯州达拉斯的跨国公司,以开发、制造、销售半导体和计算器技术闻名于世,主要从事数字信号处理与模拟电路方面的研究、制造和销售。它在25个国家有制造、设计或者销售机构。德州仪器是世界第三大半导体制造商,仅次于英特尔,三星;是移动电话的第二大芯片供应商,仅次于高通;同时也是在世界范围内的第一大数字信号处理器(DSP)和模拟半导体组件的制造商,其产品还包括计算器、微控制器以及多核处理器。德州仪器居世界半导体公司20强。