单片机应用系统中使用的显示器主要有LED和LCD两种。近年来也有用CRT显示的。前者价格低廉,配置灵活,与单片机接口方便;后者可进行图形显示,但接口较复杂,成本也较高。LED(Ling Emiting Diode)是发光二极管的缩写。实际应用非常普遍的是八段LED显示器。LED显示器在大型报时屏幕,银行利率显示,城市霓虹灯建设中,得到广泛应用。在这些需要多位LED显示的场合,怎样实现系统稳定.价格低廉的显示,成为决定其成本的关键所在。因此本位提出了一种用74HC595实现多位LED显示的新方法,同时对该系统的硬件组成和软件实现作了详细说明。
1.LED静、动态显示原理
74HC595是美国国家半导体公司生产的通用移位寄存器芯片。并行输出端具有输出锁存功能。与单片机连接简单方便,只须三个I/O口即可。而且通过芯片的Q7引脚和SER引脚,可以级联;而且价格低廉。
1.1静态显示
每位LED显示器段选线和74HC595的并行输出端相连,每一位可以独立显示。在同一时间里,每一位显示的字符可以各不相同(每一位由一个74HC595的并行输出口控制段选码)。N位LED显示要求N个74HC595芯片及N+3条I/O口线,占用资源较多,而且成本较高,这对于多位LED显示很不利。
LED静态显示驱动电路连线:

1.2动态显示
在多位LED显示时,为了简化电路,降低成本,节省系统资源,将所有的N位段选码并联在一起.由一片74HC595控制。由于所有LED的段选码皆由一个74HC595并行输出口控制,因此,在每一瞬间,N位LED会显示相同的字符。想要每位显示不同的字符,就必须采用扫描的方法,即在每一瞬间只使用一位显示字符。在此瞬间,74HC595并行输出口输出相应字符段选码,而位选则控制I/O口在该显示位送入选通电平,以保证该位显示相应字符。如此轮流,使每位分时显示该位应显示字符。由于74HC595具有锁存功能,而且串行输入段选码需要一定时间,因此,不需要延时,即可形成视觉暂留效果。
LED动态显示驱动电路连线图:

N位LED显示时.只需要一片74HC595即可完成,成本最低。但是,此种方法的最大弱点就是当LED的位数大于12位时,出现闪烁现象,这是所有动态LED显示方式共同的弱点。
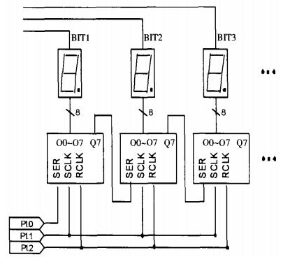
2.多位LED显示方法实现
为实现24位或更多位LED显示,本文提出了一种全新的方法。此方法结合了动态和静态显示的优点,可以说是两者的结合。段选码由三片74HC595控制,段选数据由74HC595的SER引脚串行输人,由于输出使能时钟RCLK并接在一起,因此,三片74HC595并行输出端同时输出。而三个LED位选信号也并接在一起,因此,一次可以同时点亮三位LED。此过程类似于静态显示。每片74HC595并行输出端并接8位LED,用于扫描输出,此过程类似于动态扫描过程。此方法运用3片74HC595,13条位选信号,即可实现3n位LED显示。成本低廉,而且节省资源。此种方法实现多位LED显示程序框图如下图所示,MCU为89S52。
多位LED显示程序流程框图:

示例程序如下(24位LED显示):

结论
本文总结了基于74HC595实现多位LED显示的方法,实践证明,此多位LED显示方法性能稳定,如再级联一片74HC595,在不需要增加I/O口线的情况下,即可实现32位LED显示;而且此方法连线简单方便,成本低廉。