资料:UC3842
Boost变换器在一定的输出功率下可以减小输出电流以及输出滤波电容的容值和体积,在开关电源和电子镇流器中获得广泛应用。常用控制方法有电压反馈控制和电流反馈控制,电流反馈控制可强迫电感电流跟踪参考电流信号,具有响应速度快的优点。工作于连续电流模式(CCM)时,Boost变换器要引人多个反馈方式。工作于断续电流模式(DCM)时,变换器对输入电流自动整形,并有自然的零电流开通特性,需要的电感值小,控制简单,适用于小功率场合。
目前,对Boost变换电路的CCM模式研究较多,已建立了诸多电路模型,取得了可喜的研究成果;对DCM模式的研究,主要为DC/DC电路,对AC/DC电路中DCM模式的研究甚少。本文基于小功率开关电源成本低、性价比高的要求,采用通用的UC3842芯片,设计了一种Boost变换电路,分析了DCM模式的工作特点及设计要点,并对所设计电路的合理性进行了仿真验证。
1.DCM模式Boost变换器的电路模型
1.1DCM工作模式的数学模型
Boost变换电路结构如图1(a)所示,在CCM模式下,开关管M和二极管VD5以互补方式导通;当电感很小或开关周期比较长时,在下一个周期开始前,二极管VD5和M都关断,此时Boost变换电路工作在DCM模式,电感电流和脉宽调制器(PWM)输出脉冲之间的对应波形如图1(b)所示。

图1 Boost变换电路及DCM模式波形图
在第K个开关调制周期,开关管M和二极管VD5的通断状态满足关系:

T为PWM的高频调制周期;KT为PWM的第K个高频调制周期;D1T为高频调制周期内电感电流上升时间;D2T为高频调制周期内电感电流下降时间;D3T为高频调制周期内电感电流为0的时间。
Boost电路工作在DCM模式时,随着开关管M和二极管VD5的通断,系统的状态可以用微分方程:

进行描述,式中,KT+D1T+D2T+D3T=(K+1)T;iL(t)为流过电感电流的瞬时值;υin(t)为电网侧输入电压的瞬时值;υo(t)为Boost变换器输出电压的瞬时值。
1.2DCM模式的工作条件
从图1可知,DCM模式下Boost变换器的电感电流都是从零开始线性增加的,在每个调制周期内,存在:

当电路输出滤波电容很大,输出电压纹波与输出电压幅值相比可以忽略,输出电压υo(t)可看作为常数υo。双环控制系统中,电流环参考电流Iref由电压外环的输出决定,则存在:

式中,υr(t)为电压环为电流环提供的参考电压的瞬时值;Rs为检测电流的取样电阻。
当电感电流跟随正弦输入电压波形时,功率因数接近于1,此时可得占空比D1的表达式为:

式中,Vref为工频周期内υr(t)的峰值;Vin为工频周期内υin(t)的峰值。
同理可得,在每个调制周期内,占空比D2的表达式为:

当Boost变换器工作在临界模式时,占空比满足关系式D1+D2=1,由此可推得Boost电路从DCM进入CCM模式的临界条件为:

当L<LCRM时,Boost电路工作在DCM模式;当L>LCRM时,Boost电路工作在CCM模式。此时,可得以下结论:
(1)DCM模式下,开关管M的导通时间D1T为一固定值,不随电感电流的大小而改变。
(2)开关管关断时,电感电流下降至0的时间D2T随着输出电压和输入电压的变化而改变,输入电压越大,D2T越大,输出电压越大,D2T越小。
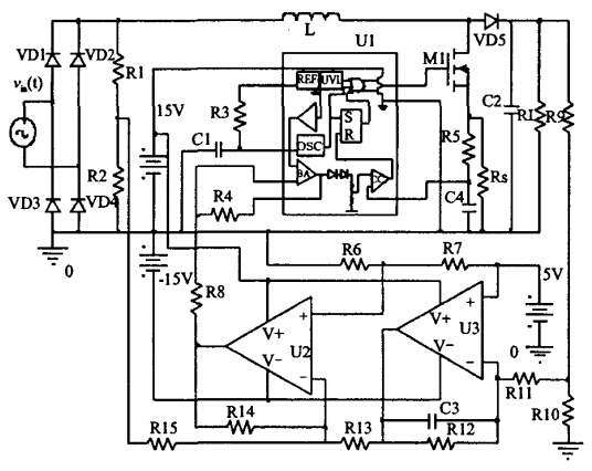
2.基于UC3842的DCM电路设计
2.1基于加法器的DCM电路设计
DCM型Boost电路包括了两个控制环,即电压环和电流环,其作用就是要消除电网电流尖峰,使输入电流成为正弦形状,并且和输入电压同相位。就单个开关周期而言,要求每个开关周期的电流和输入电压成正比。假如由于某种原因使输出电压升高,或使输出电流增大时,脉宽调制器就会改变驱动信号的脉冲宽度,即占空比D,使斩波后的平均电压或峰值电流下降,从而达到功率因数校正的目的。基于加法器的DCM电路原理图如图2所示。

图2 基于加法器的DCM电路原理图
电压外环采用加法器替代乘法器电路,电网侧的反馈电压用于保证电流信号为正弦信号,输出反馈电压用于保证输出电压为恒定值,两者通过加法器U2进行合成,加法器U2的输出信号送入UC3842电流环中的误差放大器,与给定基准电压进行比较,比较结果送入电流测定比较器。主电路中电感的峰值电流信号L(t)同时送入电流测定比较器,两者的比较结果送入PWM中RS锁存器的R输入端,内部振荡电路输出的时钟信号送入PWM中RS锁存器的S输入端,共同作用控制开关管M1的断开和闭合。
2.2UC3842芯片的工作原理
UC3842是一种高性能的单端输出式电流型PWM控制器.电流控制环由PWM锁存器、电流检测比较器、误差放大器和锯齿波振荡电路组成,其内部结构图如图3所示。

图3 UC3842芯片工作原理图
该芯片能产生频率固定而脉冲宽度可以调节的驱动信号,用外部元件RT和CT可设定振荡频率,并精确地控制占空比。可通过控制开关管的通断状态来调节输出电压的高低,达到稳压目的。电压调整率很好,频响特性好,稳定幅度大,具有过流限制、过压保护和欠压锁定功能。外部管脚较少,体积小,是一种经济型的PWM驱动控制芯片。
3.DCM模式电路的仿真与分析
为了验证所推导的临界条件和设计电路的正确性,利用OrCAD10.5软件对所设计电路进行了仿真验证。
当电源侧输入为工频交流电,其电路参数为υin=311.13sin(ωt),υo=385V,RL=1482Q,L=400μH时,Boost变换器工作在DCM模式,其输出电压和电感电流的波形如图4所示。

图4 Boost变换器输出电压和电感电流波形
不同时刻占空比的波形如图5所示。

图5 不同时刻占空比D1T的大小
若电感值增大并超过临界值LCRM,电感电流会出现由DCM模式到CCM模式的变化,当电感值L=1.2mH时,Vo=508V,其波形如图6所示。

图6 L=1.2mH时的电感电流波形
DCM阶段的占空比D1T的波形如图7所示。

图7 电感超过临界值时DCWI阶段的占空比
由仿真结果可以看出,在DCM模式下,开关管的导通时间为固定值,当电感L大于临界值时,会出现DCM向CCM的过渡,CCM模式出现在工频电流的峰值附近。
结论
本文总结了基于UC3842芯片的Boost变换电路设计方案。通过对Boost变换器DCM模式的电路分析,建立了DCM模式下Boost变换器的电路模型,研究了该模式下占空比变化规律以及由DCM模式进入CCM模式的临界条件。利用通用的PWM调制器UC3842芯片,设计了一种基于加法原理的Boost变换电路,并利用仿真软件验证了所得结论的正确性。电路仿真结果表明,所设计的DCM电路可以满足电感电流完全跟随电压波形的要求,达到了提高功率因数的目的。该研究为开发低成本的小功率开关电源提供了设计思路。