资料:DS1302
目前,在国内很多大中型诚实,日益增多的汽车数量和停车场车位之间的矛盾越来越突出,在有些非主干道,占用公交车道和人行道违章停车的现象屡见不鲜;由于目前的房地产价格不断攀升,在有的住宅小区,开发商为了节约面积,停车场的建设数量远不能满足业主汽车的停放,于是私家汽车就随意停放在道路两侧,这不仅给行人进出带来了不便,在管理上也比较混乱,带来很大的安全隐患。因此本文介绍了使用实时时钟芯片DS1302作为时间基准,利用RFIC卡技术,实现一个智能自助停车收费系统,对汽车的安全停放提供科学管理。
1.设计原理
本设计利用射频IC卡读写方便,灵敏度高,保密性好,应用程序编写简单的51系列单片机和计时精准的时钟芯片DS1302,在基本外围接口(键盘、LCD、语音播报)的配合下,设计而成的新型、廉价、智能的自助停车收费系统,车主进出停车场时,只需将一种专用的IC卡在读卡器上刷一下,集成在系统内部的单片机在实时时钟芯片DS1302的协助下,将该车在停车场的停留时间记录下来,按照标准的收费价格,计算出所需要缴费的停车费用,并从车主持有的IC卡上扣除,这种方法属于全自助停车收费管理,无需人工干预(出现故障现象除外),不仅节约了人力成本,节省了车辆进出停车场的时间,也给汽车的安全停放带来了保障。
2.系统硬件设计
2.1系统各模块功能介绍

图1 智能停车收费系统框图
如图1所示,智能停车收费系统主控制部分由单片机、读卡器、键盘、DS1302、LCD显示、上位机通信接口和语音播报模块组成,配合门闸驱动和电动门闸,对车辆进出停车场进行管理。
2.1.1单片机
作为系统的调度中心,负责协调各个模块之间有序工作,如:对IC卡片进行数据读写,向门闸驱动电路发出控制命令等。
2.1.2读卡器和用户IC卡

图2 IC卡读卡器结构图
这一模块与公交刷卡系统相同,如图2所示,主要负责读取用户IC卡中的信息,并通过读卡器内部的I/O与单片机实现数据双向传输。读卡器内部集成有CPU、缓存器、射频模块、外部接口、天线和工作电源。CPU一般采用小型的微处理器,用于协调各子模块有序运转,如:通过天线和射频模块从RFIC卡中读取卡片数据到缓存器,将缓存器中的新数据写入到IC卡,以及通过I/O与外部单元完成双向通信。在实际应用中,为了稳定可靠,一般可以在市场上购买现成的读卡器模块,通过I/O完成与外部器件的通信和控制。
用户持有的非接触式IC卡(又称射频卡),它将射频识别技术和大规模集成电路技术结合起来,通过无线方式传输能量和数据,解决了卡内能量来源和不用接触交易两大难题。因此,非接触式IC卡除了具有接触式IC卡的存储容量大、安全性高、应用范围广,对网络要求低等特点外,还有其独特的优点:
(1)应用的可靠性高。非接触式IC卡与读卡器在通信时,以高频电磁波为媒介进行数据的传送,不需进行机械接触,大大减少了随使用时间的增加而导致的接触不良,从而避免了由于接触操作使系统产生的各种故障(如插拔卡、外物插入、灰尘等导致的应用终端故障),有效的保护卡片。
(2)操作速度快。因为是无接触式通信,省去了插拔卡的时间,读写剁过程完成迅速,一张卡的操作时间在2秒内,操作非常方便、快捷。
(3)使用方向性要求不高。读写距离在3cm左右(根据不同的读卡设备可能有所不同)。
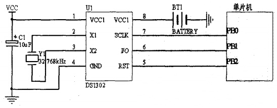
2.1.3实时时钟芯片DS1302

图3 DS1302接口图
在整个系统中,处了读卡器外,精准、稳定的计时也是非常必要的,否则,由于计时的不准给管理和监控带来不便。本设计中采用美国DALLAS公司推出的低功耗实时时钟芯片DS1302,它可以对年、月、日、星期、时、分、秒进行计时,且具有闰年补偿等多种功能。在测量控制系统中,特别是长时间无人职守的测控系统中,具有十分重要的意义。工作电压宽达2.5~5.5V。采用三线接口与CPU进行同步通信,连接简单,封装尺寸小,具有主电源/后背电源双电源引脚,同时提供了对后背电源进行涓细电流充电的能力,在主电源突然断电的情况下,可以由备用电源(一般为纽扣电池等)保持正常走时。如图3所示,为DS1302与单片机的接口示意图,使用32.768KHz的石英晶振,使用主供电源Vcc2和备用电源Vcc1。

图4 DS1302命令字格式
如图4所示,是DS1302的控制命令字结构,Bit7必须为1,如果为0,不能对DS1302进行操作;Bit6如果为0,则表示存取日历时钟数据,为1表示存取RAM数据;Bit5至Bit1指示操作单元的地址;Bit0如为0表示要进行写操作,为1表示进行读操作,控制字节总是从最低为开始输出。

图5 DS1302读写时序图
图5表示了DS1302的读写时序,当RST为低电平时,禁止对DS1302进行任何操作;当RST为高电平时,在时钟信号SCLK的上升沿,I/O首先接收自单片机的1Byte的控制命令,如果是写操作,在时钟SCLK下降沿完成数据的读取;如果是写操作,在时钟的上升沿完成数据或命令的写入。表1中列出了日立和时钟各寄存器的控制命令和内容。

2.1.4液晶显示和键盘
LCD显示根据需要可以选择字符型1602,也可以选择汉子型12864等,主要用于在无人刷卡时显示当前时间,有车主刷卡时,显示卡片信息和刷卡状态。键盘使用4×4行列式键盘或者简易的按键式键盘,主要用于系统故障时复位和时间校准等情况。同时,也会预留一个求助呼叫按键,供车主在遇到刷卡故障时,呼叫停车场管理人员,以便及时来人对故障进行处理。
2.1.5语音播放
该模块由ISD系列语音芯片,通过单片机编程控制,用于播放礼貌用语和提示用户 出错信息。
2.1.6单片机和上位机
单片机和上位机之间通过串口RS232进行通信,用于停车场值班人员监控收费系统的运行情况,必要时通过上位机,直接控制电动门闸的开关和锁定电动门闸。
2.1.7门闸驱动和电动门闸
门闸驱动由继电器组组成,当单片机发出开关门指令时,这些继电器就相应的闭合和打开,用来控制电机的正反向运转和停止,进而电动道闸的打开和关闭。
2.2系统工作过程
2.2.1进停车场
当汽车进停车场时,车主将IC卡对准读卡器的读卡区,IC卡通过电磁感应从读卡器获得瞬间能量,并将卡片信息反馈给读卡器。系统自动记录此时的时间T1,同时单片机对接收到的IC卡信息进行判断,并进行相关操作:
(1)如果卡片正常(余额不为零,卡片无毁损),语音播放:“欢迎您的光临!”,并在液晶屏上显示IC卡余额和刷卡成功信息,同时自动打开门闸,延时一段时间后,再次关闭门闸;
(2)如果余额不足或卡片损毁,语音播放:“余额不足,请充值!”,并在液晶屏上卡内显示余额和刷卡失败信息,保持门闸关闭。
2.2.2出停车场
当该用户出停车场时,再次刷卡,系统再次记录时间T2,单片机计算出时间差∆T=T2-T1和所需缴纳的费用M,通过对读卡器反馈回来的卡片数据判断,进行相应操作:
(1)如果卡内余额Balance≥M,从卡片扣除所需费用M,语音播放:“谢谢您的光临!”,并显示消费余额M和消费后IC卡的余额Balance,自动打开门闸,延时一段时间后,再次关闭门闸;
(2)如果余额Balance
3.系统软件设计
3.1系统主程序流程
如图6所示,系统主程序按照此图依次进行,如遇特殊情况系统出现故障,可由值班人员手动复位,系统重新启动。如遇到车主IC卡片出现余额不足等情况,由值班人员协助解决。

图6 系统主程序流程
3.2DS1302控制流程
如图7所示,实时时钟芯片DS1302按照此图进行读写日历和时间数据,如遇特殊情况短时间掉电的情况下,由于有备用电源支持,因此,不会出现时间停止的情况;但如果长时间掉电,备用电源耗尽时,时间数据会丢失,此时重新上电或初次安装使用时,需要重新设置时间,否则芯片不会走时。

图7 DS1302程序流程图
结束语
(1)本设计控制系统由51系列单片机,DS1302时钟芯片,LCD显示屏和语音播报芯片组成,读卡器采用市场售卖的集成模块,电动道闸部分采用电磁继电器开关控制,这些均属于常规低廉的集成器件,因此,总体价格低廉;
(2)控制系统体积小,所有器件均集成在一个安装盒内,只预留控制信号线和电动道闸之间用排线连接,和上位机通过串口相连,安装比较简单;
(3)使用界面友好,可以人性化的播报和显示欢迎信息和报错信息;
(4)可广泛应用于商场、小区、企事业单位等公共场所的停车场,既节约人力资源,又提高了管理的高效性和安全性;
(5)目前样机的试运行状态稳定,经过完善后可以考虑量产。