资料:74LS164
74LS164是8位边沿触发式移位寄存器,串行输入数据,然后并行输出。数据通过两个输入端(DSA或DSB)之一串行输入;任一输入端可以用作高电平使能端,控制另一输入端的数据输入。两个输入端或者连接在一起,或者把不用的输入端接高电平,一定不要悬空。本文介绍了一种交通信号灯,其主控制器是根据74LS164十四进制扭环形计数器状态循环转换原理而设计,是整个电路的核心,用于定时控制两个方向红、黄、绿信号灯的亮与灭及持续时间并将持续时间倒计时过程在LED七段数码管上同步显示出来。
1.交通信号控制系统功能设计
1.1十字交叉路口平面布置
十字交叉路口的交通信号控制系统平面布置如图1所示,LMG—主干道绿灯LMY—主干道黄灯LMR—主干道红灯;LBG—支干道绿灯LBY—支干道黄灯LBR—支干道红灯。

图1 十字交叉路口的交通信号控制系统平面布置图
1.2信号灯正常工作流程(见图2)
图2是信号灯的正常工作流程。因为主干道车辆多,故放行时间相对比较长,设计放行时间为48S;支干道的车辆少,放行时间相对较短,设计放行时间为24S;每次绿灯变红灯之前,要求黄灯亮4S且为间歇闪烁,此时另一干道的红灯状态仍然保持不变。在主干道和支干道均设有倒计时数字显示,作为时间提示,以便让行人和车辆直观掌握通行时间。数字显示变化情况应与信号灯状态始终保持同步。

图2 信号灯正常工作流程
2.交通信号逻辑电路的设计

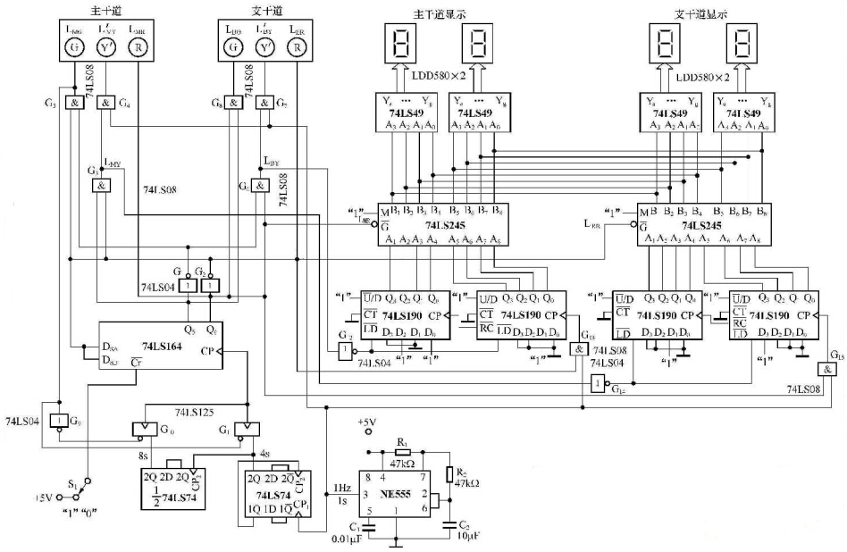
图3 交通信号控制系统逻辑电路图
3.交通信号控制系统电路分析
3.1时钟信号源
时钟信号源由NE555时基电路组成,用于产生1Hz的标准秒信号。
3.2分频器
分频器由2片74LS74构成。第一片74LS74对1Hz的秒信号进行4分频,获得周期为4S的信号,另一片74LS74对4秒的信号进行2分频,获得周期为8S的信号。周期为4S、8S的信号分时送到主控制器74LS164的时钟信号输入端,用于控制信号灯处在不同状态的时间。
3.3主控制器
主控制器是由一片74LS164构成的十四进制扭环形计数器,是整个电路的核心,用于定时控制两个方向红、黄、绿信号灯的亮与灭及持续时间,在时钟CP上升沿的连续触发下其状态转换见表1。

3.4信号灯译码驱动电路设计
见图3电路图,信号灯译码驱动电路由若干个门电路组成,用于对主控制器中Q5Q6的4种状态进行译码并直接驱动红、黄、绿三色信号灯。令扭环形计数器中Q5Q6的4种状态00、10、11、01分别代表主干道和支干道交通灯的4种工作状态:主干道绿灯亮、支干道红灯亮;主干道黄灯亮、支干道红灯亮;主干道红灯亮、支干道绿灯亮;主干道红灯亮、支干道黄灯亮。令灯亮为“1”,灯灭为“0”,则可得出信号灯译码驱动电路的真值表(见表2)

由真值表可得出各信号灯的逻辑表达式:LMG=·;LMY=Q5·;LMR=Q6;LBG=Q5·Q6;LBY=·Q6;LBR=。因黄灯要间歇闪烁(4秒期间闪4次),所以将LMY、LBY与1s的标准秒脉冲信号CP相“与”便得出:LMY’=LMY·CP;LBY’=LBY·CP。
3.5信号灯工作时序
由时序图可知,在Q5Q6=00期间,共需6个CP触发脉冲,所以应将周期为8秒的时基信号CP2送入扭环形计数器的CP端,则6TCP2=6×8S=48S,正好符合绿灯的放行时间为48秒。同理,当Q5Q6处于10、11、01三种状态时,应将周期为4秒的时基信号CP1送入扭环计数器的CP端,才能满足这三种状态时信号灯亮灭的时间要求。以上秒和秒时基信号分时送入扭环计数器CP端是由74LS04的G9、74LS125的G10、G11共同完成的(见图3),只有当LMG亮期间(48秒),G10导通G11截止,将8秒时基信号送入扭环计数器CP端,而在其余三种状态的时间段LMG都是灭的,G10截止G11导通,将4秒时基信号送入扭环计数器CP端。
3.6数字显示控制电路
数字显示控制电路是由4片74LS190组成的两个减法计数器组成,用于进行倒计时数字显示的控制。当LMG亮、LBR亮(Q5Q6=00)时,对应主干道的两片74LS190构成的52进制减法计数器开始工作,从数字“52”开始,每来一个秒脉冲,显示数字减1,当减到“0”时,LMR亮、LBG亮,同时,主干道的52进制减法计数器停止计数,支干道的两片74LS190构成的28进制减法计数器开始工作,从数字“28”开始,每来一个秒脉冲,显示数字减1,直至减到“0”为止。减法计数前的初始值,是利用另一个道路上的黄灯信号对74LS190的LD端进行控制实现的,当黄灯亮时,减法电路置入初始值;当黄灯灭而红灯亮时,减法计数器开始进行减计数。
3.7数字显示电路
数字显示电路是由两片74LS245和4片74LS49集成电路及4块LED七段数码管LDD580构成的,用于进行倒计时数字的显示。因主干道和支干道的减法计数器是分时工作的,而任何时刻两方向的数字显示均为相同的数字,采用两片74LS245就可以实现这个功能。当主干道减法计数器计数时,对应于主干道的74LS245工作,将主干道计数器的工作状态同时送到两个方向的译码显示电路。反之,当支干道减法计数器开始计数时,对应于支干道的74LS245开始工作,将支干道计数器的工作状态同时送到两个方向的译码显示电路。
结束语
本文总结了基于74LS164的交通信号控制系统逻辑电路设计,对交通信号逻辑电路的设计原理和设计方法作了深入全面的分析和阐述。主干道和支干道的放行时间是可以随意设置的,比如可以设置主干道的放行时间为60秒,支干道的放行时间为30秒,黄灯闪烁的时间为5S,改变分频器的分频系数即可实现这一功能,将1Hz的标准秒信号经一个上升沿触发的5分频器分频得到一个周期为5S的信号,再经过2分频得到周期为10S的信号,将周期为5S和10S的信号轮流送入74LS164的CP端即可。其中,5分频器可利用74LS290来实现。