资料:ADC0809
ADC0809是美国国家半导体公司生产的CMOS工艺8通道,8位逐次逼近式A/D模数转换器。其内部有一个8通道多路开关,它可以根据地址码锁存译码后的信号,只选通8路模拟输入信号中的一个进行A/D转换。目前仅在单片机初学应用设计中较为常见。因此本文介绍了一种数字电压表,其采用了ADC0809来进行电压的采集及模数转换,用AT89S52单片机来做控制单元,进行电压的测量和显示。
1.系统硬件设计
1.1系统构成
该系统主要包括几大模块:数据采集模块、A/D转换模块、控制模块、显示模块、按键模块等。采用AT89S52作为控制模块,ADC0809作为A/D转换模块的核心,ADC0809本身具有8路模拟量输入端口,通过C、B、A,3位地址输入端,能从8路中选择一路进行转换。如每隔一段时间依次轮流改变3位地址输入端的地址,就能依次对8路输入电压进行测量。LED数码管的显示采用软件译码动态显示,通过按键模块的操作可以选择8路循环显示,也可以选择某条单路显示。
1.2数据采集电路
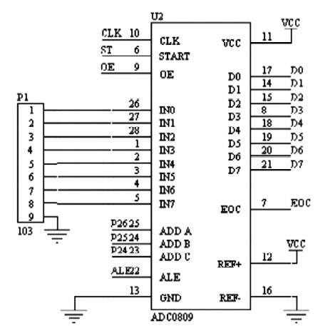
数据采集电路是系统的主要组成部分,ADC0809具有8路模拟量输入通道IN0~IN7,通过3位地址输入端C、B、A(引脚23~25)进行选择。引脚22为地址锁存控制端ALE,当输入为高电平时,C、B、A引脚输入的地址锁存于ADC0809内部锁存器中,经内部译码电路译码选中相应的模拟通道。引脚6为启动转换控制端START,当输入一个2 μs宽的高电平脉冲时,就启动ADC0809开始对输入通道的模拟量进行转换。引脚7为A/D转换器,当开始转换时,EOC信号为低电平,经过一段时间,转换结束,转换结束信号EOC输出高电平,转换结果存放于ADC0809内部的输出数据寄存器中。引脚9脚为A/D转换数据输出允许控制端OE,当OE为高电平时,存放于输出数据锁存器中的数据通过ADC0809的数据线D0~D7输出。引脚10为ADC0809的时钟信号输入端CLOCK.在连接时,ADC0809的数据线D0~ D7与AT89S52的P1口相连接,ADC0809的地址引脚、地址锁存端ALE、启动信号START、数据输出允许控制端OE分别与AT89S51的P3口相连接,转换结束信号EOC与AT89S52的P3.2相连接。时钟信号输入端CLOCK信号,由单片机的地址锁存信号ALE得到,采集电路如图1所示。

图1 数据采集电路
2.软件设计
2.1主程序
主程序包含初始化部分,调用A/D转换子程序和调用显示子程序,如图2所示。

图2 主程序流程图
初始化部分包含存通道数据缓冲区初始化和显示缓冲区初始化。另外,对于单路显示和循环显示,系统设置了一个初始标志位。
初始化时标志位设置为0,默认为循环显示,当它为1时,则单路显示,标志位通过外部按键控制。
2.2数据处理子程序
ADC0809转换之后输出的结果是8位二进制数。由公式(1)可知,当ADC0809输出为(111111111)时,输入电压值VI=5.00V;当ADC0809输出为(00000000)时,输入电压值为VI=0.00V;当ADC0809输出为(10000000)时,输入电压值VI=2.50V.由于单片机进行数学运算时结果只取整数部分,因此当输出为(10000000)时计算出的电压值VI=2.00V,很不准确。为了提高精确度,必须把小数部分保留,具体方法是:如果小数点后保留两位,在运算的时候分子乘以100,保留三位就乘以1000;本设计是在小数点后保留两位,运算方式如公式(2)。
VI=Dout /255×5 (1)
VI=Dout/255×5×100=Dout×100/51 (2)
由式(2)可知当ADC0809输出为(10000000)时,单片机运算结果为250;然后由单片机将250除以10得到商为25,余数为0,再将25除以10得到商为2,余数为5;由此得到较为精确的数值。
结语
本文总结了基于ADC0809设计的数字电压表,实现了采集8路数据,并将结果在四位一体数码管上进行滚动显示或单独显示的功能,测量的最小分辨率为0.019V;该数字电压表具有电路简单,成本低等优点,可以方便地进8路A/D转换量的测量,并可选择在数码管上滚动显示或单路显示的不同工作模式。