资料:UC3842
医疗电源是对安规及EMI、EMC比较高的设备,作为绿色开关电源,将在21世纪给人类社会带来巨大的变化。性能优良的医疗设备系统离不开性能优良的控制模块,而控制模块的性能在很大程度上取决于供电电源的性能,所以高质量的供电电源系统在整个医疗系统中占有相当重要的位置。鉴于此,本文提出了一种基于UC3842的医疗开关电源设计方案,该方案通过小型高频变压器实现输出和输入的完全隔离,不仅提高了电源的效率,简化了外围电路,也降低了电源的成本和体积。电源输出电压稳定,波纹小,不间断性能可靠同时又不会对其他设备产生辐射和传导干扰。
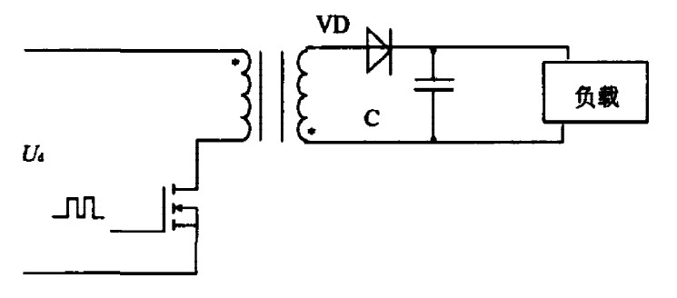
1.单端反激式变换电路
单端反激式变换的典型结构如图1所示。 单端是指变压器的磁心仅工作在磁滞回线的一侧; 反激是指当开关管导通时,在初级线圈中储存能量,而次级线圈不通, 当开关管关闭的时候,初级线圈中的能量通过次级线圈释放给负载。这是一种成本低的调整器,可以做到输入输出部分的完全隔离,有较好的电压调整率。

图1 单端反激式变换器
2.UC3842特点
UC3842是目前流行的电流型PWM信号发生器,具有精度高、电压稳定、外围电路简单、价格低廉等优点。其原理框图如图2所示。由5V基准电压源、控制占空比调定的振荡器、电流测定比较器、PWM锁存器、高增益E/A误差放大器和适用于驱动功率MOSFET 的大电流推挽输出电路等组成。 其主要特点是:
(1)外接元件少,外围电路简单,价格便宜;
(2)无需输入变压器,起动电流小(小于1mA);
(3)具有精密的电压基准源(±1%);
(4)大电流(1A)PWM输出级,可直接驱动功率MOS管;
(5)有欠电压封锁和过电流保护功能;
(6)工作频率可达500kHz。

图2 UC3842原理框图
UC3842芯片能同时满足较好的电气性能和较低的成本,因而被广泛地用于20~80W的小功率开关电源。图2中8脚是其内部基准电压(5V); 7脚是其电源端,芯片工作的开启电压为16V,欠压锁定电压为10V; 4脚接振荡电路,产生所需频率的锯齿波RT接在4、8脚之间,CT接在4脚和地之间。1和2脚为补偿端和内部电压比较器的反相输入端,从3脚引入的电流反馈信号与1 脚的电压误差信号比较,产生一个PWM(脉宽调制)波,从6脚(输出端)输出该信号,控制功率器件的通断。3脚为电流检测输入端。由于电流比较器输入端设置了1V的电流钳位,当电流过大而使电流检测电阻R9(如图3所示)上的电压超过1V(即3脚电平大于1V) 时,将关断PWM脉冲,从而达到过流保护的目的。
3.开关电源的电路设计
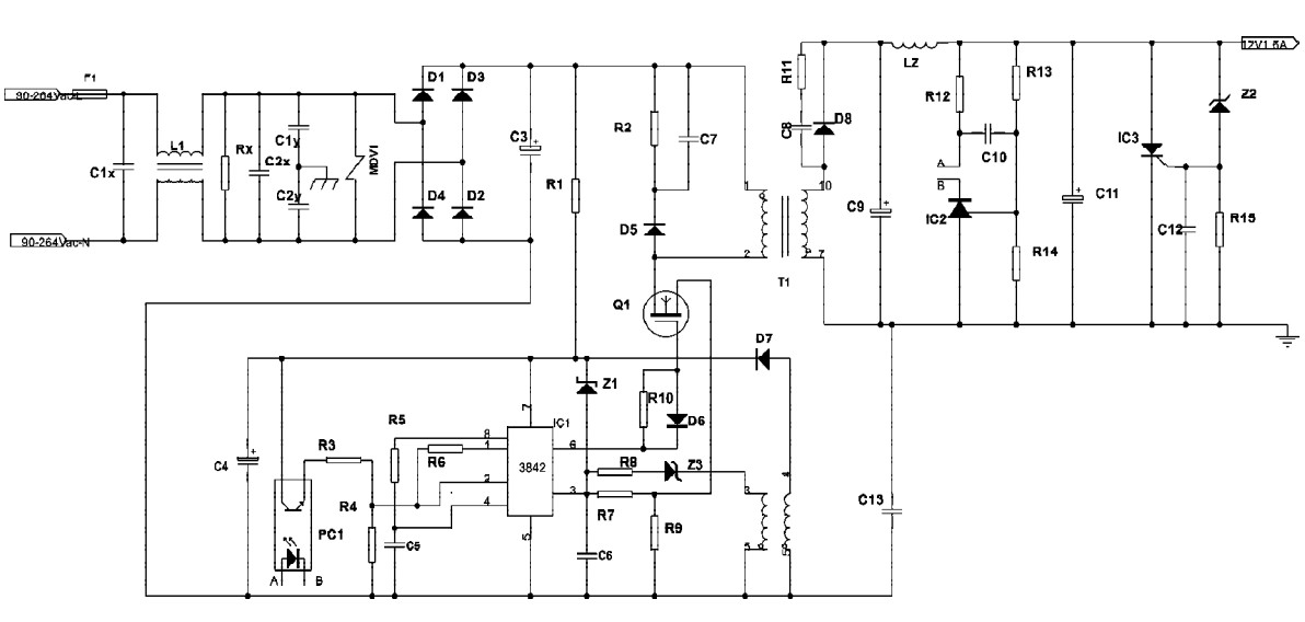
本文用UC3842为核心控制部件,设计了90-264Vac输入、 DC12V输出的单端反激式开关稳压电源。 开关电源控制电路是一个电压、电流双闭环控制系统。 变换器的幅频特性由双极点变成单极点,因此增益带宽乘积得到了提高,稳定幅度大,具有良好的频率响应特性。主要的功能模块包括:EMI/EMC电路、启动电路、反馈电路、保护电路、整流电路。以下对各个模块的原理和功能进行分析, 开关电源电路原理图如图3所示。

图3 开关电源原理图
3.1EMI/EMC电路设计

图4 电磁滤波器电路图
如图4所示,共模电感L1的差值电感与电容CX1及CX2构成了一个π型滤波器。 这种滤波器对差模干扰有较好的衰减。 除了共模电感以外,图4中的电容CY1及CY2也是用来滤除共模干扰的。 共模滤波的衰减在低频时主要由电感器起作用,而在高频时大部分由电容CY1及CY2起作用。 MOV1是为了防止雷击,能够吸收5000Vac瞬间雷击。
3.2启动电路设计
如图3所示,电源通过启动电阻R1给电容C4充电。 当C4电压达到UC3842的启动电压门槛值时,UC3842开始工作并提供驱动脉冲,由6端输出推动开关管工作。随着UC3842的启动, R1的工作也就基本结束,余下的任务交给反馈绕组,由反馈绕组产生电压经过D7和Z3、R8、Z1来为UC3842供电。
3.3过流、短路保护电路设计
如图3所示,当负载电流超过额定值时,场效应电流增加,R9上的电压反馈至CSEN(3脚),通过内部电流检测比较器输出复位信号,最后导致开关管关闭。只有在下一个基准脉冲到来时,才可能重新开启开关管,而不可能出现开关管电流在恒流值左右振荡的情况。 当出现输出短路时, 输出电压会下降, 同时为UC3842供电的反馈绕组也会出现输出电压下降。 当输入电压低于87Vac时,UC3842停止工作,没有触发脉冲输出,使场效应管截止。短路现象消失后,电源重新启动,自动恢复正常工作。这就是俗称的电路“打嗝”现象。
3.4精密反馈电路设计
当开关管导通时, 整流电压加在变压器初级绕组上的电能变成磁能储存在变压器中,开关管截止后,能量通过次级绕组释放到负载上。由公式: U0=(Ton/(n Toff))E可以得出,输出电压和开关管的导通时间及输入电压成正比,与初、 次级绕组的匝数比及开关管的截止时间成反比。 反馈电路采用精密稳压器TL431和线性光耦PC817. 利用TL431可调式精密稳压器构成误差电压放大器,再通过线性光耦对输出进行精确的调整。如图3,输出电压经Z2、R15分压后得到的取样电压,与 TL431中的2.5V基准电压进行比较。当输出电压出现正误差,取样电压大于2.5V,TL431的稳压值降低,光耦PC1控制端电流增大,UC3842的反馈端(VFB) 电压值增大,输出端的脉冲信号占空比降低,开关管的导通时间减少,输出电压降低;反之,如果输出电压出现负误差,UC3842的输出脉冲占空比增大,输出电压增高,达到稳压目的。同时,整个电源系统的输入、输出被隔离,UC3842受到的干扰减少。在对电压精度要求高的场合,会把电压反馈信号从补偿端(CMOP)输入,不用UC3842 的内部放大器。因此反馈信号的传输缩短了一个放大器的传输时间,使电源的动态响应更快。
3.5整流滤波电路设计
输出整流滤波电路直接影响到电压波纹的大小,影响输出电压的性能。开关电源输出端对纹波幅值的影响主要有以下几个方面:
①输入电源的噪声。解决的方案是在电源输入端加电容C1x及电感L1,以滤除此噪声干扰。
②高频信号噪声,开关电源中高频噪声主要是由高频变压器和功率管器件产生。对于这类高频噪声的解决方案是在输出端采用C9、L2、C11构成π型滤波的方式。滤波电感采用150μH的电感,可滤除高频噪声。
③采用肖特基二极管D8整流。基于它低压、功耗低、大电流的特点,有利于提高电源的效率; 其反向恢复时间短,有利于减少高频噪声。
④为了减少共模噪声,在输出地和输入地之间接电容C13。
3.6导通时序
如图5所示,在负载不同的时候,其时序电路是不一样的。在满载时绝大多数始终周期是导通的,也就是导通的频率高,中等负载会跳过一部分始终周期,而轻载时要跳过大部分的始终电路,只有少数始终周期是导通的,这样导通周期的频率是很低的。图5中,U0是输出电压,CLK是UC3842的基准脉冲,D是 UC3842的输出脉冲,Id是流过开关管的电流,Ud是变压器初级绕组下端(开关管MOSFET 漏级)的电压。

图5 负载不同时的波形
4.实验结果
该开关电源的性能,按上述应用电路进行了测试, 动态负载响应快,具有良好电磁兼容性能并能通过美国的FCC CASEA标准。不同输入电压和不同负载时,输出电压如图6所示。

图6 输出电压波形
表一为空载输入电压在90~264Vac波动时,输出电压的波动情况。 表二是负载电流在100mA~1.2A变化时,输出电压的波动情况。

结语
本文总结了UC3842在医疗开关电源的应用设计,并充分使用了UC3842的控制功能,实现了对输出电压的负反馈调节以及各种保护机制。这种开关电源结构简单,性能稳定,实现了对医疗设备供电,对提高医疗设备整体性能大有益处。