资料:TL494
面对内燃机车的废气污染和能源枯竭,电动汽车现在逐步走进了人们的生活。世界各大汽车生产厂家,都在大力研发电动汽车控制技术,并在最近的车展上纷纷推出了电动汽车。电机控制器是电动车控制系统中最关键的部分,它的发展对电动汽车的普及及推广有着深远的影响。现在主流的电动车控制器主要由电力电子器件构成,其中电机控制器直接充当了心脏的角色。为了提高控制器的稳定性,添加了部分保护功能,如:过热保护、励磁检测保护、过流保护、电池欠压保护、防反接保护等。本设计方案采用了两片TL494作为整个系统的核心控制器。
产品图片

TL494中文资料
1.电动车电机控制器的原理
本文中电动汽车采用他励直流有刷电机,动力电池采用6节铅酸蓄电池串联,每块电池额定电压6V,总额定输出电压为36V。他励直流电动机的额定电压为36V,额定功率为3kW,输出额定转矩为10.84Nm,额定转速为2600r/min,励磁电流为10A,最大负载电流为110A。
本控制器的设计方案中,电枢控制部分采用两象限型直流斩波PWM 系统,励磁控制部分采用双极式可逆直流斩波 PWM 系统。控制器选用TL494芯片,其具有结构简单、功能可靠、价格低廉、稳定性好等优点。TL494内置有5V±5%的基准电源、两路误差放大器、 PWM产生比较器以及死区时间可调控制等。
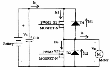
2.两象限型直流斩波PWM系统
两象限型直流斩波器原理图如图1所示,采用半桥结构,电机中流过的电流Ia可正可负,开关管S2只在制动时起作用,系统能工作在2个象限。该控制方案虽然只能使电机工作在第一、第二象限,但是具有能量回馈制动功能,而且控制方便,使用的电子元器件较少,有利于减小控制器的体积,且系统的可靠性较高,方案的成本低。

图1 两象限型直流斩波器电路原理图
3.双极式可逆直流斩波PWM系统
双极式可逆直流斩波器原理图如图2所示。这种直流斩波器可以使电动机在四象限运行,即电枢电压 Va和电流Ia既可以为正,也可以为负。

图2 四象限型直流斩波器驱动原理图
该控制方案能够使电机在四个象限运行,电路和控制不复杂,电机停止时有微振电流,能消除静摩擦死区;低速时,每个功率开关管的驱动脉冲仍较宽,有利于保证功率开关管的可靠导通。他励直流电机的励磁回路中通过电流不大,励磁回路不用经常切换,只需让其工作在一、三象限。
4.总体方案设计
控制器最终方案中电枢回路采用两象限型直流斩波器,励磁回路采用四象限的直流斩波器。由于电动车必须要能够在多种路面和多种天气(高温、低温)下使用,控制器必须具有一定的抗震性、防水性,抗电磁干扰能力等。为了适应本控制器的恶劣使用环境,本控制系统中采用了纯硬件设计。他励直流有刷电机控制器总体方案框图如图3所示。

图3 电动控制器总体方案原理框图
本设计方案采用了两片TL494作为整个系统的核心控制器,一片TL494专门用来控制励磁部分。控制器励磁部分由TL494构成的小系统,在电动车上电后开始工作,使电动车在运行期间励磁信号不缺失,有效保护电机。在采集前进和后退选择按钮信号后,选择励磁回路中励磁电流的流向,控制电动车的运行方向。控制器电枢控制部分采用另一片TL494控制,该系统采集油门踏板信号,来改变TL494输出PWM 波的占空比进行调速。通过检测励磁回路中电流信号,确认励磁电流正常后启动电枢回路。通过检测电枢回路电路信号,发现电机堵转时及时关闭TL494脉冲输出,防止电流过大烧坏功率器件和电机。
4.1硬件设计
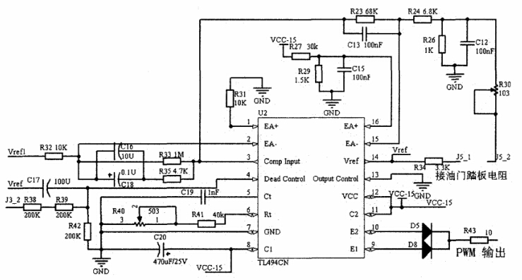
TL494外围电路设计PWM 调节由 TL494CN 芯片实现,其电路原理图如图4所示,主要功率器件采用多个MOS-FET并联和多个二极管并联的方式。为实现直流有刷电动机的平滑调速,将TL494的13号引脚接地,使TL494工作在单端输出方式,实现PWM 占空比从0到96%连续可调。

图4 TL494外围电路图
为了增大TL494的输出驱动电流,提高驱动能力,并保护 TL494 的输出端(9 号和10 号引脚),通过两个高速二极管并联输出的方式,输出最大500mA的电流,很大程度的提高了输出的驱动能力。并在输出端单独采用达林顿管推挽输出,来驱动电枢回路中多个并联的 MOSFET,多个MOSFET并联时需要注意均流和散热。
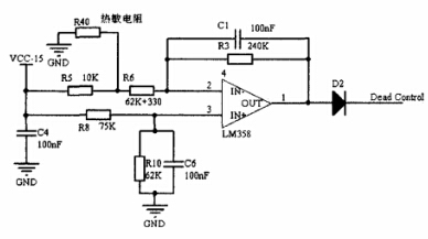
4.2过热保护
过热保护电路的核心元件主要是65°C常开温控开关R40和高速运放LM358,通过改变运放反向输入端电压,使运放输出高低电平,来控制TL494的死区。过热保护电路图如图5所示。

图5 过热保护电路
R40的一端接地,另一端介入R5和R6之间,整个电路构成一个差分式的运算放大电路。当温度超过65°C,温控开关闭合时,运放LM358输出为高电平(大于3.3V),TL494的死区电压大于3.3V时,输出的PWM 波的占空比降为0,输出为低电平,使开关管不导通,切断电机的供电。
而当控制器正常工作时,散热器的温度不会超过65°C,温控开关会一直处于断开状态,此时的TL494死区端电压为120mV 的偏置电压,输出的PWM 占空比受到TL494运放的输出电压控制。
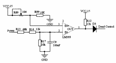
4.3电池欠压保护
电动车的供电由铅酸蓄电池提供给,电池容量有限,电量不足时要及时充电,为了防止电动车电池的过渡放电,保护电池,提高电池的使用寿命,应该设置电池的欠压保护,电池欠压保护电路图如图6所示。
当电机堵转时,蓄电池输出电流迅速增大,此时电池不能够提供这么大的功率,会导致电池电压的急剧下降。根据电池的特性,36V 的铅酸蓄电池,电池在正常工作时,输出电压不会低于30V。设置电池的最低保护电压为30V,这样可以保护电池并防止电机堵转。
电池的欠压保护采用 LM393电压比较器来实现,将36V 的蓄电池电压经过分压后与参考电压比较,当电池的电压低于30V 时,LM393的反向输入端电压低于同相输入端电压,输出为高电平,使TL494的死区电压达到最大值,关断 TL494的脉冲输出,使电机停止运转。

图6 电池欠压保护电路
总结
本文总结了基于TL494的电动车电机控制器设计方案,并通过长期的实验运行和装车试验,证实本文设计的电动车电机驱动系统,能量损耗小、使用范围广、满足电动车的实际需要。通过对电动机励磁和电枢的调节可以实现他励直流有刷电动机的运行调速、正反转和能量回馈。并在设计中预留了多路信号通信接口,将各关键状态信号输入车载 ECU中,方便整车的协调和升级。