PDF资料:LM324
LED电平指示器(英文LED level indicator)可以指示信号电平的大小,另一方面它能起到装饰、美化面板的作用。 LED电平指示器就是采用发光二极管构成的电平指示器,这种电路的作用是指示信号电平的大小,其电路繁多。本文介绍了利用LM324制作的两款LED电平指示器电路。LM324系列器件为价格便宜的带有真差动输入的四运算放大器。与单电源应用场合的标准运算放大器相比,它们有一些显着优点。
1.LM324简介
LM324运算放大器IC可以用作比较器。该IC在单个芯片上具有4个独立的运算放大器。这是一款低功耗四路运算放大器,具有很高的稳定性和带宽,旨在通过单个电源在很宽的电压范围内工作。四通道放大器可以在低至3.0 V或高至3.2 V的电源电压下工作,静态电流约为与MC174相关的电流的五分之一。共模输入范围包括负电源,因此在许多应用中无需使用外部偏置元件。输出电压范围还包括负电源电压。

LM324中文资料
2.LED电平指示器带有可调增益放大级
2.1电路设计
LED电平指示器带有可调增益放大级既可以接在音频功放电路的输出端,作为功放输出电平指示,也可以接在音频前置放大电路输出端(音量控制电路之前),作为前置级的电平指示器。 电路见下图。

LED电平指示器带有可调增益放大级的电路图
电路中,由LM324运放构成一个增益可调的放大前级,可调电阻RP用来调节增益量;LED驱动电路由三极管V、电容器C3、稳压二极管VS,电阻器R1一Rn、发光二极管VLl一VLn和二极管VD1一VDn组成。
来自功率放大器或前置放大器的音频输人信号经C2藕合加至LM324运放的5脚,经LM324和三极管放大后,从三极管的发射极输出信号电压,将VLl一V Ln逐级点亮。音频输人信号越强,点亮发光二极管的个数也越多。
2.2元器件选择
R01-R05和R1-Rn选用1/4W碳膜电阻器或金属膜电阻器。RP选用超小型电位器或立式可变电阻器。
C1-C3均选用耐压值为16V的铝电解电容器。VD1-VDn选用1 N4148型硅开关二极管或2AP5VS选用1/2W、3.6V的硅稳压二极管。
VU-V Ln均选用币5mm的红色高亮度发光二极管。
V选用C8050或58050、3 DG8050型硅NPN晶体管。
IC选用LM324型运算放大集成电路。
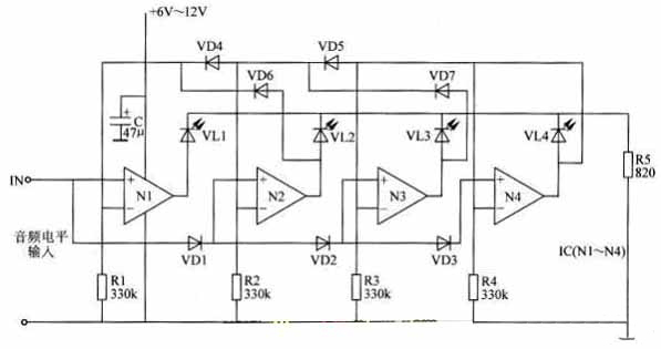
3.LED电平指示器自身不带增益放大电路
3.1电路设计
LED电平指示器自身不带增益放大电路可用于音频功放输出端的电平指示器。但是本电平指示器有移动点光式和逐级点亮式两种显示方式可以选择。电路原理图见附图所示。

LED电平指示器自身不带增益放大级的电路图
当输入音频信号电平小于0.7 V时,Nl输出高电平,将VLI点亮;当输入信号电平在0.7-1.4V之间时,N2输出高电平,一方面使V L2点亮,另一方面通过V D6使N1的反相输人端变为高电平,使N1输出低电平,VLI熄灭。同理,若输入信号电平变高,则VL1和V L4将会分别点亮,呈移动点光式的显示。
将二极管VD4 - VD7去掉,则该电路变成了四级LED电平指示器,随着输入信号电平的大小变化,发光二极管VL1-VL4将呈光线式逐级点亮。
3.2元器件选择
R1-R5选用1/4W碳膜电阻器或金属膜电阻器。
C选用耐压值为16V的铝电解电容器。
VD1-V D7均选用1 N4148型硅开关二极管。
VLl-VIA均选用Φ5mm的发光二极管。
IC选用LM324型四运放集成电路。
总结
本文介绍了两种基于LM324的LED电平指示器电路设计以及元器件选择。LED电平指示器常应用于音频电路及功放电路中的输出电平指示,因此大家可以根据使用场所来选择合适的电路设计。