STM32F334R8T7 点击型号即可查看芯片规格书
STM32F334R8T7TR基于高性能ARM®Cortex®-M432位RISC内核,FPU工作频率为72MHz,并嵌入了浮点单元(FPU)、内存保护单元(MPU)和嵌入式跟踪宏单元(ETM)。包含高速嵌入式存储器(512KB闪存、64KBSRAM)、用于静态存储器(SRAM、PSRAM、NOR和NAND)的灵活存储器控制器(FSMC)以及范围广泛的增强型I/O和外围设备连接到一个AHB和两个APB总线。STM32F334R8T7TR提供两个快速12位ADC(5Msps)、四个比较器、两个运算放大器、一个DAC通道、一个低功耗RTC、最多两个通用16位定时器、一个通用32位定时器,以及一个专用于电机控制的定时器。它还具有标准和高级通信接口:多达三个I2C、最多四个SPI(两个SPI带有多路复用全双工I2S)、三个USART、最多两个UART、CAN和USB。为实现音频等级精度,I2S外设可通过外部PLL提供时钟。
| 制造商 | 意法半导体 |
| 制造商产品编号 | STM32F334R8T7TR |
| 供应商 | 意法半导体 |
| 描述 | I2C MCU 32BIT 64KB FLASH 64LQFP |
| 类别 | 集成电路(IC)嵌入式-微控制器 |
| 系列 | STM32F3 |
| 包装 | 卷带(TR) |
| 工作温度 | -40°C~105°C(TA) |
| 安装类型 | 表面贴装型 |
| 封装/外壳 | 64-LQFP |
| 供应商器件封装 | 64-LQFP(10x10) |
| 基本产品编号 | STM32F334 |

STM32F334R8T7TR
| 零件状态 | 在售 |
| 核心处理器 | ARM®Cortex®-M4 |
| 内核规格 | 32-位 |
| 速度 | 72MHz |
| 连接能力 | CANbus,I²C,IrDA,LINbus,SPI,UART/USART |
| 外设 | DMA,POR,PWM,WDT |
| I/O数量 | 51 |
| 程序存储容量 | 64KB(64Kx8) |
| 程序存储器类型 | 闪存 |
| RAM大小 | 12K×8 |
| 电压-供电(Vcc/Vdd) | 2V~3.6V |
| 数据转换器 | A/D21x12b;D/A3x12b |
| 振荡器类型 | 内部 |
| 核心架构 | ARMCortex-M4 |
| 闪存大小 | 64KB |
| 频率 | 72兆赫 |
| 最高工作温度 | 105℃ |
| 最大电源电压 | 3.6V |
| 最低工作温度 | -40℃ |
| 最小电源电压 | 2伏 |
| 标称电源电流 | 1微安 |
| A/D转换器数量 | 2 |
| 通道数 | 21 |
| D/A转换器的数量 | 3 |
| I2C通道数 | 1 |
| SPI通道数 | 1 |
| 定时器/计数器的数量 | 1 |
| USART通道数 | 3 |
| 包装 | 磁带和卷轴 |
| 内存大小 | 16KB |
| 属性 | 描述 |
| RoHS状态 | 符合ROHS3规范 |
| 湿气敏感性等级(MSL) | 3(168小时) |
| REACH状态 | 非REACH产品 |
核心:ARM®Cortex®-M432位CPU,带FPU(最大72MHz),单循环乘法和硬件除法,DSP指令
回忆
CRC计算单元
重置和供应管理
时钟管理
多达51个快速I/O端口,所有端口都可映射到外部中断向量,几个5V容错端口
互连矩阵
7通道DMA控制器
最多两个ADC0.20μs(最多21个通道),可选分辨率为12/10/8/6位,0至3.6V转换范围,单端/差分模式,2.0至3.6V的独立模拟电源
温度传感器
最多三个12位DAC通道,模拟电源为2.4V至3.6V
三个超快轨对轨模拟比较器,模拟电源电压为2V至3.6V
一个可用于PGA模式的运算放大器,所有端子可通过2.4至3.6V的模拟电源访问
最多12个计时器
日历RTC,带警报,定期从停止唤醒
通信接口
调试模式:串行线调试(SWD),JTAG
96位唯一ID
所有包装ECOPACK®2

STM32F334R8T7TR符号

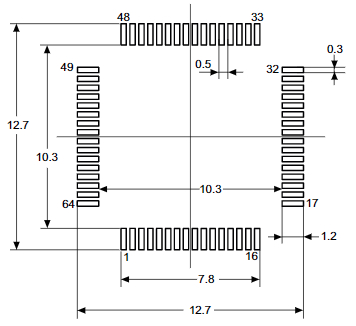
STM32F334R8T7TR焊垫

STM32F334R8T7TR 3D模型

STM32F334R8T7TR封装
意法半导体(ST)公司成立于1987年,是意大利SGS半导体公司和法国汤姆逊半导体合并后的新企业,从成立之初至今,ST的增长速度超过了半导体工业的整体增长速度。自1999年起,ST始终是世界十大半导体公司之一。整个集团共有员工近50,000名,拥有16个先进的研发机构、39个设计和应用中心、15主要制造厂,并在36个国家设有78个销售办事处。意法半导体是业内半导体产品线最广的厂商之一,从分立二极管与晶体管到复杂的片上系统(SoC)器件,再到包括参考设计、应用软件、制造工具与规范的完整的平台解决方案,其主要产品类型有3000多种,。意法半导体是各工业领域的主要供应商,拥有多种的先进技术、知识产权(IP)资源与世界级制造工艺。