车载直流电机驱动
摘要:越来越多的电机已被应用到汽车上,选择一个符合汽车等级要求的有刷直流电机驱动,可简化设计以及提高安全性能。本文为您介绍符合汽车等级要求的功能增强型的H桥预驱芯片HCV7535。

一、有刷直流电机在汽车上的应用
电机在汽车上的应用,让汽车实现自动化,加强驾驶安全性以及舒适性。不同类型的电机因各自的特点而被应用到汽车上不同的功能模块,有刷直流电机同样也在汽车的多个功能模块中用到,如下图所示。
有刷直流电机应用
车窗自动升降器,现在基本上每辆车都有,无需再用传统的手摇式;电动座椅调节,同样替代了传统的手动机械式;电动尾箱与电动天窗,更是豪华车的配置,这些都通过有刷直流电机实现。
二、有刷直流电机驱动
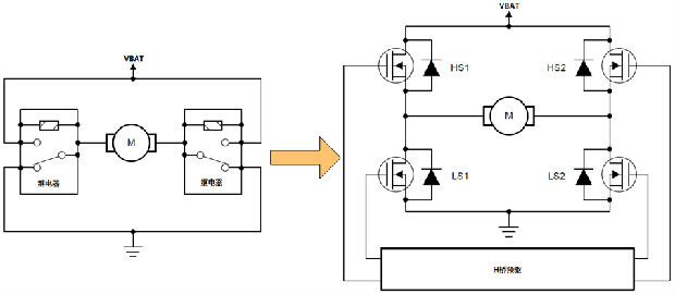
驱动有刷直流电机,可以使用高边驱动或者低边驱动,控制电源连接到电机地输入端即可,简单而实用。当需要控制电机实现正反转时,可以搭建一个H桥来实现,如下图所示的H桥驱动。
电机H桥驱动

简单的H桥电路,可以使用两个继电器实现,外部电路驱动继电器闭合状态即可。这样的继电器H桥驱动虽然简单实用,但也有比较大的局限性,例如体积较大和开关速度较慢,而且在调速方面也显得力不从心。在现在高功率密度需求的趋势下,需要使用更高开关速度,体积更小的器件去替代继电器。MOS管开关速度快,导通阻抗小,过电流能力强,非触点式的电子开关,非常适合用来替代继电器驱动有刷直流电机,而且更容易缩小电路占用空间。由于MOS管的开关速度相对于继电器来说非常高,所以可以通过PWM的方式来进行调速。
汽车电子设计的要求越来越高,功能安全与故障检查机制是必不可少的一部分,设计符合汽车标准的直流有刷电机的驱动,固然优先考虑选择符合汽车标准的驱动芯片。
三、H桥预驱NCV7535
安森美推出的NCV7535是功能增强型的H桥驱动芯片,可通过SPI接口对其进行配置,可提供N-MOS防反接电路设计电荷泵,支持多种保护机制,是一款高集成度的汽车等级的芯片,芯片框架如下图所示。
NCV7535框架
NCV7535主要特点:
宽输入电压范围;
提供电荷泵用于N-MOSFET防反接保护电路;
微控制器可SPI接口进行配置;
控制H桥实现电机正反转;
PWM输入调节转矩与速度;
增强型的H桥预驱,稳定可靠;
支持主动续流与被动续流;
可编程压摆率以及死区时间;
集成过压、短路、过温检测以及保护等。
NCV7535应用
NCV7535以汽车电子标准来设计,高度集成多个功能,非常适用于汽车的车窗控制,车门控制等(如上图示例),稳定可靠的电路方案,是有刷直流电机驱动的优先选择。