B3U-1000P点击型号即可查看芯片规格书
B3U-1000P轻触开关,不发光,1.5N,12V,50mA,焊接,B3U系列Omron公司的B3U系列。超小型表面安装轻触开关,具有高接触可靠性。这些紧凑型开关可高密度安装在移动设备的PCB.B3U-1000P,B3U0028D。
| 制造商 | 欧姆龙 |
| 型号 | B3U-1000P |
| 描述 | SWITCH TACTILE SPST-NO 0.05A 12V |
| 分类 | 开关,轻触开关 |
| 打包 | 卷带式(TR) |
| 工作温度 | -25°C~70°C |
| 开关行程 | 0.15mm |
| 机械寿命 | 200,000次循环 |
| 基本产品编号 | B3U |

B3U-1000P
| 产品状态 | 在售 |
| 电路 | SPST-NO |
| 开关功能 | 非妈妈 |
| 触点额定值@电压 | 0.05A @ 12VDC |
| 执行器类型 | 标准 |
| 安装类型 | 表面贴装 |
| 执行器离 PCB 的高度,垂直 | 1.60mm |
| 执行器方向 | 顶部驱动 |
| 终止方式 | 贴片 (SMT) 选项卡 |
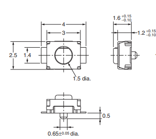
| 大纲 | 3.00 毫米 x 2.50 毫米 |
| 照明 | 非照明 |
| 操作力 | 153gf |
| 入口保护 | 防尘的 |
| 接触材料 | 银 |
| 机械寿命 | 200kcycles |
| 引脚数 | 2 |
| 环境温度范围高 | 70℃ |
| 触点电流额定值 | 50毫安 |
| 接触电阻 | 100毫欧 |
| 目前评级 | 50毫安 |
| 电气寿命 | 200kcycles |
| 照明类型 | 发光的,不发光的 |
| 绝缘电阻 | 100兆欧 |
| 生命周期 | 200kcycles |
| 最大额定电流 | 50毫安 |
| 最高工作温度 | 70℃ |
| 最大额定电压 (DC) | 12 伏 |
| 制造商包标识符 | B3U-1000P(M) |
| 最低工作温度 | -25°C |
| 操作力 | 1.5牛 |
| 方向 | 直的 |
| 开关行程 | 150微米 |
| 投掷配置 | 单刀单掷 |
| 额定电压(直流) | 12伏 |
| 执行器长度 | 400微米 |
| 深度 | 2.5毫米 |
| 高度 | 1.2毫米 |
| 长度 | 3毫米 |
| 宽度 | 3毫米 |
| 属性 | 描述 |
| RoHS状态 | 符合RoHS标准 |
| 湿度敏感度(MSL) | 1(无限制) |
| ECCN | EAR99 |
| HTSUS | 8536.50.9031 |
SPST-NO触芯配置
5VDC至12VDC情况下,开关能力为1至50mA
最大接触电阻值:100mohm
最小绝缘阻值100Mohm
顶部与侧面执行器
153gf(B3U-1000系列)与162gf(B3U-3000系列)
防尘结构,在多尘环境中提供高可靠性
可选带接地端子的型号,用于防静电
1.2mmx3mmx2.5mm尺寸
紧凑型装置的安装
高密度安装
防静电
压花胶带非常适合自动安装

B3U-1000P符号


B3U-1000P 3D模型

B3U-1000P封装
| 零件号 | B3U-3000P-B | B3U-1100P | AVAA1A | B3U-1100PM |
| 制造商 | 欧姆龙 | 欧姆龙 | 松下电子元件 | 欧姆龙 |
| 操作力 | 162gf | 153gf | 160gf | 153gf |
| 方向 | 直角 | 直的 | - | 直的 |
| 终止 | 贴片/贴片 | 贴片/贴片 | - | - |
| 目前评级 | 50毫安 | 50毫安 | 50毫安 | 50毫安 |
| 最大额定电流 | 50毫安 | 50毫安 | - | - |
| 最大额定电压(DC) | 12伏 | 12伏 | 15伏 | 12伏 |
| 开关行程 | 0.20mm | 0.15mm | 0.13mm | 0.15mm |
| 照明类型 | 发光的,不发光的 | 发光的,不发光的 | 发光的,不发光的 | 发光的,不发光的 |
欧姆龙株式会社(OmuronKabushiki-gaisha),简称欧姆龙,是一家总部位于日本京都的日本电子公司。欧姆龙由立石和马(KazumaTateishi)于1933年成立(前身为立石电器制造公司)并于1948年注册成立。该公司起源于京都一个叫做“御室”(ja)的地区,“欧姆龙”这个名字就是由此而来。在1990年之前,该公司被称为OmronTateishiElectronics。在1980年代和1990年代初期,公司的座右铭是:“机器的工作,机器的工作,人的进一步创造的快感”。欧姆龙的主要业务是制造和销售自动化组件、设备和系统。在消费和医疗市场,它以数字温度计、血压监测仪和雾化器等医疗设备而闻名。Omron开发了世界上第一个电子检票口,于2007年被命名为IEEE里程碑,并且是首批配备磁条读卡器的自动柜员机(ATM)制造商之一。