ADUM1400ARW点击型号即可查看芯片规格书
ADUM1400ARW是基于模拟设备公司的iCoupler®技术的四通道数字隔离器。隔离组件结合了高速CMOS和单片空心变压器技术,提供了优于光耦器件等替代产品的卓越性能。通过避免使用LED和光电二极管,I耦合器设备消除了通常与光耦合器相关的设计困难。通过简单的I耦合器数字接口和稳定的性能特性,消除了关于不确定电流传输比、非线性传输函数以及温度和寿命效应的典型光耦问题。iCoupler产品消除了对外部驱动器和其他离散组件的需求。此外,在可比较的信号数据速率下,iCoupler设备消耗的功率是光耦的十分之一到六分之一。
| 制造商 | ADI |
| 制造商产品编号 | 制造商产品编号 |
| 描述 | DGTL ISO 2500VRMS 4CH GP 16SOIC |
| 详细描述 | 通用数字隔离器2500Vrms4通道1Mbps25kV/µsCMTI16-SOIC(0.295",7.50mm宽) |
| 类别 | 数字隔离器 |
| 系列 | iCoupler® |
| 包装 | 管件 |
| 工作温度 | -40°C~105°C |
| 安装类型 | 表面贴装型 |
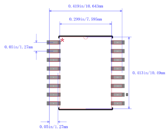
| 封装/外壳 | 16-SOIC(0.295",7.50mm宽) |
| 供应商器件封装 | 16-SOIC |
| 基本产品编号 | ADUM1400 |

ADUM1400ARW
| 零件状态 | 在售 |
| 技术 | 磁耦合 |
| 类型 | 通用 |
| 隔离式电源 | 无 |
| 通道数 | 4 |
| 输入-侧1/侧2 | 4/0 |
| 通道类型 | 单向 |
| 电压-隔离 | 2500Vrms |
| 共模瞬变抗扰度(最小值) | 25kV/µs |
| 数据速率 | 1Mbps |
| 传播延迟tpLH/tpHL(最大值) | 100ns,100ns |
| 脉宽失真(最大) | 40ns |
| 上升/下降时间(典型值) | 2.5ns,2.5ns |
| 电压-供电 | 2.7V~5.5V |
| 案例/包装 | 集成电路 |
| 引脚数 | 16 |
| 频道类型 | 单向 |
| 最大输入电流 | 10µA |
| 最高工作温度 | 125℃ |
| 最大电源电压 | 5.5V |
| 最低工作温度 | -40°C |
| 最小电源电压 | 2.7V |
| 标称电源电流 | 11mA |
| 通道数 | 4 |
| 工作电源电流 | 11mA |
| 工作电源电压 | 5V |
| 输出电流 | 22mA |
| 包装 | 块 |
| 上升时间 | 3纳秒 |
| 开启延迟时间 | 32纳秒 |
| 类型 | 一般用途 |
| 深度 | 2.35毫米 |
| 长度 | 10.5毫米 |
| 宽度 | 7.6毫米 |
| 属性 | 描述 |
| RoHS状态 | 不符合RoHS规范 |
| 湿气敏感性等级(MSL) | 1(无限) |
| REACH状态 | 非REACH产品 |
| 无铅 | 含铅 |
| 辐射硬化 | 不 |
适合汽车应用
低功率运行
双向通信
3V/5V电平转换
高温操作:125°C
高数据速率:dc至90Mbps(NRZ)
精确定时特性
高共模瞬态抗扰度:>25kV/μs
输出使能功能
16芯SOIC宽体封装
可提供符合RoHS标准的型号
通用多通道隔离
SPI接口/数据转换器隔离
RS-232/RS-422/RS-485收发器
工业现场总线隔离
汽车系统

ADUM1400ARW符号

ADUM1400ARW脚印

ADUM1400ARW封装
| 型号 | 制造商 | 品名 | 描述 |
| ADUM1400ARW-RL | 亚德诺 | 接口隔离器 | SOIC 16Pin 5V 1Mbps |
| ADUM1400ARWZ | 亚德诺 | 接口隔离器 | 四路,4通道,100ns,2.7V,5.5V,SOIC,16引脚 |
| ADUM3400ARWZ | 亚德诺 | 接口隔离器 | 四路,4通道,100ns,2.7V,5.5V,SOIC,16引脚 |
亚德诺半导体技术有限公司(英语:Analog Devices,NYSE:ADI)是一家财富500强美国的跨国半导体装置生产商。亚德诺半导体技术有限公司专为消费与工业产品制造ADC、DAC、MEMS与DSP芯片。其是将创新、业绩和卓越作为企业的文化支柱,并基此成长为该技术领域很持久高速增长的企业之一。拥有遍布世界各地的60,000客户,涵盖了全部类型的电子设备制造商。公司总部设在美国马萨诸塞州诺伍德市,设计和制造基地遍布全球。