TPS40055PWPR点击型号即可查看芯片规格书
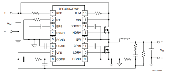
TPS40055PWPR是一系列高电压、宽输入(8V至40V)同步降压控制器。它通过各种用户可编程功能提供设计灵活性,包括软启动、UVLO、工作频率、电压前馈、高侧电流限制和环路补偿。TPS40055PWPR使用电压前馈控制技术在宽(4:1)输入电压范围内提供良好的线路调节,并快速响应输入线路瞬态。具有输入变化的近乎恒定的调制器增益简化了环路补偿。外部可编程电流限制提供逐脉冲电流限制,以及使用内部故障计数器的打嗝模式操作,以实现更长持续时间的过载。
| 制造商 | 德州仪器 |
| 制造商产品编号 | TPS40055PWPR |
| 供应商 | 德州仪器 |
| 描述 | IC REG CTRLR BUCK 16HTSSOP |
| 详细描述 | 降压 稳压器 正 输出 降压 - DC DC 切换控制器 IC 16-HTSSOP |
| 类别 | 集成电路(IC)PMIC-稳压器-DCDC开关式控制器 |
| 工作温度 | -40°C~85°C(TA) |
| 安装类型 | 表面贴装型 |
| 封装/外壳 | 16-PowerTSSOP(0.173",4.40mm宽) |
| 供应商器件封装 | 16-HTSSOP |
| 基本产品编号 | TPS40055 |

TPS40055PWPR
| 零件状态 | 在售 |
| 工厂交货时间 | 6周 |
| JESD-609代码 | e4 |
| 无铅代码 | 是的 |
| 终止次数 | 16 |
| ECCN代码 | EAR99 |
| 终端完成 | 镍/钯/金(Ni/Pd/Au) |
| 终端位置 | 鸥翼 |
| 峰值回流温度(Cel) | 260 |
| 输出类型 | 晶体管驱动器 |
| 功能 | 降压 |
| 输出配置 | 正 |
| 输出数 | 1 |
| 输出阶段 | 1 |
| 电压-供电(Vcc/Vdd) | 8V~40V |
| 频率-开关 | 最高1MHz |
| 占空比(最大) | 94% |
| 同步整流器 | 是 |
| 控制特性 | 限流,使能,频率控制,软启动 |
| 案例/包装 | HTSSOPEP |
| 引脚数 | 16 |
| 占空比 | 94% |
| 最大频率 | 1兆赫 |
| 最高工作温度 | 85°C |
| 最大电源电压 | 40V |
| 最低工作温度 | -40°C |
| 最小电源电压 | 8V |
| 输出电流 | 20安 |
| 输出电压 | 35V |
| 打包 | 卷带式(TR) |
| 静态电流 | 1.5mA |
| 开关频率 | 1兆赫 |
| 高度 | 1.2毫米 |
| 长度 | 5毫米 |
| 厚度 | 1毫米 |
| 宽度 | 4.4毫米 |
| 属性 | 描述 |
| RoHS状态 | 符合ROHS3规范 |
| 湿气敏感性等级(MSL) | 2(1年) |
| REACH状态 | 非REACH产品 |
| 无铅 | 无铅 |
| 辐射硬化 | 不 |
| REACH SVHC | 无SVHC |
工作输入电压8V至40V
输入电压前馈补偿
<1%内部0.7V基准
高达1MHz的可编程固定频率
电压模式控制器
用于高端
和同步N沟道MOSFET的内部栅极驱动输出
16引脚PowerPAD™封装(θJC=2°C/W)
热关断
可外部同步
可编程高端检测短路
保护
可编程闭环软启动
仅限TPS40054源
TPS40055源和接收器
TPS40057具有VO预偏置的源和接收器
TPS40055的说明
电源模块
网络和电信
工业领域和服务器

TPS40055PWPR封装
| 零件号 | LM25088MH-1/NOPB | TPS40077PWP | LM3103MHX/NOPB |
| 制造商 | 德州仪器 | 德州仪器 | 德州仪器 |
| 引脚数 | 16 | 16 | 16 |
| 输出数量 | 1 | 1 | 1 |
| 输出电流 | 10安 | 1个 | - |
| 频率-开关 | 50kHz~1MHz | 高达1MHz | 高达1MHz |
| 输入电压(最小值) | - | 4.5V | - |
| 输入电压-标称 | 24伏 | 12伏 | 18伏 |
| 输入电压(最大值) | - | 28伏 | - |
德州仪器(英语:Texas Instruments, TI)是一家位于美国德克萨斯州达拉斯的跨国公司,以开发、制造、销售半导体和计算器技术闻名于世,主要从事数字信号处理与模拟电路方面的研究、制造和销售。它在25个国家有制造、设计或者销售机构。德州仪器是世界第三大半导体制造商,仅次于英特尔,三星;是移动电话的第二大芯片供应商,仅次于高通;同时也是在世界范围内的第一大数字信号处理器(DSP)和模拟半导体组件的制造商,其产品还包括计算器、微控制器以及多核处理器。德州仪器居世界半导体公司20强。