TPS1H100BQPWPRQ1点击型号即可查看芯片规格书
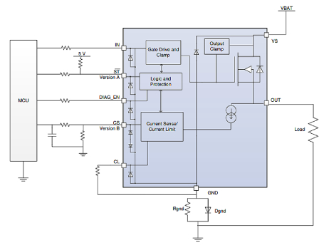
TPS1H100BQPWPRQ1是一款具有全方位保护的高侧电源开关,它集成有NMOS功率FET和电荷泵,专用于对各类阻性、感性和容性负载进行智能控制。精确的电流检测和可编程电流限制特性使该器件从市场中脱颖而出。

TPS1H100BQPWPRQ1
| 制造商 | 德州仪器 |
| 制造商产品编号 | TPS1H100BQPWPRQ1 |
| 供应商 | 德州仪器 |
| 描述 | I2C PWR SWTCH N-CHAN 1:1 14HTSSOP |
| 详细描述 | 电源开关/驱动器 1:1 N 通道 4A 14-HTSSOP |
| 零件状态 | 在售 |
| 开关类型 | 通用 |
| 输出数 | 1 |
| 比率-输入:输出 | 1:1 |
| 输出配置 | 高端 |
| 输出类型 | N通道 |
| 接口 | 开/关 |
| 电压-负载 | 5V~40V |
| 电压-供电(Vcc/Vdd) | 不需要 |
| 电流-输出(最大值) | 4A |
| 导通电阻(典型值) | 80毫欧 |
| 输入类型 | 非反相 |
| 特性 | 状态标志 |
| 故障保护 | 限流(可调),开路负载检测,超温,UVLO |
| 工作温度 | -40°C~125°C(TA) |
| 安装类型 | 表面贴装型 |
| 供应商器件封装 | 14-HTSSOP封装/外壳 |
| 封装/外壳 | 14-TSSOP(0.173",4.40mm宽)裸露焊盘 |
| 基本产品编号 | TPS1H100 |
| 引脚数 | 14 |
| 环境温度范围高 | 125℃ |
| 故障保护 | 过温 |
| 界面 | 开关 |
| 最大结温(Tj) | 150℃ |
| 最高工作温度 | 125℃ |
| 最大输出电流 | 4A |
| 最大电源电压 | 40伏 |
| 最低工作温度 | -40℃ |
| 最小电源电压 | 3.5V |
| 通道数 | 1 |
| 输出数量 | 1 |
| 输出配置 | 高端 |
| 包装 | 卷带(TR) |
| 高度 | 1.2毫米 |
| 长度 | 5毫米 |
| 厚度 | 1毫米 |
| 宽度 | 4.4毫米 |
| 属性 | 描述 |
| RoHS状态 | 符合ROHS3规范 |
| 湿气敏感性等级(MSL) | 3(168小时) |
| REACH状态 | 非REACH产品 |
| 无铅 | 无铅 |
符合汽车应用要求
AEC-Q100符合以下结果:
器件温度等级1:–40°C至125°C环境工作温度范围
器件HBMESD分类等级H3A
设备CDMESD分类级别C4B
功能安全能力
可用于帮助功能安全系统设计的文档
具有全面诊断功能的单通道智能高端电源开关
版本A:开漏状态输出
版本B:电流感应模拟输出
宽工作电压3.5至40V
极低的待机电流,<0.5µA
工作结温,–40至150°C
输入控制,3.3V和5V逻辑兼容
高精度电流检测,1A时为±30mA,5mA时为±4mA
带有外部电阻器的可编程电流限制,0.5A时为±20%
用于单片机模拟或数字接口复用的诊断使能功能
根据AECQ100-12A级测试,100万次对地短路测试
ISO7637-2和ISO16750-2的电气瞬态干扰抗扰度认证
保护
过载和短路保护
感性负载负电压钳位
欠压锁定(UVLO)保护
具有自恢复功能的热关断/摆动
LossofGND,失去电源保护
使用外部电路进行反向电池保护
诊断
开和关状态输出开路和电池短路检测
过载和对地短路检测和电流限制
热关断/摆动检测
14引脚热增强型PWP封装
适用于低功率灯的电源开关
高侧继电器和电磁阀
PLC数字输出电源开关
一般阻性、感性和容性负载

TPS1H100BQPWPRQ1符号

TPS1H100BQPWPRQ1焊垫

TPS1H100BQPWPRQ1 3D模型

TPS1H100BQPWPRQ1封装
德州仪器(TI)是一家美国技术公司,总部设在达拉斯,德克萨斯州,设计和制造半导体及各种集成电路,它出售给电子产品设计者和全球制造商。按销售额计算,它是全球前10名的半导体公司之一。公司的重点是开发模拟芯片和嵌入式处理器,它们占其收入的80%以上。TI也生产TI数字光处理技术和教育技术产品包括计算器、微控制器和多核处理器。截至2016年,公司在全球拥有45000项专利。在股市中,德州仪器通常被视为半导体和电子行业整体的指标,截至2018年,TI在财富500强美国最大公司名单中按收入排名第192位。