TLC555IDR点击型号即可查看芯片规格书
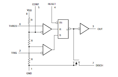
TLC555IDR是一款采用TILinCMOS™工艺制造的单片计时电路。该计时器与CMOS、TTL和MOS逻辑器件完全兼容,可在高达2MHz的频率下正常工作。由于输入阻抗较高,此器件可支持比NE555或LM555所支持的计时电容器更小的计时电容器。因此,可实现更加准确的延时时间和振荡。在整个电源电压范围内可保持较低功耗。TLC555IDR有一个约等于电源电压三分之一的触发电平以及一个约等于电源电压三分之二的阈值电平。可使用控制电压端子(CONT)来改变这些电平。当触发输入(TRIG)下降至低于触发电平的时候,触发器被设定并且输出变为高电平。如果TRIG高于触发电平并且阈值输入(THRES)在阈值电平之上的话,触发器被复位并且输出为低电平。复位输入(RESET)的优先级高于所有其它输入并且可被用来启动一个新的定时周期。如果RESET为低电平,触发器被复位并且输出为低电平。只要当输出为低电平,在放电端子(DISCH)和接地(GND)之间提供一个低阻抗路径。所有未用输入端必须接入合适的逻辑电平以免发生误触发。
| 制造商 | 德州仪器 |
| 制造商产品编号 | TLC555IDR |
| 供应商 | 德州仪器 |
| 描述 | IC OSC SGL 定时器 2.1MHZ 8-SOIC |
| 详细描述 | 555 型,计时器/振荡器(单路) IC 2.1MHz 8-SOIC |
| 类别 | 集成电路(IC)时钟/定时-可编程定时器和振荡器 |
| 工作温度 | -40°C~85°C |
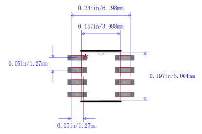
| 封装/外壳 | 8-SOIC(0.154",3.90mm宽) |
| 供应商器件封装 | 8-SOIC |
| 安装类型 | 表面贴装型 |
| 基本产品编号 | TLC555 |

TLC555IDR
| 零件状态 | 在售 |
| 类型 | 555型,定时器/振荡器(单个) |
| 频率 | 2.1MHz |
| 电压-电源 | 3V~15V |
| 供电 | 360µA |
| 箱/包 | 集成电路 |
| 引脚数 | 8 |
| 环境温度范围高 | 85℃ |
| 高电平输出电流 | -10mA |
| 低电平输出电流 | 100mA |
| 最高工作温度 | 85℃ |
| 最大功耗 | 725兆瓦 |
| 最大电源电压 | 15伏 |
| 最低工作温度 | -40℃ |
| 最小电源电压 | 2伏 |
| 定时器/计数器的数量 | 1 |
| 工作电源电流 | 360µA |
| 包装 | 剪胶带 |
| 功耗 | 725兆瓦 |
| 静态电流 | 250µA |
| 高度 | 1.75毫米 |
| 长度 | 4.9毫米 |
| 厚度 | 1.58毫米 |
| 宽度 | 3.91毫米 |
| 属性 | 描述 |
| RoHS状态 | 符合ROHS3 |
| 湿气敏感度(MSL) | 1(无限制) |
| REACH状态 | REACH不受影响 |
| 无铅 | 是 |
| 辐射硬化 | 否 |
| 达到高度关注物质 | 无高度关注物质 |
极低的功耗:
VDD=5V时典型值为1mW
能够在非稳态模式下运行
CMOS输出能够摆动轨到轨
高输出电流能力
灌电流:100mA典型值
来源:10mA典型值
输出完全兼容CMOS、TTL和MOS
低电源电流可减少输出转换期间的尖峰
2V至15V单电源供电
与NE555功能互换;有相同的引脚
根据MIL-STD-883C,方法3015.2,ESD保护超过2000V
可用于Q-temp汽车
高可靠性汽车应用
配置控制和打印支持
汽车标准资质
精确计时
脉冲发生
顺序计时
延时时间生成
脉宽调制
脉冲位置调制
线性斜坡发生器

TLC555IDR符号

TLC555IDR焊垫

TLC555IDR 3D模型

TLC555IDR封装
| 型号 | 制造商 | 品名 | 描述 |
| TLC555IDG4 | 德州仪器 | 时钟信号器件 | 芯片,低功率定时器,SOIC 2.1MHz 2V 8Pin |
| TLC555IDR | 德州仪器 | 时钟信号器件 | 芯片,定时器,单路,2.1MHz, 15V, 8-SOIC |
| TLC555CDR | 德州仪器 | 时钟信号器件 | 芯片,定时器,SOIC 2.1MHz 2V 8Pin |
德州仪器(TI)是一家美国技术公司,总部设在达拉斯,德克萨斯州,设计和制造半导体及各种集成电路,它出售给电子产品设计者和全球制造商。按销售额计算,它是全球前10名的半导体公司之一。公司的重点是开发模拟芯片和嵌入式处理器,它们占其收入的80%以上。TI也生产TI数字光处理技术和教育技术产品包括计算器、微控制器和多核处理器。截至2016年,公司在全球拥有45000项专利。在股市中,德州仪器通常被视为半导体和电子行业整体的指标,截至2018年,TI在财富500强美国最大公司名单中按收入排名第192位。