SN74LVC244APWR点击型号即可查看芯片规格书
SN74LVC244APWR是具有三态输出的八进制缓冲器/驱动器,专为1.65至3.6VVCC操作而设计。该设备还设计用于数据总线之间的异步通信。该设备被组织为两个4位缓冲器/线路驱动器,带有单独的输出使能(OE)输入。当OE为低电平时,器件将数据从A输入传送到Y输出。当OE为高电平时,输出处于高阻抗状态。为确保上电或断电时处于高阻状态,OE应通过上拉电阻连接到VCC,电阻的最小值由驱动器的电流吸收能力决定。
| 制造商 | 德州仪器 |
| 制造商产品编号 | SN74LVC244APWR |
| 供应商 | 德州仪器 |
| 描述 | I2C BUF 同相 3.6V 20TSSOP |
| 详细描述 | 缓冲器,非反向 2 元件 4 位每元件 三态 Output 20-TSSOP |
| 类别 | 集成电路(IC)逻辑-缓冲器,驱动器,接收器,收发器 |
| 系列 | 74LVC |
| 工作温度 | -40°C~125°C(TA) |
| 安装类型 | 表面贴装型 |
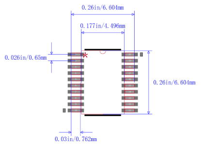
| 封装/外壳 | 20-TSSOP(0.173",4.40mm宽) |
| 供应商器件封装 | 20-TSSOP |
| 基本产品编号 | 74LVC244 |

SN74LVC244APWR
| 零件状态 | 在售 |
| 逻辑类型 | 缓冲器,同相 |
| 输出类型 | 三态 |
| 电流-输出高、低 | 24mA、24mA |
| 电压-电源 | 1.65V~3.6V |
| 箱/包 | TSSOP |
| 引脚数 | 20 |
| 高电平输出电流 | -24mA |
| 逻辑功能 | 缓冲器,反相 |
| 低电平输出电流 | 24mA |
| 最大结温(Tj) | 150℃ |
| 最大功耗 | 500毫瓦 |
| 最大电源电压 | 3.6V |
| 最小电源电压 | 1.65伏 |
| 位数 | 8 |
| 通道数 | 8 |
| 电路数 | 8 |
| 门数 | 8 |
| 输入行数 | 8 |
| 输入数量 | 8 |
| 输出线数 | 8 |
| 输出数量 | 8 |
| 包装 | 剪胶带 |
| 极性 | 同相 |
| 传播延迟 | 5.7纳秒 |
| 静态电流 | 1微安 |
| 终止 | 贴片/贴片 |
| 开启延迟时间 | 19.8纳秒 |
| 高度 | 1.2毫米 |
| 长度 | 6.5毫米 |
| 厚度 | 1毫米 |
| 宽度 | 4.4毫米 |
| 属性 | 描述 |
| RoHS状态 | 符合ROHS3 |
| 湿气敏感度(MSL) | 1(无限制) |
| REACH状态 | REACH不受影响 |
| 无铅 | 无铅 |
| 辐射硬化 | 不 |
| 达到高度关注物质 | 无高度关注物质 |
IOFF支持带电插入、部分掉电模式和反向驱动保护
允许降压转换
支持所有端口的混合模式信号操作
输入接受5.5V的电压
每个JESD17的闩锁性能超过250mA
3.3V时为5.9ns传播延迟(tpd)
<0.8V,VCC=3.3V,TA=25°CVOLP(输出接地反弹)
>2VatVCC=3.3V,TA=25°CVOHV(输出VOH下冲)
绿色产品,不含Sb/Br
工业
消费电子
无线
成像
视频与视觉
信号处理
电机驱动与控制

SN74LVC244APWR符号

SN74LVC244APWR脚印

SN74LVC244APWR封装
| 型号 | 制造商 | 品名 | 描述 |
| SN74LVC244ADBR | 德州仪器 | 逻辑控制器 | 74LVC系列低功率CMOS逻辑集IC的一系列反相器和缓冲器,1.65至3.6V |
| SN74LVC244APWRG3 | 德州仪器 | 逻辑控制器 | 八路缓冲器/驱动器,具有三态输出,TSSOP8Bit,2Vto3.6V,20Pin |
| SN74LVC244APWT | 德州仪器 | 逻辑控制器 | 八路缓冲器/驱动器,具有三态输出,TSSOP-20,8Bit,2Vto3.6V,20Pin |
德州仪器(英语:Texas Instruments, TI)是一家位于美国德克萨斯州达拉斯的跨国公司,以开发、制造、销售半导体和计算器技术闻名于世,主要从事数字信号处理与模拟电路方面的研究、制造和销售。它在25个国家有制造、设计或者销售机构。德州仪器的半导体产品几乎占了其收入的85%(2003年数据)。在包括数字信号处理器、数字模拟转换器、模拟数字转换器、能源管理、模拟集成电路等不同产品领域都占据领先位置。