SN65LBC184P点击型号即可查看芯片规格书
SN65LBC184P器件是差分数据线收发器,采用SN75176的贸易标准封装,内置高能量噪声瞬变保护。与大多数现有设备相比,此功能显着提高了可靠性,从而更好地抵抗耦合到数据电缆的噪声瞬变。使用这些电路可提供可靠的低成本直接耦合(无隔离变压器)数据线接口,无需任何外部组件。SN65LBC184P可以承受400W峰值(典型值)的过压瞬变。IEC61000-4-5中提到的传统组合波模拟过电压瞬变并模拟由开关和二次闪电瞬变引起的过电压引起的单向浪涌。
| 制造商 | 德州仪器 |
| 制造商产品编号 | SN65LBC184P |
| 供应商 | 德州仪器 |
| 描述 | IC 收发器半 1/1 8DIP |
| 详细描述 | 半 收发器 1/1 RS422,RS485 8-PDIP |
| 类别 | 集成电路(IC)接口-驱动器,接收器,收发器 |
| 工作温度 | -40°C~85°C |
| 安装类型 | 通孔 |
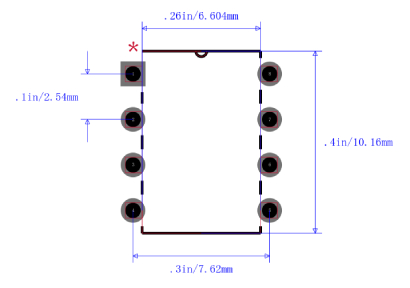
| 封装/外壳 | 8-DIP(0.300",7.62mm) |
| 供应商器件封装 | 8-PDIP |
| 基本产品编号 | 65LBC184 |

SN65LBC184P
| 零件状态 | 在售 |
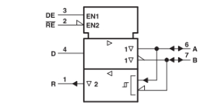
| 驱动器/接收器的数量 | 1/1 |
| 接收器迟滞 | 70毫伏 |
| 数据速率 | 250kbps |
| 电压-电源 | 4.75V~5.25V |
| 供电电流 | 25mA |
| 箱/包 | PDIP |
| 引脚数 | 8 |
| ESD保护 | 是 |
| 界面 | RS-485 |
| 逻辑功能 | 收发器 |
| 最大电源电流 | 25mA |
| 最大电源电压 | 5.25伏 |
| 最小电源电压 | 4.75伏 |
| 标称电源电流 | 25mA |
通道数 | 1 |
| 接收器数量 | 1 |
| 收发器数量 | 1 |
| 发射机数量 | 1 |
| 工作电源电流 | 25mA |
| 工作电源电压 | 5伏 |
| 单工/双工 | 半双工 |
| 高度 | 5.08毫米 |
| 长度 | 9.81毫米 |
| 厚度 | 3.9毫米 |
| 宽度 | 6.35毫米 |
| 属性 | 描述 |
| RoHS状态 | 符合ROHS3 |
| 湿气敏感度(MSL) | 1(无限制) |
| REACH状态 | REACH不受影响 |
| 无铅 | 无铅 |
| 辐射硬化 | 不 |
| 达到高度关注物质 | 无高度关注物质 |
集成瞬态电压抑制
受控的驱动器输出电压压摆率允许更长的电缆短截线长度
开路故障安全接收器设计
1/4单位负载(总线上最多128个节点)
热关断保护
上电和断电故障保护
与SN75176引脚兼容
250kbps在电噪声环境中
300µA最大低禁用电源电流
0.25Mbps最大信令速率
15kVHBMESD
128节点数
-7至12V共模范围
通信与网络
计量
电机驱动与控制
信号处理

SN65LBC184P封装
| 型号 | 制造商 | 品名 | 描述 |
| SN65LBC184PE4 | 德州仪器 | 接口芯片 | 差分收发器,瞬态电压抑制,SOIC,8Pin,4.75V,250kbps |
| SN75LBC184P | 德州仪器 | 接口芯片 | 收发器,RS485,4.75V-5.25电源,DIP-8 |
| SN65LBC184PG4 | 德州仪器 | 接口芯片 | -40℃~85℃,无铅,4.75V~5.25V |
德州仪器(英语:Texas Instruments, TI)是一家位于美国德克萨斯州达拉斯的跨国公司,以开发、制造、销售半导体和计算器技术闻名于世,主要从事数字信号处理与模拟电路方面的研究、制造和销售。它在25个国家有制造、设计或者销售机构。德州仪器的半导体产品几乎占了其收入的85%(2003年数据)。在包括数字信号处理器、数字模拟转换器、模拟数字转换器、能源管理、模拟集成电路等不同产品领域都占据领先位置。