REF5025AIDR点击型号即可查看芯片规格书
REF5025AIDR是一系列低噪声、低漂移、非常高精度的电压基准。这些基准能够吸收和拉出电流,并具有出色的线路和负载调整率。使用专有设计技术可实现出色的温度漂移(3ppm/°C)和高精度(0.05%)。这些特性与极低的噪声相结合,使REF5025AIDR成为高精度数据采集系统的理想选择。每个参考电压都有高等级和标准等级,参考电压采用8引脚VSSOP和SOIC封装,额定温度范围为–40°C至125°C。
| 制造商 | 德州仪器 |
| 制造商产品编号 | REF5025AIDR |
| 供应商 | 德州仪器 |
| 描述 | IC VREF 系列 0.1% 8SOIC |
| 详细描述 | 系列 电压基准 IC ±0.1% 8-SOIC |
| 类别 | 集成电路(IC)PMIC-电压基准 |
| 工作温度 | -40°C~125°C(TA) |
| 安装类型 | 表面贴装型 |
| 封装/外壳 | 8-SOIC(0.154",3.90mm宽) |
| 供应商器件封装 | 8-SOIC |
| 基本产品编号 | REF5025 |

REF5025AIDR
| 箱/包 | 集成电路 |
| 引脚数 | 8 |
| 最大输入电压 | 18伏 |
| 最高工作温度 | 125℃ |
| 最大输出电流 | 10mA |
| 最大输出电压 | 2.5伏 |
| 最小输入电压 | 2.7伏 |
| 最低工作温度 | -40℃ |
| 最小输出电压 | 2.5伏 |
| 标称电源电流 | 800µA |
| 通道数 | 1 |
| 工作电源电流 | 1.2mA |
| 输出电流 | 10mA |
| 输出类型 | 固定 |
| 输出电压 | 2.5伏 |
| 包装 | 卷带(TR) |
| 静态电流 | 1mA |
| 引用类型 | 系列 |
| 参考电压 | 2.5伏 |
| 温度系数 | 3ppm/°C |
| 高度 | 1.75毫米 |
| 长度 | 4.9毫米 |
| 厚度 | 1.58毫米 |
| 宽度 | 3.91毫米 |
| 属性 | 描述 |
| RoHS状态 | 符合ROHS3 |
| 湿气敏感度(MSL) | 2(1年) |
| REACH状态 | REACH不受影响 |
| 辐射硬化 | 不 |
| 达到高度关注物质 | 未知 |
| 无铅 | 无铅 |
低温漂移:
高级:3ppm/°C(最大值)
标准级:8ppm/°C(最大值)
高精确度:
高级:0.05%(最大)
标准等级:0.1%(最大)
低噪声:3µVPP/V
卓越的长期稳定性:
50ppm/1000小时(典型值)前1000小时(VSSOP)
25ppm/1000小时(典型值)第二个2000小时(VSSOP)
高输出电流:±10mA
温度范围:–40°C至125°C
精密数据采集系统
半导体测试设备
工业过程控制
医疗仪器
压力和温度变送器
实验室和现场仪器

REF5025AIDR符号

REF5025AIDR焊垫

REF5025AIDR 3D模型

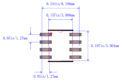
REF5025AIDR封装
| 型号 | 制造商 | 品名 | 描述 |
| REF5025AIDR | 德州仪器 | 电压基准芯片 | 电压参考系列-固定,2.5V参考,±3ppm/°C,SOIC-8新 |
| REF5025AID | 德州仪器 | 电压基准芯片 | 精密固定和可调电压参考IC利用串联、并联或串联/并联拓扑,电压参考的初始准确度为±0.02至±2% |
| REF5025AIDGKT | 德州仪器 | 电压基准芯片 | 电压参考的初始准确度为±0.02至±2%。串联电压参考,固定,2.5V至3.3V |
德州仪器(英语:Texas Instruments, TI)是一家位于美国德克萨斯州达拉斯的跨国公司,以开发、制造、销售半导体和计算器技术闻名于世,主要从事数字信号处理与模拟电路方面的研究、制造和销售。它在25个国家有制造、设计或者销售机构。德州仪器是世界第三大半导体制造商,仅次于英特尔,三星;是移动电话的第二大芯片供应商,仅次于高通;同时也是在世界范围内的第一大数字信号处理器(DSP)和模拟半导体组件的制造商,其产品还包括计算器、微控制器以及多核处理器。德州仪器居世界半导体公司20强。