TLV70230DBVR点击型号即可查看芯片规格书
TLV70230DBVR低压差(LDO)线性稳压器是低静态电流器件,具有出色的线路和负载瞬态性能。这些LDO专为功耗敏感的应用而设计。精密带隙和误差放大器提供2%的总体准确度。低输出噪声、非常高的电源抑制比(PSRR)和低压降电压使该系列器件成为多种电池供电手持设备的理想选择。所有器件版本都具有热关断和电流限制以确保安全。此外,这些器件的有效输出电容仅为0.1µF,非常稳定。此功能允许使用具有更高偏置电压和温度降额的经济高效的电容器。这些设备在没有输出负载的情况下调节到指定的精度。TLV70230DBVR还提供有源下拉电路以快速对输出放电。

TLV70230DBVR
| 制造商 | 德州仪器 |
| 制造商产品编号 | TLV70230DBVR |
| 供应商 | 德州仪器 |
| 说明 | IC REG LINEAR 3V 300MA SOT23-5 |
| 详细说明 | 线性稳压IC正固定1输出300mASOT-23-5 |
| 产品 | 线性稳压器 |
| 类型 | 低静态电流低压差线性稳压器 |
| PSRR/纹波抑制-类型 | 68分贝 |
| 零件状态 | 活性 |
| 调节器数量 | 1 |
| 电压-输入(最大) | 5.5V |
| 电压-输出(最小/固定) | 3V |
| 压降(最大值) | 0.38V@300mA |
| 电流-输出 | 300mA |
| 电流-静态(Iq) | 55µA |
| 电流-电源(最大) | 370µA |
| PSRR | 68dB(1kHz) |
| 控制功能 | 启用 |
| 保护功能 | 过流、过温、反极性、欠压锁定(UVLO) |
| 工作温度 | -40°C~125°C(TJ) |
| 安装方式 | 表面贴装 |
| 包装/箱 | SC-74A、SOT-753 |
| 供应商设备包 | SOT-23-5 |
| 箱/包 | SOT-23 |
| 引脚数 | 5 |
| 精度 | 2% |
| 压差 | 220毫伏 |
| 最大输入电压 | 5.5V |
| 最大输出电流 | 300mA |
| 最大输出电压 | 3伏 |
| 最大功耗 | 500毫瓦 |
| 最小电流限制 | 320mA |
| 最小输入电压 | 2伏 |
| 最小输出电压 | 3伏 |
| 包装 | 磁带和卷轴 |
| 静态电流 | 30µA |
| 高度 | 1.45毫米 |
| 长度 | 2.9毫米 |
| 厚度 | 1.2毫米 |
| 宽度 | 1.6毫米 |
| 属性 | 说明 |
| RoHS状态 | 符合ROHS3 |
| 湿气敏感度 | (MSL)1(无限制) |
| 辐射硬化 | 否 |
| REACH状态 | REACH不受影响 |
极低压差
2%准确度
低IQ:35µA
1.2V至4.8V范围内可能的固定输出电压组合
高PSRR:1kHz时为68dB
稳定,有效电容为0.1µF(1)
热关断和过流保护
封装:5引脚SOT-23和1.5mm×1.5mm、
6引脚WSON

TLV70230DBVR符号

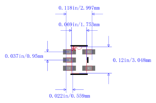
TLV70230DBVR脚印

TLV70230DBVR封装
| 型号 | 制造商 | 品名 | 描述 |
| TLV70230DBVT | 德州仪器 | 稳压芯片 | 固定电压稳压器, LDO, 2V至5.5V, 220mV压差, 3V输出 |
| ADP160AUJZ-3.0-R7 | 亚德诺 | 稳压芯片 | LDO(低压降)线性稳压器,3.xV 输出 |
德州仪器(TI)是一家美国技术公司,总部设在达拉斯,德克萨斯州,设计和制造半导体及各种集成电路,它出售给电子产品设计者和全球制造商。按销售额计算,它是全球前10名的半导体公司之一。公司的重点是开发模拟芯片和嵌入式处理器,它们占其收入的80%以上。TI也生产TI数字光处理技术和教育技术产品包括计算器、微控制器和多核处理器。截至2016年,公司在全球拥有45000项专利。在股市中,德州仪器通常被视为半导体和电子行业整体的指标,因为该公司的产品几乎用于所有电子产品。