CSD17573Q5B点击型号即可查看芯片规格书
BQ77PL900DLR这款0.84mΩ、30V、SON5mmx6mmNexFET功率MOSFET被设计成在功率转换应用中最大限度地降低功率损耗。用于网络互联,电信和计算系统的负载点同步降压转换器,已针对同步场效应晶体管(FET)应用进行优化。

CSD17573Q5B
| 制造商 | 德州仪器 |
| 制造商产品编号 | CSD17573Q5B |
| 供应商 | 德州仪器 |
| 描述 | MOSFET N-CH 30V 100A 8VSON |
| 零件状态 | 活性 |
| 场效应管类型 | N通道 |
| 技术 | MOSFET(金属氧化物) |
| 漏源电压(Vdss) | 30伏 |
| 电流 - 连续漏极 (Id) @ 25°C | 100A(Ta) |
| 驱动电压 (Max Rds On, Min Rds On) | 4.5V、10V |
| Rds On (Max) @ Id, Vgs 1mOhm @ | 35A, 10V |
| Vgs(th) (Max) @ Id | 1.8V@250µA |
| 栅极电荷 (Qg)(最大值)@ Vgs | 64 nC@4.5V |
| Vgs(最大) | ±20V |
| 输入电容 (Ciss) (Max) @ Vds | 9000pF@15V |
| 功耗(最大) | 3.2W (Ta), 195W(Tc) |
| 工作温度 | -55°C ~ 150°C(TJ) |
| 安装方式 | 表面贴装 |
| 供应商设备包 | 8-VSON-CLIP(5x6) |
| 包装/箱 | 8-PowerTDFN |
| 连续漏极电流 (ID) | 43A |
| 漏源击穿电压 | 30伏 |
| 漏源电阻 | 840µΩ |
| 漏源电压 (Vdss) | 30伏 |
| 秋季时间 | 7纳秒 |
| 栅源电压 (Vgs) | 20伏 |
| 输入电容 | 9nF |
| 最大结温 (Tj) | 150℃ |
| 最高工作温度 | 150℃ |
| 最大功耗 | 3.2 瓦 |
| 最低工作温度 | -55℃ |
| 通道数 | 1 |
| 包装 | 卷带(TR) |
| 功耗 | 3.2瓦 |
| 最大Rds | 1毫欧 |
| 上升时间 | 20纳秒 |
| 关断延迟时间 | 40纳秒 |
| 开启延迟时间 | 6纳秒 |
| 高度 | 1.05毫米 |
| 长度 | 5毫米 |
| 厚度 | 950微米 |
| 宽度 | 5毫米 |
| 属性 | 描述 |
| RoHS状态 | 符合ROHS3 |
| 湿气敏感度(MSL) | 1(无限制) |
| REACH状态 | REACH受影响 |
低Qg和Qgd
超低RDS(on)
低热阻
雪崩额定值
无铅端子电镀
符合RoHS
无卤
SON5mm×6mm塑料封装
用于网络互联、电信和计算系统的负载点同步降压转换器
已针对同步FET应用进行优化

CSD17573Q5B符号

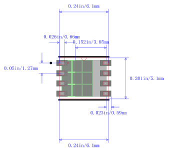
CSD17573Q5B脚印

CSD17573Q5B封装
| 型号 | 制造商 | 品名 | 描述 |
| CSD17573Q5BT | 德州仪器 | MOS管 | MOS管 N 通道 NexFET™ 功率 MOSFET,Texas Instruments MOSFET 晶体管 |
德州仪器(英语:TexasInstruments,简称:TI),是美国德克萨斯州一家半导体跨国公司,以开发、制造、销售半导体和计算机技术闻名于世,主要从事创新型数字信号处理与模拟电路方面的研究、制造和销售。除半导体业务外,还提供包括传感与控制、教育产品和数字光源处理解决方案。德州仪器(TI)总部位于美国德克萨斯州的达拉斯,并在25多个国家设有制造、设计或销售机构。德州仪器是世界第一大数字信号处理器(DSP)和模拟电路元件制造商,其模拟和数字信号处理技术在全球具有统治地位。在连续收购飞索半导体制造部门、成都成芯半导体之后,2011年德州仪器以65亿美元收购美国国家半导体(NationalSemiconductor),进一步强化德仪的模拟半导体巨头地位。