BQ7693003DBTR点击型号即可查看芯片规格书
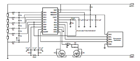
德州仪器(TI)BQ7693003DBTR锂离子和磷酸锂电池监视器是一款强大的模拟前端(AFE)设备,可作为用于下一代高功率系统(例如轻型电动汽车)的完整电池组监控和保护解决方案的一部分、电动工具和不间断电源。BQ7693003DBTR的设计考虑了低功耗:可以启用/禁用IC内的子块以控制整体芯片电流消耗,并且SHIP模式提供了一种将电池组置于超低功耗状态的简单方法。这款来自德州仪器(TI)的电池监控BQ7693003DBTR充电控制器执行各种功能,例如电池充电、检测何时存在外部电源以及确定安全工作温度。该产品将采用卷带包装运输,以便快速安装和安全交付。该器件的最低工作电源电压为6V,最高为25V。该器件采用锂离子电池供电。此电池电量计的最低工作温度为-40°C,最高为85°C。
| 制造商 | 德州仪器 |
| 制造商产品编号 | BQ7693003DBTR |
| 供应商 | 德州仪器 |
| 描述 | IC BATT MON MULTI 6-10C 30TSSOP |
| 详细描述 | 电池 电池监控器 IC 多化学 30-TSSOP |
| 工作温度 | -40°C~85°C(TA) |
| 安装类型 | 表面贴装型 |
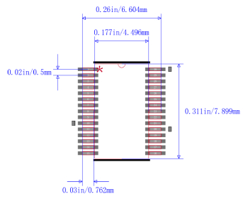
| 封装/外壳 | 30-TFSOP(0.173",4.40mm宽) |
| 供应商器件封装 | 30-TSSOP |
| 基本产品编号 | BQ76930 |

BQ7693002DBTR
| 包裹 | TSSOP |
| 功能 | 电池监视器 |
| 电池化学 | 多化学 |
| 故障保护 | 过流、过压/欠压、短路 |
| 界面 | I2C |
| 包装盒 | 30-TFSOP(0.173 英寸,4.40 毫米宽) |
| 供应商-设备-包 | 30-TSSOP |
| 最高工作温度 | 85℃ |
| 最大电源电压 | 25伏 |
| 最低工作温度 | -40℃ |
| 最小电源电压 | 6伏 |
| 输出数量 | 2 |
| 工作电源电压 | 25伏 |
| 输出电压 | 16伏 |
| 高度 | 1.2毫米 |
| 长度 | 7.8毫米 |
| 厚度 | 1毫米 |
| 宽度 | 4.4毫米 |
| 6Vin(最大值)(V) | 50 |
| 特征 | 低端驱动,放电保护过流,短路检测 |
| 串联电池数量(最大) | 10 |
| 属性 | 描述 |
| RoHS状态 | 符合ROHS3 |
| 湿气敏感度(MSL) | 2(1年) |
| REACH状态 | REACH不受影响 |
AFE 监控功能
纯数字接口
内部 ADC 测量电池电压、芯片温度和外部热敏电阻
单独的内部 ADC 测量电池组电流(库仑计数器)
直接支持多达三个热敏电阻 (103AT)
硬件保护功能
放电过电流 (OCD)
放电短路 (SCD)
过压 (OV)
欠压 (UV)
二次保护器故障检测
附加功能
集成电池平衡 FET
充电、放电低侧 NCH FET 驱动器
主机微控制器的警报中断
2.5V 或 3.3V 输出稳压器
无需 EEPROM 编程
高电源电压绝对最大值(高达 108 V)
简单的 I 2 C 兼容接口(CRC 选项)
随机单元连接容忍
轻型电动车辆(LEV)
电动自行车(eBike)
电动踏
板车(eScooter)
脚踏电动自行车(Pedelec)
踏板辅助自行车
电动和园艺工具

BQ7693003DBTR象征

BQ7693003DBTR脚印

BQ7693003DBTR封装
| 型号 | 制造商 | 品名 | 描述 |
| BQ7693003DBT | 德州仪器 | 电池管理芯片 | BQ7693003DBT管装,电池监控/电量计锂离子/锂聚合物/LiFePO40Vto16V30-PinTSSOPTube |
德州仪器(英语:TexasInstruments,简称:TI),是美国德克萨斯州一家半导体跨国公司,以开发、制造、销售半导体和计算机技术闻名于世,主要从事创新型数字信号处理与模拟电路方面的研究、制造和销售。除半导体业务外,还提供包括传感与控制、教育产品和数字光源处理解决方案。德州仪器(TI)总部位于美国德克萨斯州的达拉斯,并在25多个国家设有制造、设计或销售机构。德州仪器是世界第一大数字信号处理器(DSP)和模拟电路元件制造商,其模拟和数字信号处理技术在全球具有统治地位。在连续收购飞索半导体制造部门、成都成芯半导体之后,2011年德州仪器以65亿美元收购美国国家半导体(NationalSemiconductor),进一步强化德仪的模拟半导体巨头地位。