AD9467BCPZ-250点击型号即可查看芯片规格书
AD9467BCPZ-250是一款16位、单芯片、中频(IF)采样模数转换器(ADC),针对高性能、宽带宽和易用性而优化。这款产品以250MSPS的转换速率工作,设计用于要求高动态范围的无线接收机、仪器仪表和测试设备。该ADC要求采用1.8V和3.3V电源供电及低压差分输入时钟信号,以便充分发挥其工作性能。对于大多数应用来说,无需外部基准电压源或驱动器件。数据输出为LVDS兼容(ANSI-644兼容),而且包括能降低短迹线所需总电流的方式。
产品型号 | AD9467BCPZ-250 |
描述 | I2C ADC 16BIT 流水线 72LFCSP |
类别 | 集成电路 (IC),数据采集 - 模数转换器 (ADC) |
制造商 | ADI公司 |
电压 - 电源,模拟 | 1.8V、3.3V |
电压 - 电源,数字 | 1.7V ~ 1.9V |
工作温度 | -40°C ~ 85°C |
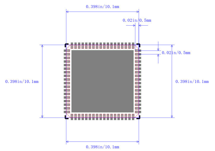
包装/箱 | 72-VFQFN 裸露焊盘,CSP |
供应商设备包 | 72-LFCSP-VQ (10x10) |
基本零件号 | AD9467 |

AD9467BCPZ-250
产品种类 | 模数转换器 - ADC |
零件状态 | 活性 |
转换器类型 | ADC,闪存方式 |
转换时间-最大 | 0.004 微秒 |
JESD-30 代码 | S-XQCC-N72 |
JESD-609 代码 | e3 |
线性误差-最大值 (EL) | 0.0145% |
模拟输入通道数 | 1.0 |
位数 | 16 |
功能数量 | 1 |
终端数量 | 72 |
输出位代码 | 偏移二进制,2 的补码二进制,灰码 |
输出格式 | 平行,字 |
峰值回流温度 (℃) | 260 |
采样率 | 250.0 兆赫 |
子类别 | 模数转换器 |
电源电压-Nom | 1.8 伏 |
安装方式 | 表面贴装 |
技术 | CMOS |
温度等级 | 工业 |
终端完成 | 哑光锡 (Sn) |
终端形式 | 无铅 |
终端间距 | 0.5 毫米 |
终端位置 | 四边形 |
长度 | 10.0 毫米 |
宽度 | 10.0 毫米 |
高度 | 0.9 毫米 |
包装代码 | HVQCCN |
包等效代码 | LCC72,.39SQ,20 |
包装形状 | 正方形 |
包装风格 | 芯片载体,散热器/塞,非常薄的外形 |
制造商包装说明 | 10 X 10 MM,符合 ROHS,MO-220VNND-4,LFCSP-72 |
| 属性 | 描述 |
| 无铅 | 含铅 |
| 达到高度关注物质 | 无高度关注物质 |
RoHS 状态 | 符合 ROHS3 |
湿气敏感度 (MSL) | 3(168 小时) |
在250毫秒时信噪比为75.5dBFS至210MHz
在250毫秒时SFDR为90dBFS至300MHz
在170MHz时SFDR为250毫秒时
60fs均方根抖动
在250毫秒/秒时具有良好的线性
2伏p-p至2.5伏p-p(默认)差动满标度
集成输入缓冲器
外部参考支持选项
时钟占空比稳定器
输出时钟可用
串口控制
低压DS输出(ANSI-644兼容)
1.8V和3.3V电源操作
多载波、多模蜂窝接收机
天线阵定位
功率放大器线性化
宽带无线
雷达
红外成像
通信仪器

AD9467BCPZ-250符号

AD9467BCPZ-250脚印

AD9467BCPZ-250封装
型号 | 制造商 | 品名 | 描述 |
AD9467BCPZRL7-250 | ADI | 模数转换器 | 16-Bit,200MSPS/250MSPS |
AD9467BCPZ-200 | ADI | 模数转换器 | 16位,200MSPS/250MSPS |
AD9608BCPZ-105 | ADI | 模数转换器 | 10位,105MSPS,单,1.7V,1.9V,LFCSP |
亚德诺半导体技术有限公司(英语:Analog Devices,NYSE:ADI)是一家财富500强美国的跨国半导体装置生产商,公司总部设在美国马萨诸塞州诺伍德市,设计和制造基地遍布全球。亚德诺半导体技术有限公司专为消费与工业产品制造ADC、DAC、MEMS与DSP芯片。由于ADI专注于创造更具创新、更可靠的产品,ADI不仅将持续处于技术领先地位,还将证明,ADI的产品的与众不同是为客户创造巨大价值的关键所在。