MK20DX256VLH7点击型号即可查看芯片规格书
MK20DX256VLH7是Kinetis K20 72MHz微控制器,为中等性能Kinetis产品组合提供了一个可扩展的入口点,具有各种集成度,高精度模拟集成和灵活的低功耗,以及具有可配置分辨率的16位ADC、单或差分o/p模式可实现更好的噪声抑制。并且Kinetis K2x微控制器进一步优化用于具有领先工业功耗的性能并提供能实现进一步BOM成本减少的更精简的集成。设备从小型5x5mm32QFN封装的32KB闪存扩展至144引脚MAPBGA封装的高达1MB闪存。
产品型号 | MK20DX256VLH7 |
描述 | IC MCU 32BIT 256KB闪存64LQFP |
分类 | 集成电路(IC),嵌入式-微控制器 |
制造商 | 恩智浦半导体 |
系列 | Kinetis K20 |
电压-电源(Vcc / Vdd) | 1.71V〜3.6V |
工作温度 | -40°C〜105C(TA) |
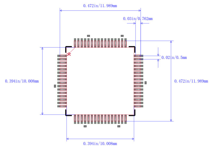
包装/箱 | 64-LQFP |
供应商设备包装 | 64-LQFP(10x10) |
基本零件号 | MK20DX256 |

MK20DX256VLH7
产品分类 | ARM微控制器-MCU |
系列 | K20_72 |
内核 | ARMCortexM4 |
程序存储器大小 | 256KB |
数据总线宽度 | 32位 |
最大时钟频率 | 72兆赫 |
数据RAM大小 | 32KB |
工作电源电压 | 3.3伏 |
程序存储器类型 | Flash |
数据RAM类型 | 静态随机存取存储器 |
模拟电源电压 | 3.3伏 |
输入/输出电压 | 3.3伏 |
处理器系列 | K20 |
A/D转换器数量 | 2 |
ADC通道数 | 2 |
I2C通道数 | 2 |
I/O数量 | 40 |
PWM通道数 | 8 |
SPI通道数 | 1 |
计时器/计数器数量 | 14 |
UART通道数 | 3 |
USB通道数 | 1 |
振荡器类型 | 内部 |
高度 | 1.6毫米 |
长度 | 10毫米 |
宽度 | 10毫米 |
包装 | 托盘 |
安装方式 | 贴片/贴片 |
包装/箱 | LQFP-64 |
| 属性 | 描述 |
| REACH状态 | REACH不受影响 |
| 无铅 | 无铅 |
| 辐射硬化 | 不 |
| 达到高度关注物质 | 无高度关注物质 |
RoHS状态 | 符合ROHS3 |
| 湿气敏感度(MSL) | 3(168小时) |
超低功耗
具有电源和时钟门控的10种低功耗模式,可实现最佳的外围活动和恢复时间
停止电流<1.45µA,运行电流<277µA/MHz,从停止模式唤醒的时间为4µs
低至1.71V的全存储器和模拟操作可延长电池寿命
低泄漏唤醒单元,具有多达八个内部模块和十六个引脚作为唤醒源
低功耗定时器,可在降低功耗状态下使系统连续运行
64至256kb闪存,快速访问,具有4级安全保护的高可靠性
16至64kbSRAM
混合信号能力
16位ADC,具有可配置的分辨率,单或差分O/P模式,可更好地抑制噪声
可编程延迟块触发可实现500ns的转换时间
一个用于音频应用的模拟波形生成的12位DAC
三个高速比较器通过驱动PWM提供快速准确的电机过流保护
两个具有x64增益的可编程增益放大器,用于小幅度信号转换
模拟电压基准可为模拟模块,ADC和DAC提供准确的基准
ARMCortex-M4核心+DSP
72MHz,单周期MAC,单指令多数据(SIMD)扩展
16通道DMA用于外围设备和内存服务,可减少CPU负载并提高系统吞吐量
交叉开关实现并发多主总线访问,从而增加了总线带宽
独立的FlashBank允许并发代码执行和固件更新,而不会降低性能

MK20DX256VLH7符号

MK20DX256VLH7脚印

MK20DX256VLH7封装
恩智浦半导体(英语:NXP Semiconductors),前身为飞利浦半导体,由荷兰企业飞利浦在1953年创立,公司总部位于荷兰埃因霍温。2006年,该业务部门从飞利浦拆分出来,并正式成立NXP Semiconductors - 恩智浦半导体。NXP 这个名字来自 “新的体验”(Next Experience),也保留了飞利浦的基因,强调恩智浦累积了过去在飞利浦53年以来的珍贵经验与丰富资源。恩智浦产品应用比较广泛,涵盖了安全互联汽车、移动设备、工业物联网、智慧城市、智慧家居、通信基础设施等市场与应用领域。