TMS320F2811PBKS点击型号即可查看芯片规格书
TMS320F2811PBKS属于TMS320C28x DSP 系列器件,具有32位高性能CPU,16×16和32×32 MAC操作,哈佛总线架构,并具有高达128K×16的闪存,还具有两个串行通信接口(SCI),标准UART,是适用于高要求控制应用的高度集成和高性能的解决方案。
产品型号 | TMS320F2811PBKS |
描述 | IC MCU 32BIT 256KB闪存128LQFP |
分类 | 集成电路(IC),嵌入式-微控制器 |
制造商 | 德州仪器 |
系列 | 汽车,AEC-Q100,C2000™C28x定点 |
电压-电源(Vcc / Vdd) | 1.81V〜2V |
工作温度 | -40°C〜125°C(TA) |
安装类型 | 表面贴装 |
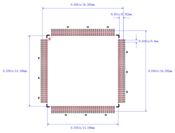
包装/箱 | 128-LQFP |
供应商设备包装 | 128-LQFP(14x14) |
基本零件号 | TMS320 |

TMS320F2811PBKS
产品种类 | 数字信号处理器和控制器-DSP,DSC |
零件状态 | 活性 |
产品 | DSCs |
系列 | TMS320F2811 |
核心 | C28x |
最大时钟频率 | 150MHz |
程序存储器大小 | 256kB |
数据RAM大小 | 36kB |
工作电源电压 | 1.9V |
A/D转换器数量 | 16 |
GPIO数量 | 56 |
I/O数量 | 56 |
可编程I/O数量 | 56 |
UART通道数 | 2个 |
工作电源电压 | 1.9伏 |
振荡器类型 | 内部 |
输入/输出端数量 | 56I/O |
ADC分辨率 | 12bit |
数据总线宽度 | 32bit |
高度 | 1.6毫米 |
长度 | 14毫米 |
厚度 | 1.4毫米 |
宽度 | 14毫米 |
包装 | 托盘 |
安装风格 | SMD/SMT |
封装/箱体 | LQFP-128 |
RoHS状态 | 符合ROHS3 |
水分敏感性水平(MSL) | 2(1年) |

TMS320F2811PBKS封装
型号 | 制造商 | 品名 | 描述 |
TMS320F2811PBKA | 德州仪器 | 微控制器 | IC MCU 32BIT 256KB FLASH 128LQFP |
TMS320F2811PBKQ | 德州仪器 | 微控制器 | CMOS技术 32位CPU 12位ADC 16通道 128引脚 LQFP |
TMS320F2810PBKS | 德州仪器 | 微控制器 | 32Bit 150MHz 150MIPS 128Pin LQFP |
TMS320F2810PBKQR | 德州仪器 | 微控制器 | 150MHz 频率、128KB 闪存的 C2000™ 32 位 MCU 128-LQFP |
德州仪器(英语:Texas Instruments, TI)是一家位于美国德克萨斯州达拉斯的跨国公司,以开发、制造、销售半导体和计算器技术闻名于世,主要从事数字信号处理与模拟电路方面的研究、制造和销售。它在25个国家有制造、设计或者销售机构。TI自1950年代起在亚洲地区开始运营,首先从事销售和市场工作,以及应用技术支持,然后迅速增加半导体装配与测试设施,以及材料与控制制造等业务。