MK10FN1M0VLQ12点击型号即可查看芯片规格书
MK10FN1M0VLQ12具有先进的串行通信、模拟集成和可定制的系统扩展,适用于医疗、工业和消费设备。包括模拟、通信、控制和定时外设,以适应许多不同的要求针对性能高效的应用程序提供Kinetis产品组合的共享综合开发支持和可扩展性。
产品型号 | MK10FN1M0VLQ12 |
描述 | IC MCU 32BIT 1MB闪存144LQFP |
分类 | 集成电路(IC),嵌入式-微控制器 |
制造商 | 恩智浦半导体 |
系列 | Kinetis K10 |
电压-电源(Vcc / Vdd) | 1.71V〜3.6V |
工作温度 | -40°C〜105°C(TA) |
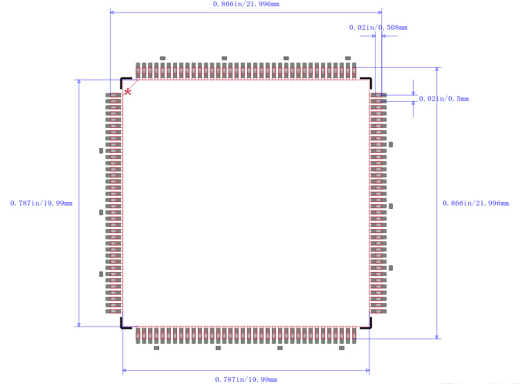
包装/箱 | 144-LQFP |
供应商设备包装 | 144-LQFP(20x20) |
基本零件号 | MK10FN1M0 |

MK10FN1M0VLQ12
产品类型 | ARM微控制器 - MCU |
零件状态 | 活性 |
系列 | K10_120 |
核心 | ARM Cortex M4 |
程序内存大小 | 1兆字节 |
数据汇流排宽度 | 32位 |
ADC解析度 | 16位 |
最高时钟频率 | 120兆赫 |
输入/输出数 | 104个I / O |
数据存储器大小 | 128 KB |
工作电源电压 | 3.3伏 |
程序存储器类型 | Flash |
数据存储器类型 | RAM |
接口类型 | CAN,I2C,I2S,SPI,UART |
类比电源电压 | 3.3伏 |
输入/输出电压 | 3.3伏 |
处理器系列 | Kinetis |
A / D转换器数量 | 4 |
ADC通道数 | 4 |
I2C通道数 | 2个 |
PWM通道数 | 8 |
SPI通道数 | 3 |
计时器/计数器数量 | 4 |
UART通道数 | 6 |
振荡器类型 | 内部 |
包装 | 托盘 |
安装风格 | 贴片/贴片 |
封装/外壳 | LQFP-144 |
RoHS状态 | 符合ROHS3 |
水分敏感性水平(MSL) | 3(168小时) |
具有DSP指令的ARM Cortex-M4内核,每兆赫可提供1.25 Dhrystone MIPS
串行编程接口(EzPort)
FlexBus外部总线接口
NAND Flash控制器接口
3至32MHz晶体振荡器和32kHz晶体振荡器
多功能时钟发生器
多种低功耗模式,可根据应用需求提供功率优化
具有多主保护功能的内存保护单元
32通道DMA控制器,最多支持128个请求源
外部看门狗监视器
软件看门狗
低泄漏唤醒单元
硬件CRC模块支持快速循环冗余校验
每个芯片128位唯一标识(ID)号
低功耗硬件触摸传感器接口(TSI)
集成到每个ADC的可编程增益放大器(PGA)
四个模拟比较器(CMP),包含一个6位DAC和可编程参考输入
参考电压
可编程延迟块
两个8通道电机控制/通用/ PWM定时器

MK10FN1M0VLQ12符号

MK10FN1M0VLQ12脚印

MK10FN1M0VLQ12封装
恩智浦半导体(英语:NXP Semiconductors),前身为飞利浦半导体,由荷兰企业飞利浦在1953年创立,公司总部位于荷兰埃因霍温。2015年,恩智浦与另一家领先的半导体公司--飞思卡尔合并,得以在物联网和汽车领域进一步拓展业务,并着重发展安全可靠的边缘计算、连接技术和高效的电源管理解决方案。恩智浦产品应用比较广泛,涵盖了安全互联汽车、移动设备、工业物联网、智慧城市、智慧家居、通信基础设施等市场与应用领域。