STM32F469VIT6点击型号即可查看芯片规格书
STM32F469VIT6基于以高达180MHz的频率运行的高性能ARM CortexR-M4 32-bit RISC内核。CortexR-M4内核具有浮点单元(FPU)单精度,支持所有ArmR单精度数据处理指令和数据类型。它还实现了一套完整的DSP指令和一个内存保护单元(MPU),增强了应用程序的安全性。还包含高速嵌入式存储器(高达2MB的闪存,高达384KB的SRAM)、高达4KB的备份SRAM,以及连接到两条APB总线、两条AHB总线和一条32位多AHB总线矩阵。提供三个12位ADC、两个DAC、一个低功耗RTC、十二个通用16位定时器,包括两个用于电机控制的PWM定时器、两个通用32位定时器和一个真随机数发生器(RNG))。它们还具有标准和高级通信接口。
产品型号 | STM32F469VIT6 |
描述 | IC MCU 32BIT 2MB闪存100LQFP |
分类 | 集成电路(IC),嵌入式-微控制器 |
制造商 | 意法半导体 |
系列 | STM32F4 |
电压-电源(Vcc / Vdd) | 1.7V〜3.6V |
工作温度 | -40°C〜85°C(TA) |
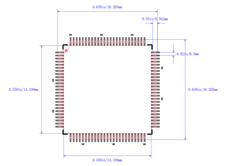
包装/箱 | 100-LQFP |
供应商设备包装 | 100-LQFP(14x14) |
基本零件号 | STM32F469 |

STM32F469VIT6
产品种类 | ARM微控制器 - MCU |
系列 | STM32F469VI |
零件状态 | 活性 |
核心 | ARM Cortex M4 |
速度 | 180兆赫 |
内存大小 | 384K x 8 |
程序存储器大小 | 2MB(2M x 8) |
数据总线宽度 | 32位 |
ADC分辨率 | 12位 |
工作电源电压 | 3.3伏 |
模拟电源电压 | 3.3伏 |
DAC分辨率 | 12位 |
I/O 电压 | 3.3伏 |
I / O数量 | 71 |
子类别 | 微控制器-MCU |
振荡器类型 | 内部 |
程序存储器类型 | FLASH |
数据转换器 | A / D 14x12b;D / A 2x12b |
封装 | 托盘 |
封装 / 箱体 | LQFP-100 |
安装类型 | 表面贴装 |
RoHS状态 | 符合ROHS3 |
水分敏感性水平(MSL) | 3(168小时) |

STM32F469VIT6封装
意法半导体(STMicroelectronics)是一家国际性的半导体生产商,总部位于瑞士日内瓦。1987年,两家历史悠久的半导体公司意大利SGS Microelettronica和法国汤姆逊半导体公司合并后,成立了今天的意法半导体公司,公司从1994年起成为上市公司。意法半导体是世界上第一个认识到环境责任重要性的国际半导体公司之一,15年来,在产品质量、企业治理、社会问题和环保等企业责任方面,各地区公司因为业绩卓越而荣获 100 多项奖励。 公司在可持续卓越原则中阐述了公司的企业责任政策,同时通过年度企业责任报告披露企业责任绩效。