THS1206MDAREP点击型号即可查看芯片规格书
THS1206MDAREP是一款CMOS、低功耗、12位、6MSPS模数转换器(ADC)。速度、分辨率、带宽和单电源操作适用于雷达、成像、高速采集和通信中的应用。带有输出纠错逻辑的多级流水线架构在整个工作温度范围内都不会丢失代码。内部控制寄存器用于将ADC编程为所需模式。包含四个同时采样的模拟输入。这些输入可以单独选择并配置为单端或差分输入。集成的16字深FIFO允许存储数据,以减轻连接到ADC的处理器的负载。提供了ADC的内部参考电压(1.5V和3.5V)。还可以选择外部基准来满足应用的直流精度和温度漂移要求。
产品型号 | THS1206MDAREP |
描述 | IC ADC 12BIT流水线32TSSOP |
分类 | 集成电路(IC),数据采集-模数转换器(ADC) |
制造商 | 德州仪器 |
打包 | 卷带式(TR) |
电压-电源,模拟 | 5伏 |
电压-电源,数字 | 3V〜5.25V |
工作温度 | -55°C〜125°C |
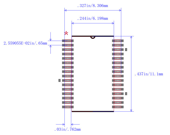
包装/箱 | 32-TSSOP(0.240“,宽度6.10mm) |
供应商设备包装 | 32-TSSOP |
基本零件号 | THS120 |

THS1206MDAREP
制造商包装说明 | TSSOP-32 |
符合REACH | 是 |
符合欧盟RoHS | 是 |
符合中国RoHS | 是 |
状态 | 活性 |
转换器类型 | ADC |
模拟输入电压-最小值 | 1.3伏 |
模拟输入最大电压 | 3.7伏 |
JESD-30代码 | R-PDSO-G32 |
JESD-609代码 | e4 |
线性最大误差(EL) | 0.0439% |
模拟输入通道数 | 4.0 |
位数 | 12 |
功能数量 | 1个 |
端子数 | 32 |
最低工作温度 | -55℃ |
最高工作温度 | 125℃ |
输出位码 | BINARY,2的补码BINARY |
输出格式 | 平行,字 |
包装主体材料 | 塑料/环氧树脂 |
包装代码 | TSSOP |
包装等效代码 | TSSOP32,.3 |
包装形状 | 长方形 |
包装形式 | 小轮廓,薄型轮廓,缩孔 |
峰值回流温度(℃) | 260 |
采样保持/跟踪保持 | 采样 |
采样率 | 6.0兆赫 |
座高 | 1.2毫米 |
子类别 | 模数转换器 |
最大电源电流 | 40.0毫安 |
电源电压标称 | 5.0伏 |
安装类型 | 表面贴装 |
技术 | CMOS |
温度等级 | 军事 |
终端完成 | 镍/钯/金(Ni / Pd / Au) |
终端表格 | 鸥翼型 |
端子间距 | 0.65毫米 |
终端位置 | 双 |
长度 | 11.0毫米 |
宽度 | 6.2毫米 |
RoHS状态 | 符合ROHS3 |
水分敏感性水平(MSL) | 2(1年) |

THS1206MDAREP封装
型号 | 制造商 | 品名 | 描述 |
THS1206CDA | 德州仪器 | AD转换器 | TSSOP-32 32Pin 12Bit 4.75V |
THS1206IDA | 德州仪器 | AD转换器 | 32TSSOP 32Pin 12Bit 4.75V |
THS1206CDAR | 德州仪器 | AD转换器 | TSSOP-32 32Pin 12Bit 4.75V |
德州仪器(英语:Texas Instruments,简称:TI),是美国德克萨斯州一家半导体跨国公司,以开发、制造、销售半导体和计算机技术闻名于世,主要从事创新型数字信号处理与模拟电路方面的研究、制造和销售。德州仪器于1951年创建。它由地球物理业务公司(Geophysical Service Incorporated, GSI)整组而产生。这家公司最初生产地震工业和国防电子的相关设备。TI于20世纪50年代初开始研究晶体管,同时也制造了世界上第一个商用硅晶体管。1954年,TI研发制造了第一台晶体管收音机,1958年,在TI中新研究实验室工作的Jack Kilby杰克·基尔比发明了集成电路。1961年,TI为美国空军制造了第一台集成电路电脑。50年代末期,TI开始研究红外线技术,随后TI涉足制造导弹和炸弹的雷达系统,导航和控制系统。世界上第一台便携式计算器由TI于1967年发明。