MKL33Z256VLH4点击型号即可查看芯片规格书
MKL33Z256VLH4具备32位ARM Cortex™-M0+内核,比最接近的8/16位架构高2倍的CoreMark/mA。单周期快速I/O访问端口促进位碰撞和软件协议仿真,保持8位“外观和感觉”多种灵活的低功耗模式,包括新的计算时钟选项,通过将外设置于异步停止模式来降低动态功耗,高达256KB闪存,64字节闪存缓存,32KBRAM,还具有引脚中断支持、DMA请求功能和其他引脚控制选项的GPIO。
产品型号 | MKL33Z256VLH4 |
描述 | IC MCU 32BIT 256KB闪存64LQFP |
分类 | 集成电路(IC),嵌入式-微控制器 |
制造商 | 恩智浦半导体 |
系列 | Kinetis KL3 |
打包 | 托盘 |
电压-电源(Vcc / Vdd) | 1.71V〜3.6V |
工作温度 | -40°C〜105°C(TA) |
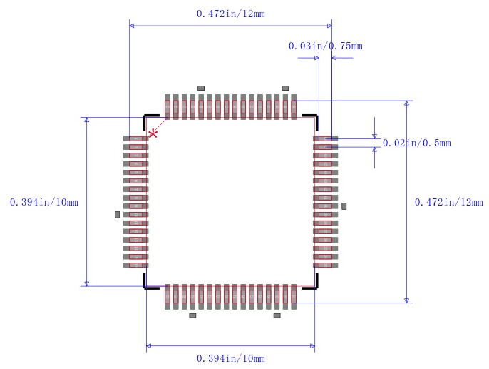
包装/箱 | 64-LQFP |
供应商设备包装 | 64-LQFP(10x10) |
基本零件号 | MKL33 |

MKL33Z256VLH4
制造商包装说明 | 10 X 10毫米,高度1.60毫米,间距0.50毫米,LQFP-64 |
符合REACH | 是 |
符合欧盟RoHS | 是 |
状态 | 活性 |
ADC通道 | 是 |
地址总线宽度 | 0.0 |
最大时钟频率 | 48.0兆赫 |
DAC通道 | 是 |
DMA通道 | 是 |
外部数据总线宽度 | 0.0 |
JESD-30代码 | S-PQFP-G64 |
JESD-609代码 | e3 |
I / O线数 | 50.0 |
端子数 | 64 |
最低工作温度 | -40℃ |
最高工作温度 | 105℃ |
包装主体材料 | 塑料/环氧树脂 |
包装代码 | QFP |
包装形状 | 四方形 |
包装形式 | FLATPACK |
峰值回流温度(℃) | 260 |
PWM通道 | 是 |
ROM可编程性 | 闪 |
速度 | 48.0兆赫 |
电源电压标称 | 3.3伏 |
最小供电电压 | 1.71伏 |
最大电源电压 | 3.6伏 |
安装类型 | 表面贴装 |
技术 | CMOS |
温度等级 | 产业 |
终端完成 | 哑光锡 |
终端表格 | 鸥翼型 |
终端位置 | QUAD |
时间@峰值回流温度-最大值(秒) | 40 |
| 属性 | 描述 |
| REACH状态 | REACH不受影响 |
RoHS状态 | 符合ROHS3 |
湿气敏感度(MSL) | 3(168小时) |
超低功耗
下一代32位ARMCortex™-M0+内核:CoreMark/mA比最接近的8/16位架构高2倍。
单周期快速I/O访问端口可促进位敲打和软件协议仿真,保持8位“外观”
多种灵活的低功耗模式,包括新的计算时钟选项,该选项通过将外围设备置于异步停止模式来降低动态功耗
LPUART,SPI,I²C,ADC,DAC,LP定时器和DMA支持低功耗模式操作,而无需唤醒内核
记忆
高达256KB的闪存和64字节的闪存缓存,高达32KB的RAM
安全电路可防止未经授权访问RAM和闪存内容
16KBROM和内置引导加载程序简化了对MCU进行编程的工作,并允许轻松进行闪存升级
性能
ARMCortex-M0+内核,在整个电压和温度范围(-40ºC至+105ºC)上,内核频率为48MHz
位操作引擎,用于改善外围模块的位处理
Thumb指令集结合了高代码密度和32位性能
最高4通道DMA用于外围设备和内存服务,可减少CPU负载并提高系统吞吐量
独立时钟的COP可以防止故障保护应用中的时钟偏斜或代码失控
混合信号
高达16位ADC,具有可配置的分辨率,采样时间和转换速度/功率
集成温度传感器
带有内部6位DAC的高速比较器
具有DMA支持的12位DAC
时序与控制
两个6声道。以及一个具有DMA支持的2通道,16位低功耗定时器PWM模块
2通道32位周期性中断定时器为RTOS任务计划提供了时基,或为ADC转换提供了触发源
低功耗定时器允许在除VLLS0之外的所有功耗模式下工作
带有日历的实时时钟
人机接口
段式LCD接口
电容式触摸感应输入最多支持16个外部电极和DMA数据传输
GPIO,具有引脚中断支持,DMA请求功能和其他引脚控制选项
连接和通讯
两个具有DMA支持的I2C,高达1Mbps的速度并与SMBusV2功能兼容
一个LPUART和两个具有DMA支持的UART
两个具有DMA支持的SPI
I2S模块,用于音频应用
用于通用或定制串行外设仿真的FlexIO
高精度内部时钟参考,支持高性能通信

MKL33Z256VLH4封装

MKL33Z256VLH4外壳封装
恩智浦半导体(英语:NXP Semiconductors)创立于2006年,其前身为荷兰飞利浦公司于1953年成立的半导体事业部,总部位于荷兰埃因霍温。恩智浦2010年在美国纳斯达克上市。在1980年代,此分支曾使飞利浦成为当年世界最大半导体生产商。2006年,飞利浦宣布出售旗下半导体分支予由多个荷兰投资者组成的财团,从飞利浦分离出去,并正式成立NXP Semiconductors - 恩智浦半导体。NXP 这个名字来自 “新的体验”(Next Experience),也保留了飞利浦的基因,强调恩智浦累积了过去在飞利浦53年以来的珍贵经验与丰富资源。