MC9S08QA2CFQE点击型号即可查看芯片规格书
MC9S08QA2CFQE系列是具有成本效益的高性能S08系列8位微控制器单元的成员,具有1.8至3.3伏操作、片上存储器、两种极低功耗停止模式和带复位或打断。S08核心提供40MHz核心速度和20MHz总线速度,4针键盘中断模块,边沿或边沿/电平模式具有软件可选极性。
产品型号 | MC9S08QA2CFQE |
描述 | IC MCU 8BIT 2KB闪存8DFN |
分类 | 集成电路(IC),嵌入式-微控制器 |
制造商 | 恩智浦半导体 |
系列 | S08 |
打包 | 托盘 |
电压-电源(Vcc / Vdd) | 1.8V〜3.6V |
工作温度 | -40°C〜85°C(TA) |
包装/箱 | 8-VDFN裸露焊盘 |
供应商设备包装 | 8-DFN-EP(4x4) |
基本零件号 | MC9S0 |

MC9S08QA2CFQE
制造商包装说明 | 4 X 4 MM,1 MM高度,0.80 MM间距,符合RoHS标准,塑料,DFN-8 |
符合REACH | 是 |
符合欧盟RoHS | 是 |
符合中国RoHS | 是 |
状态 | 活性 |
ADC通道 | 是 |
地址总线宽度 | 0.0 |
位大小 | 8 |
外部数据总线宽度 | 0.0 |
JESD-30代码 | S-PDSO-N8 |
I / O线数 | 4.0 |
端子数 | 8 |
最低工作温度 | -40℃ |
最高工作温度 | 85℃ |
包装主体材料 | 塑料/环氧树脂 |
包装代码 | HVSON |
包装等效代码 | SOLCC8,.15、32 |
包装形状 | 四方形 |
包装形式 | 小轮廓 |
峰值回流温度(℃) | 260 |
电源 | 2 / 3.3 |
PWM通道 | 是 |
RAM(字节) | 160.0 |
ROM可编程性 | 闪 |
ROM(字) | 2048 |
座高 | 1.0毫米 |
速度 | 20.0兆赫 |
子类别 | 微控制器 |
最大电源电流 | 5.0毫安 |
电源电压标称 | 3.0伏 |
最小供电电压 | 1.8伏 |
最大电源电压 | 3.6伏 |
安装类型 | 表面贴装 |
技术 | CMOS |
温度等级 | 产业 |
终端表格 | 无铅 |
端子间距 | 0.8毫米 |
终端位置 | 双 |
时间@峰值回流温度-最大(秒) | 40 |
长度 | 4.0毫米 |
宽度 | 4.0毫米 |
| 属性 | 描述 |
| REACH状态 | REACH不受影响 |
RoHS状态 | 符合ROHS3 |
水分敏感性水平(MSL) | 3(168小时) |
8位HCS08中央处理器(CPU)
最长20ns的HCS08 CPU(10MHz总线频率)的最小指令时间为100ns
HC08指令集增加了BGND指令
支持多达32个中断/复位源
集成的第三代闪存和RAM
嵌入式闪光灯可在整个工作电压和温度范围内通过单个电源在应用中进行重新编程
极快的字节可写编程;高达20us/byte
在典型的电压和温度下最多100,000个写入/擦除周期(最小10k写入/擦除)
100年典型数据保留(最少15年)
灵活的时钟选项
内部时钟源(ICS)模块,包含一个由内部或外部基准控制的锁频环(FLL)
内部基准的精密微调允许在工作温度和电压范围内实现典型的0.1%分辨率和+0.5%至-1%的偏差
内部基准可以在31.25kHz至39.065kHz的范围内修整,从而允许8MHz至10MHz的FLL输出
输入/输出(I/O)线
4条双向输入/输出(I/O)线
一输入一输出线
每个输出10mA,封装最大60mA
用作输入的端口上的软件可选上拉
复位时内部上拉
中断请求(IRQ)引脚
当用作输出时,软件可选的摆率控制和端口上的驱动强度
4引脚键盘中断模块,在边缘或边缘/电平模式下具有软件可选的极性
集成模拟外设
4通道10位模数转换器(ADC)
自动比较功能,软件可编程为大于/等于或小于条件
异步时钟源
温度感应器
内部带隙基准通道
使用RTI计数器可触发的硬件
低功耗和高速选项
模拟比较器模块(ACMP)
与内部参考比较的选项
选择将比较器输出直接路由至引脚
可以选择将输出作为输入捕获触发器路由到TPM模块
两个定时器模块
可编程16位定时器/PWM模块(TPM)
具有8位预分频器的8位模数定时器模块(MTIM)
系统保护
看门狗计算机正常运行(COP)重置,并具有从1kHz专用内部时钟源或总线时钟运行的选项
带复位或中断的低压检测
重置非法操作码
灵活的块保护
闪存和RAM的安全功能
永远在线上电复位(POR)电路

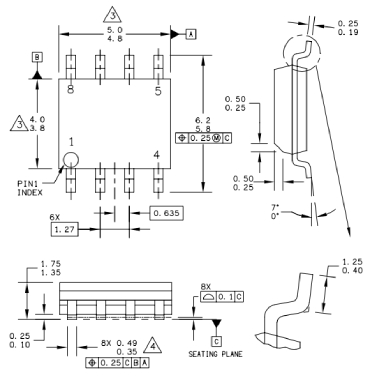
MC9S08QA2CFQE封装
恩智浦半导体(英语:NXP Semiconductors)创立于2006年,其前身为荷兰飞利浦公司于1953年成立的半导体事业部,总部位于荷兰埃因霍温。2015年,恩智浦收购了由摩托罗拉创立的飞思卡尔半导体,成为全球前十大非存储类半导体公司,以及全球最大的汽车半导体供应商(Strategy Analytics)。恩智浦产品应用比较广泛,涵盖了安全互联汽车、移动设备、工业物联网、智慧城市、智慧家居、通信基础设施等市场与应用领域。