首页
规格书搜索
datasheet 下载
关于icspec
芯片求购
INA333——低功耗、零漂移、精密仪表放大器
元器件信息
2022-12-02 16:01
834
0
INA333
点击型号即可查看芯片规格书
芯片规格书搜索工具-icspec
基本信息
描述:INA333 器件是一款低功耗的精密仪表放大器,具有出色的精度。该器件采用通用的三运算放大器设计,并且拥有小巧尺寸和低功耗特性,非常适合各类便携式 应用。
厂商:TI
器件类别:仪表放大器
产品图片
8-pin (DGK)
8-pin (DRG)
产品结构框图
产品特性
低偏移电压:25µV(最大值),G ≥ 100
低漂移:0.1μV/°C,G ≥ 100
低噪声:50nV/√Hz,G ≥ 100
高共模抑制比 (CMRR):100dB(最小值),G ≥ 10
低输入偏置电流:200pA(最大值)
电源范围:1.8V 至 5.5V
输入电压:(V–) + 0.1V 至 (V+) – 0.1V
输出电压:(V–) + 0.05V 至 (V+) – 0.05V
低静态电流:50μA
工作温度范围:-40°C 至 +125°C
已过滤射频干扰 (RFI) 的输入
8 引脚 VSSOP 和 8 引脚 WSON 封装
主要参数
通道数:1
Vs (Max) (V):5.5
Vs (Min) (V):1.8
输入偏移 (+/-) (Max) (uV):25
增益(最小值)(V/V):1
增益(最大)(V/V):1000
1 kHz (Typ) 时的噪声 (nV/rt (Hz)):50
特点:零漂移、小体积、低功耗
CMRR (Min) (dB):100
输入失调漂移 (+/-) (Max) (uV/C):0.1
输入偏置电流 (+/-) (Max) (nA):0.2
Iq (Typ) (mA):0.05
最小增益带宽 (Typ) (MHz):0.15
增益误差 (+/-) (Max) (%):0.25
工作温度范围(℃):-40 to 125
类型:电阻器
输出摆幅裕量(至负电源) (Typ) (V):0.05
输出摆幅裕量(至正电源) (Typ) (V):-0.05
输入共模余量(至负电源) (Typ) (V):0.1
输入共模余量(至正电源) (Typ) (V):-0.1
0.1 Hz-10 Hz (Typ) 时的噪声 (uVpp):1
增益非线性 (+/-) (Max) (%):0.001
产品应用
桥式放大器
心电图 (ECG) 放大器
压力传感器
医疗仪表
便携式仪表
衡器
热电偶放大器
电阻式温度检测器 (RTD) 传感器放大器
数据采集
封装
封装1(8-pin (DGK))
封装2(8-pin (DRG)
资源链接
产品页面
数据手册
应用手册
输入偏置电流回路在仪表放大器应用中的重要性
失调电压校正方法:激光修整、e-Trim™、和斩波器
如何为压力变送器应用选择放大器
用户指南
文章
技术文章
What is an instrumentation amplifier?
How to layout a PCB for an instrumentation amplifier
How Instrumentation Amplifier Vcm vs. Vout plots change with supply and reference voltage
INAs: Offset voltage vs. gain
TI E2E™ 设计支持论坛
INA333输出接F28388的AD后有较大纹波
INA333: 共模抑制比问题
INA333: 应变计电路
设计工具
库/模型
CAD库文件
官网库文件
8-pin (DGK)
8-pin (DRG)
Ultralibrian库文件
SnapEDA库文件
设计参考
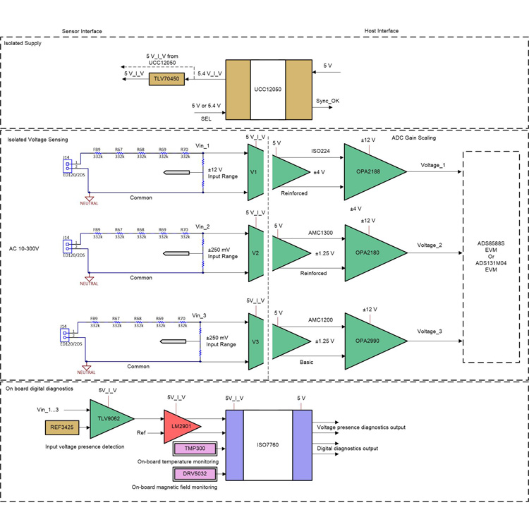
参考设计:基于高效、低辐射、隔离式直流/直流转换器的模拟输入模块参考设计
参考设计简述
该参考设计是一个用于为隔离式放大器生成隔离电源以测量隔离式电压和电流的简化架构。一个具有增强隔离功能且完全集成的直流/直流转换器,采用 5V 输入并提供可配置的 5V 或 5.4V 输出(低压降稳压器(LDO)的裕量),能够产生隔离式电力。与配置为通道隔离输入的 ±50mV 输入范围隔离放大器连接的分流器可以测量电流。与配置为组隔离输入的 ±250mV 或 ±12V 输入范围隔离放大器连接的分压器输出可以测量电压。隔离放大器的输出端直接连接到 24 位 Δ-Σ 模数转换器 (ADC),或者使用增益放大器将输出缩放至 ±10V,并连接到 16 位 SAR ADC 以进行性能评估。板载数字诊断可提高可靠性并增强系统性能。
系统框图
原理图
PCB布局图
Gerber文件
物料清单
CAD文件
成品图片
参考设计:用于确定绝缘电阻的泄漏电流测量参考设计
参考设计简述
漏电流测量电路,可选择可编程电流检测放大器和可切换分流电阻器
测量范围:0 至 100MΩ,精度为 5%(未校准)
测试电压水平符合旋转电机绝缘电阻测试的推荐实施规范 IEEE 43-2000
用于测试绝缘电阻的板载隔离式 500V 电源
提供板载校准电阻器
借助对帧起始检测的硬件支持,可实现 IEEE1588 PTP
Design guide
原理图
PCB布局图
Gerber文件
物料清单
CAD文件
成品图片
参考设计:采用 16 位 ADC 和数字隔离器的隔离式高精度模拟输入模块参考设计
参考设计简述
此参考设计基于 ADS8688A 16 位 SAR ADC,并支持通过菊花链测量多达 16 个模拟输入
ADC 接口与主机隔离,使用 ISOW7841 和集成电源转换器提高严苛工作条件下的安全性,提供 > 60 mA 的电流输出,效率 ≥ 45%
AC AIM 提供 > 14.9 位的 ENOB、> 91 dB 的 SNR 和 > –110 dB 的 THD
具有前端增益放大器的 12 位 ADC8668,用于在成本优化的应用中增加低压输出传感器的动态范围
负载开关用于 ISOW7841 的输入,以在输出过载时保护 AC AIM
Design guide
系统框图
原理图
PCB布局图
Gerber文件
物料清单
组装图
CAD文件
成品图片
评估板信息
评估板型号:INAEVM
评估板图片
评估板介绍
通用 INAEVM(仪表放大器评估模块)以两种封装选项形式提供,简化了采用 SO-8 (D) 封装或 MSOP-8(DGK) 封装的精密仪器放大器(具有如图所示的引脚)的原型设计
EVM用户指南
购买渠道
样品申请
官网购买
现货分销商网站购买
BOM2BUY
Digikey
Mouser
Arrow
Element14
TI 授权半导体经销商
联系TI
电话
+86-400-819-8694
+852-3704-4888
+65-6579-2446
+886-2-7724-9372
点击登录icspec
登录icspec成功后,会自动跳转查看全文
上一篇
TPU是什么?
下一篇
TLV2316——双路、5.5V、10MHz、RRIO 运算放大器
博客评论
还没有人评论,赶紧抢个沙发~
发表评论
提交
说明:
请文明发言,共建和谐网络,您的个人信息不会被公开显示。
分类
元器件信息
电子技术
芯片热门需求
芯片招聘
最新博客
TPU是什么?
一文了解 NOR Flash
校招 | 南芯秋招「加时赛」开启!(数字设计工程师、嵌入式软件、测试、封装工程师等)
聊聊存储短缺背景下的瑞芯微自救
校招|全志科技2026届秋招补录!(IC模拟设计、IC验证、IC数字后端、AI算法、硬件设计、软件等)