L298 点击型号即可查看芯片规格书
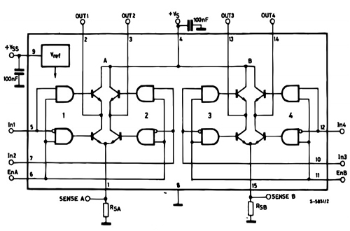
L298N是一种单H桥电机驱动芯片,其中每个H桥可以提供2A的电流,功率部分的供电电压范围是2.5-48v,逻辑部分5v供电,接受5vTTL电平。一般情况下,功率部分的电压应大于6V否则芯片可能不能正常工作。

L298N
产品型号 | L298N |
| 描述 | IC桥驱动器PAR 15MULTIWATT |
| 分类 | 集成电路(IC),PMIC-完整的半桥驱动器 |
| 制造商 | STMicroelectronics |
| 打包 | 管 |
| 零件状态 | 活性 |
| 输出配置 | 半桥(4) |
| 接口 | 逻辑 |
| 负载类型 | 感应式 |
| 技术 | 双极 |
| 故障保护 | 限流,超温 |
| 安装类型 | 通孔 |
| 包装/箱 | Multiwatt-15(垂直,弯曲和交错引线) |
| 供应商设备包装 | 15瓦 |
| 基本零件号 | L298 |
| 符合REACH | 是 |
| 符合欧盟RoHS | 是 |
| 状态 | 活性 |
| 接口IC类型 | 基于全桥的外围驱动程序 |
| 内置保护 | 过电流 |
| 输入特性 | 标准 |
| JESD-30代码 | R-XZFM-T15 |
| JESD-609代码 | e3 |
| 功能数量 | 2 |
| 端子数 | 15 |
| 输出特性 | TOTEM-POLE |
| 输出电流方向 | SOURCE AND SINK |
| 输出极性 | TRUE |
| 峰值回流温度(℃) | 未标明 |
| 资格状态 | 不合格 |
| 电源电压标称 | 5.0伏 |
| 最小供电电压 | 4.5伏 |
| 最大电源电压 | 7.0伏 |
| 电源电压1-标称 | 42.0伏 |
| 电源电压1-Min | 4.8伏 |
| 电源电压1-最大 | 46.0伏 |
| 终端完成 | 磨砂锡(Sn) |
| 终端表格 | 贯穿孔 |
| 终端位置 | ZIG-ZAG |
| 包装主体材料 | UNSPECIFIED |
| 包装形状 | RECTANGULAR |
| 包装形式 | FLANGE MOUNT |
| 制造商包装说明 | 垂直,MULTIWATT-15 |
| 时间@峰值回流温度最大值(秒) | 未标明 |
| 无铅状态/ RoHS状态 | 无铅/符合ROHS3 |
| 水分敏感性水平(MSL) | 1(无限制) |
直流电动机,继电器,电磁阀,步进电动机

L298N引脚功能图

L298N符号

L298N脚印

L298N封装图

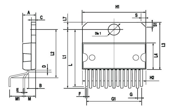
L298N封装尺寸图
意法半导体是全球最大的半导体公司之一,主要以为客户提供一个独立的安全的具有经济效益的制造厂为目的,意法半导体在全球建立了一个巨大的前后工序制造网络(前工序指晶圆制造,后工序指芯片封装测试)。 目前意法半导体的主要晶圆厂位于意大利的 Agrate、Brianza 和 Catania,法国的 Crolles、Rousset 和 Tours 以及新加坡。 位于中国、马来西亚、马尔它、摩洛哥和新加坡的世界一流的封装测试厂为这些先进的前工序晶圆厂提供强有力的后工序保障。