C2073是硅材料的NPN三极管,NPN型三极管,由三块半导体构成,其中两块N型和一块P型半导体组成,P型半导体在中间,两块N型半导体在两侧。三极管是电子电路中最重要的器件,它最主要的功能是电流 放大和开关作用。

C2073
制造商 | Pulse |
分类 | RF / IF和RFID |
子类别 | Transformers |
型号/规格 | C2073 |
描述 | 百伦5MHZ-200MHZ 1:4 5SMD MODUL |
详细说明 | RF Balun 5MHz〜200MHz 1:4 5-SMD模块 |
应用范围 | 功率 |
材料 | 硅(Si) |
极性 | NPN型 |
击穿电压VCEO | 150(V) |
集电极最大允许电流ICM | 1.5(A) |
集电极最大耗散功率PCM | 25(W) |
截止频率fT | 4(MHz) |
结构 | 外延型 |
封装形式 | 直插型 |
封装材料 | 塑料封装 |
RoHS | 否 |
商标 | Pulse Electronics |
频率范围 | 100 kHz to 500 MHz |
工作温度范围 | 0 C to + 25C |
阻抗-不平衡/平衡 | 1:4 |
相位差 | 5度 |
插入损耗(最大值) | 1.2分贝 |
回波损耗(最小值) | 7分贝 |
无铅状态/ RoHS状态 | 包含铅/ RoHS不合规 |
水分敏感性水平(MSL) | 1(无限制) |
高度 | 5.3 mm |
长度 | 4.3 mm |
产品 | Transformers |
屏蔽 | Unshielded |
工厂包装数量 | 100 |
宽度 | 3.81 mm |
端接类型 | SMD/SMT |
包装/箱 | 5-SMD模块 |
安装类型 | 表面贴装 |
集电极-发射极电压Vceo = 150V(最小)
直流电流增益:hFE = 40-140 @Ic = 500mA
互补PNP 2SA940
引脚号 | 中文名称 |
1 | 基础 |
2 | 集电极 |
3 | 发射极 |
4 | 集电极(外壳) |

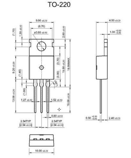
c2073封装图
2SC1448A、2SC237、TIP47、KSD401、2SD982、2SC1448、2SC2073A、2SC2167、2SC2168、2SC2238、2SC2238A、2SC2238B
Pulse Electronics是电子元件设计和制造的全球领导者。凭借广泛的最新目录产品线和自定义功能,Pulse是为OEM,合同制造商和CEM提供电子组件的全球供应商。Pulse的工程设计中心和制造工厂(在北美,欧洲和亚洲)为广泛的国际客户群提供产品。