SN74AHC595 点击型号查看芯片规格书
Texas Instruments(德州仪器) 芯片规格书大全

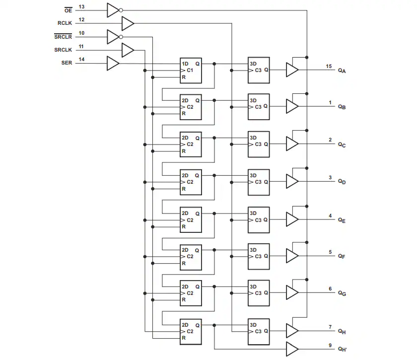
德州仪器SN74AHC595/SN74AHC595- q1计数器移位寄存器包含一个8位串行输入,并行输出移位寄存器,提供一个8位d型存储寄存器。存储寄存器具有并行的三态输出。移位寄存器和存储寄存器都提供了单独的时钟。TI SN74AHC595/SN74AHC595- q1具有直接覆盖清除(SRCLR)输入,串行(SER)输入和用于级联的串行输出。当输出使能(OE)输入为高电平时,除QH外的所有输出都处于高阻抗状态。SN74ACH595-Q1器件符合AEC-Q100汽车应用标准。
符合汽车应用要求(SN74ACH595-Q1)
工作范围2V ~ 5.5V (CC)
8位串行输入,并行输出移位
锁存性能超过100mA / JESD 78, II级
ESD保护超过JESD 22
2000V人体模型(A114-A)
1000V充电器件型号(C101)
网络交换机
电力基础设施
LED显示屏
服务器
启用或禁用数字信号
控制指示灯LED
通信模块和系统控制器之间的转换
