LTC1563-2 点击型号查看芯片规格书
石英晶体RMS工作电流对其长期稳定性、温度系数和可靠性至关重要。精确测定晶体电流,特别是在微功率类型中,由于必须尽量减少引入的寄生,特别是电容,而这些寄生会破坏晶体的工作。
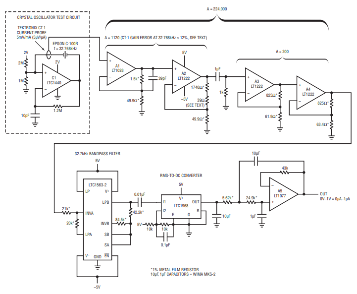
图1的高增益,低噪声放大器与市售的封闭铁芯电流探头相结合,以允许测量。RMS-to- dc转换器提供RMS值。虚线所示的石英晶体测试电路是一种典型的测量情况。泰克CT-1电流探头监测晶体电流,同时引入最小的寄生损耗。探头的50欧姆端接输出馈送到A1。A1和A2的闭环增益为1120;超过1000标称增益的额外增益校正了CT-1在32.768kHz时12%的低频增益误差。(1)A3和A4的增益为200,导致放大器的总增益为224,000。此图在A4参考增益校正CT-1输出的1V/µa比例因子。A4的LTC1563-2带通滤波输出馈送基于LTC1968的RMS-to-DC转换器(A5),该转换器提供电路的输出。信号处理路径构成一个调谐到晶体频率的极窄频带放大器。图2显示了典型的电路波形。晶体驱动,采取在C1的输出(迹A),导致530nA的RMS晶体电流,这是表示在A4的输出(迹B)和RMS- dc转换器输入(迹C)。峰值可见在迹B的未滤波表示源自固有和寄生路径分流晶体。

图1 运算放大器A1-A4提供增益>200000,允许亚µA晶体电流测量。LTC1563-2带通滤波器平滑残余噪声,同时提供32.768kHz的单位增益。LTC1968 RMS-to- dc转换器提供RMS校准输出。

图2 晶体振荡器的32.768kHz输出(跟踪A)和在A4输出(跟踪B)和rms - dc转换器输入(跟踪C)处监测的晶体电流。跟踪B的未滤波波形中的峰值来自固有和寄生路径分流晶体。
典型电路精度为5%。不确定项包括变压器的公差,其大约1.5pF的长和电阻/ rms - dc转换器误差。校准电路使误差减小到小于1%。校准包括在32.7kHz下以1µA驱动变压器。这是通过偏置一个100k, 0.1%的电阻,振荡器设置在0.1V输出。输出电压应用具有适当精度的RMS电压表进行验证。图1是用一个小的电阻校正填充A2的增益来校准的,通常是39欧姆。
笔记
(1)在一个正弦频率(32.768 khz)下,用7个样品组的Tektronix ct -1进行了增益误差校正的有效性研究。在1.00µa, 32.768kHz的正弦输入电流下,器件输出总体下降幅度在0.5% - 12%以内。虽然这倾向于支持测量方案,但值得注意的是,这些结果是经过测量的。泰克不保证低于指定的-3dB, 25kHz低频滚降的性能。