资料:TL494
在电子电力技术日新月异的今天,对器件的供电电源要求越来越苛刻。在各种类型电源中开关电源以其稳定性、高效性和功率密度高等优点而得到越来越多的应用。各种开关技术又以PWM技术为主,通过改变脉冲占空比调节输出电压,达到输出稳定。本系统利用单片机MSP430F449,以电压型PWM控制器TL494为核心,设计了一种Boost型稳压输出开关电源。
TL494是一种性能优良的电压型PWM控制器。电压型PWM控制器的原理是将电源输出电压Uo与基准值比较,得到误差电压Ue,该误差电压送人调节器,由调节器输出控制电压U,控制电压与锯齿波发生器产生的锯齿波信号进行比较,改变PWM的输出占空比,进而控制开关管的通断改变输出电压。
1.系统整体方案
系统由主回路、反馈回路、保护电路、人机交互等部分组成。主回路包括隔离变压器降压部分、整流桥路整流部分以及DC-DC Boost升压部分。反馈回路则包括电压电流采样部分、小信号放大部分、A/D转换部分、控制电压输出部分。保护电路包括电压电流检测及保护等电路。人机交互则包含键盘、显示器控制部分。系统的整体框图如图1。

图1 系统总体框图
2.主体电路设计
2.1DC_DC主回路拓扑
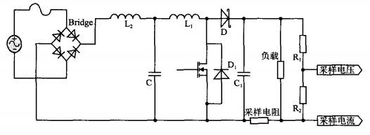
本系统采用Boost电路进行DC—DC变换。利用调节开关管的占空比来控制输出电压。开关管关断与开通交替进行,电感L将交替的存储和释放能量,电感L储能后使电压上升。而电容C则将输出电压保持平衡,输出输入电压关系为:Uo=Uin(ton+toff)/toff。只需要通过改变开关管通断占空比即可得到所需输出电压。其原理图如图2。

图2 Boost升压原理图
2.2TL494电路设计
TL494内置5V基准电压参考源,5脚6脚外接电容与电阻,可产生对应锯齿波后送比较器比较进而产生一定周期的振荡信号,振荡器频率为fosc=1/RTCT。4脚为死区时间控制端,13脚为输出方式控制端。芯片内部包含两个相同的误差放大器,输出端经二极管隔离后送至比较器同相端,与反向端锯齿波电压相比较,并决定输出电压的宽度。调宽过程由3脚的电压控制,也可经误差放大器进行控制。两个放大器可独立使用,用于反馈电压和过流保护。
本应用电路中TL494的3脚和13号脚接地,2脚和3脚之间接51kn的电阻,1脚作输入端。5脚6脚分别接1000pF的电容和2.7kQ的电阻,产生50kHz的振荡频率,过流保护措施采用15脚接电阻分压16脚接入动作电压值即可。其实现电路如图3。

图3 TL494应用电路
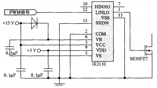
2.3开关管驱动电路
开关管驱动选用IR公司MOSFET专用驱动芯片IR2110。如图4所示,输入信号为TL494输出的PWM信号,其输出信号则可直接驱动开关管。

图4 IR2110驱动电路
2.4电压电流采样及小信号放大
由于电流很小时经过A/V转换后的电压值很小,此时需要经过放大后才能精确采集。此处选用PGA程控放大的方式,使采集信号放大0~1000倍,保证小电流和大电流均可通过程序控制采得。
2.5D/A转换器与A/D转换器的选取
D/A转换器的选取直接关系到系统的输出精度和闭环调节的稳定度,此处选用Maxim公司的串口16位高精度D/AMAX5441作为D/A转换器对TL494输出控制电压。而采用MSP430F449有12位A/D转换器,可满足本系统的数据采集精度要求并且可以降低成本、简化电路。
3.器件选择及参数计算
3.1Boost升压电路器件选择
开关场效应管及肖特基二极管的选择:功率MOSFET的栅极驱动需要考虑保护、隔离等问题。IRF540是电压控制型器件,静态时几乎不需要输入电流,但由于栅极输入电容Cin的存在,在开通和关断过程中仍需要一定的驱动电流来给输入电容充放电。栅极电压UG的上升时间tr采用放电阻止型缓冲电路来确定。其缓冲电路的电容Cs和电阻Rs的选择原则是MOSFET在关断信号到来之前,将缓冲电容所积累的电荷放净。如果缓冲电路电阻过小,会使电流波动,MOSFET开通时的漏极电流初始值将会增大。
输出滤波元件决定了电源的稳定性,是DC-DC变换器设计中最关键部分。重点是要选择两个元件,一个是输出电感L,另一个是输出电容C。影响电源稳定性的最关键参数是输出电容的ESR,一般越小越好。电容的数据手册一般都会给出电容的最大ESR,而最小ESR通常为最大ESR的40%~60%。可以通过多个电容并联的方法来降低ESR提高电路的瞬态响应。此外,在选择电容的时候,电容的温漂也要适当考虑。
滤波电容:
∆Uo取20mV。则CB取值为2200μF。为减小输出的电压纹波,可在输出电压端并联多个低等效电阻的电解电容。
电感:由公式:
电感取值为280μH。
占空比:输出电压变化范围30~36V,由公式:Uo/Uin=1/(1一D)可计算出占空比变化范围为0.109~0.4697。
3.2效率的分析及计算
在U2=18V,输出电压Uo=36V,输出电流Io=2A的测试条件下。由系统的额定功率Po=72W,为使效率达到90%以上则要求输入功率为80W,允许损耗的功率为8W。
电路的功率损耗主要有开关损耗、电感储能损耗、整流二极管损耗、数字电路损耗。
(1)开关管的损耗包括开关损耗与导通损耗。开关管的损耗直接与开关频率有关系,其功率损耗的计算公式为:

取Ton=T/2,f=50kHz。则开关管的损耗约为1.5W。
(2)肖特基二极管的损耗。当二极管导通时流过二极管的电流等于电感电流,约为Io=Iin=3.86A。为降低损耗可以采用双管并联的方式,每只二极管的电流约为1.8A,对应其UD=0.42V。二极管导通损耗PD=IoUDD=1.4W。
(3)储能电感损耗。储能电感损耗公式如下:

其大致功率为1.1W。
(4)数字电路的损耗包括D/A、单片机、LCD、TL494和IR2110以及采样电路等元器件的工作损耗。计算其损耗大致为1W。经计算可得到系统功率损耗约为5W,其效率甚至可达93.6%。
4.软件设计
系统初始化完毕后输出30V直流电压,然后等待键盘中断。若检测到有输入值则单片机通过控制D/A的输出调节输出电压,然后显示出此时系统电压电流。若没有中断则显示当前电压电流。若检测输出过压或过流,则跳人保护程序。程序流程图如图5。

图5 软件流程图
5.测试结果
设计的开关电源系统测试结果如下:
(1)输出电压可调范围测试(负载RL=45Ω)
经测试发现本电路输出范围可达到30~36V,步进0.5V。设定值与实际输出值对应表如表1。

(2)负载调整率(U2≈18V,Uo≈36V)见表2。

负载调整率Sl≈(36.04-35.55)/36=0.25%。
(3)电压调整率(Uo=36V,Io=2A)见表3。

则电压调整率计算得Su≈(36.09-36.05)/36=0.11%。
结语
本文总结了基于TL494的Boost型DC-DC电源设计方案,该系统电路结构简单,直流输出电压可调范围为30-36V,效率高达90,其中过流保护与过压保护的设计直接结合TL494的特点利用硬件电路实现,具有较高的安全性与可靠性,单片机完成的功能少,使系统具有较快的响应速度。