资料:TL431
针对恒压供电传感器、变送器的需要,针对温度漂移小,输入宽电压及大电流负载的问题,根据常用单端稳压芯片TL431内部结构、工作原理和主要特点,本文提出了一种TL431的线性精密稳压电源的设计方案,下面将介绍该方案的设计过程与结果。
产品图片

TL431中文资料
1.引言
TL431是一个有良好热稳定性能的三端可调精密电压基准集成芯片,具有体积小、价格低廉、性能优良等特点:它的输出电压用两个电阻就可以任意地设置到从参考电压(2.5V)到36V范围内的任何值,典型动态阻抗仅为0.2Ω,电压参考误差为±0.4%,负载电流能力从1.0mA到100mA,温度漂移低,输出噪声电压低等。基于以上特点,不仅可以用于恒流源电路、电压比较器电路、电压监视器电路、过压保护电路等电路中、还广泛应用于线性稳压电源、开关稳压电源等直流稳压电源电路中。
2.TL431概述
2.1TL431的符号
该器件的符号如图1,三个引脚分别为:阴极(CATHODE)、阳极(ANODE)和参考端(REF),参考电压为2.5V。

TL431符号
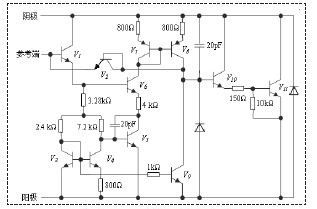
2.2TL431的内部电路图
由内部电路图图2可以看出,它由多极放大电路、偏置电路、补偿和保护电路组成,其中晶体管V1构成输入极,V3、V4、V5构成稳压基准,V7和V8组成的镜像恒流源与V6、V9构成差分放大器作中间级,V10、V11形成复合管,构成输出,其它一些电阻、电容、二级管分别起偏置、补偿和保护作用,在原理上它是一个单端输入、单端输出直流放大器。

TL431的内部电路图
然而其等效功能示意图如图3所示,由一个2.5V的精密基准电压源、一个电压比较器和一输出开关管等组成,参考端的输出电压与精密基准电压源Vref相比较,当参考端电压超过2.5V时,TL431立即导通。因为R端控制电压误差为±1%,所以参考端能精确地控制TL431的导通与截止。

TL431等效功能示意图
3.并联稳压电路设计
3.1基本并联稳压电路原理
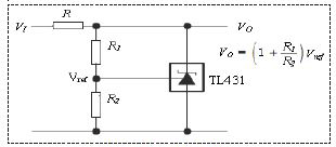
TL431内部含有一个2.5V的基准电压,所以当在Vref端引入输出反馈时,器件可以通过从阴极到阳极很宽范围的分流,控制输出电压。如图4所示的电路,当R1和R2的阻值确定时,两者对VO的分压引入反馈,若增大,反馈量增大,TL431的分流也就增加,从而又导致VO下降。显见,这个深度的负反馈电路必然在等于基准电压处稳定,此时VO=(1+R1/R2)Vref.选择不同的R1和R2的值可以得到从2.5V到36V范围内的任意电压输出,特别地,当R1=R2时,VO=5V.若使R1短路,R2开路,即把参考端与阴极端短接,此时则有输出电压VO=2.5V(参考端电压),最适合用于数字电压表和模数转换器或其它电路中作基准电压源。

基本并联稳压电路
需要注意的是,和在选择电阻R时必须保证TL431工作的必要条件,就是通过阴极的电流要大于1mA,R1和R2要选择精度为1%的同类电阻,才能保证基准电源的长期稳定性。
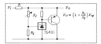
3.2并联扩流稳压电路
在多种应用电路中,实际上是将图5为在图4的基础上将电路稍加改进,采用三极管扩流,组成大电流基准电压源,且图5中的晶体管可根据负载电流的大小选用不同功率的晶体管,这时限流电阻R也要相应增加其功率。

TL431并联扩流稳压电路
并联稳压电路适用于各种传感器、变送器、和仪表各种A/D转换器中,图6就是在电偶变送器中的应用。

TL431基准稳压电路在电偶电路中的应用
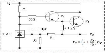
4.串联扩流稳压电路
TL431除了可使用在并联稳压电路中,图4和图5中的限流电阻R的功耗就要随着输入电压的不同而功率发生变化,需用功率大的限流电阻,否则就会因电流过大而损坏。

TL431高精度大电流串联稳压电路
采用串联行的接法,如图7,解决了上述问题。将流经限流电阻R电流的分流一部分,用两个NPN的三极管V1和V2,通过NPN+NPN的同极性接法够成NPN型达林顿管,放大倍数是V1和V2的放大倍数的乘积。这样集电极不仅分流了图5电阻R承受的大部分电流,解决了所需大功率电阻的问题,而且因达林顿管的电流放大能力增强,使TL431带载能力增强,不用大功率三极管就可接大电流负载。
实际应用中,为差动变压器式位移传感器LVDT稳压电源时,当负载电流为50mA时,流经R的电流仅为1mA,流过达林顿集电极的电路为49mA,电阻R采用小功率表贴电阻就能满足需要,实现恒压功能。而且在宽电源输入下,输出变化量小。如表1,测试条件为R1=2.5KΩ,R2=3.5KΩ,R=3KΩ,负载电流50mA,TL431选用SOT-89封装,型号为TL431QPK,宽电压供电的情况下仅变化1mV。如果在并联电路中使用,替代图5中所示电路,效果更好。

图6所示电路具有良好的热稳定性。由于TL431的温度漂移低,0℃~40℃为6mV,-40℃~85℃和-40℃~125℃为14mV,所以输出电压的温度特性要比普通恒压源好的多,如果R1和R2选用温度漂移系数低的电阻,恒压电路的整体温度漂移也很小,在应用中无需附加温度补偿电路。实际应用中,R1=2.5KΩ,R2=3.5KΩ,从型号TL431QPK,SOT-89封装50个芯片中随机抽取3支,用图6所示电路作为差动变压器式位移传感器的稳压电路,温区范围-40℃~125℃,温漂测量如表2所示,仅有几个到十几毫伏,均符合所给指标。

可见串联电路提高了稳定精度,降低了TL431的功耗,减少了TL431因过热而损坏的机率,上述电路不但可以作为工业级的传感器稳压基准,而且可以为宽温区低温漂的军品级的产品精密稳压电源基准,是一款实用的精密线性稳压电路。
结语
本文总结了基于TL431的线性精密稳压电源的设计过程,后经过大量实验和长期应用证明了本方案所设计的基于TL431的可调式精密稳压电源实现了大功率、宽电压、低温漂的功能, 性价比高具有很强的使用性能。