DRV8313点击型号即可查看芯片规格书
特征
•三个1/2小时桥式驱动器IC
–三相无刷直流电机
–电磁阀和有刷直流电机
•高电流驱动能力:2.5-A峰值
•低MOSFET导通电阻
•独立1/2 H桥控制
•非承诺比较器可用于电流限制或其他功能
•内置3.3-V 10 mA LDO调节器
•8-V至60-V工作电源电压范围
•待机状态下的睡眠模式
•小包装和占地面积
–28针HTSSOP(电源板™ 包装)
–36针VQFN
应用
•摄像机万向节
•HVAC电机
•办公自动化机器
•工厂自动化和机器人技术
说明
DRV8313提供三个单独可控的半桥驱动器。该装置旨在驱动三相无刷直流电动机,尽管它也可以用来驱动螺线管或其他负载。每个输出驱动通道由N通道功率MOSFET组成,配置在1/2 H桥配置中。每个1/2 H桥驱动器都有一个专用的接地端子,允许独立的外部电流感应。
在DRV8313中集成了一个未提交的比较器,允许构造限流电路或其他功能。
内部保护功能可用于欠压、电荷泵故障、过电流、短路和过热。故障条件是由nFAULT引脚指示。
设备信息

(1)、有关所有可用的软件包,请参阅数据表末尾的订购附录。
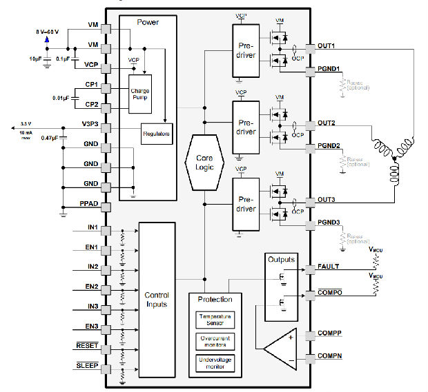
简化示意图

开关特性
TA=25°C,VM=24 V,RL=20Ω。

典型特征



详细说明
概述
DRV8313集成了三个独立的2.5半高桥、保护电路、休眠模式、故障报告和一个比较器。单电源支持广泛的8-V至60-V范围,使其非常适合电机驱动应用。
功能框图

特性描述
输出级
DRV8313包含三个半桥驱动程序。所有三个半hbridge的低侧fet的源端在单独的引脚(PGND1、PGND2和PGND3)处终止,以允许在每个输出上使用低侧电流检测电阻器(如果需要)。用户还可以将这三个传感器连接到一个低压侧检测电阻器上,或者如果不需要电流感应,也可以直接将它们连接到地上。
如果使用低压侧感应电阻器,确保PGND1、PGND2或PGND3引脚上的电压不超过±500 mV。
该设备有两个VM电机电源引脚。将两个VM引脚连接到电机电源电压。
桥梁控制
INx输入引脚直接控制OUTx输出的状态(高或低);ENx输入引脚启用或禁用OUTx驱动程序。表1显示了逻辑:

充油泵
由于输出级使用N沟fet,因此器件需要比VM电源更高的栅极驱动电压来充分增强高侧fet。DRV8313集成了一个电荷泵电路,该电路可产生高于VM电源的电压。
电荷泵需要两个外部电容器才能工作。有关这些电容器(值、连接等)的详细信息,请参阅方框图和管脚说明。
当nSLEEP低时,充电泵关闭。

比较仪
DRV8313包括一个未提交的比较器,它可以用作电流限制比较器或用于其他目的。
图12显示了使用比较器检测电流以实现电流限制的连接。来自所有三个低侧场效应晶体管的电流是用一个低侧检测电阻器感测的。通过感测电阻器的电压与基准电压进行比较,当感测电压超过基准值时,向控制器发出电流限制条件的信号。V3P3内部电压调节器可用于设置比较器的参考电压。

保护电路
DRV8313具有对欠压、过电流和过热事件的全面保护。
欠压锁定(UVLO)
如果VM引脚上的电压在任何时候低于欠压阈值电压(VUVLO),则Hbridge中的所有FET将被禁用,电荷泵将被禁用,内部逻辑将重置,nFAULT引脚将被驱动为低电平。当VM高于UVLO阈值时,操作将恢复。恢复操作后,nFAULT引脚将被释放。
热关机(TSD)
如果模具温度超过安全限值,H桥中的所有FET将被禁用,并且nFAULT引脚将被驱动到低电平。一旦模具温度下降到安全水平,操作将自动恢复。恢复操作后,nFAULT引脚将被释放。
过流保护(OCP)
每个FET上的模拟电流限制电路通过移除栅极驱动来限制通过FET的电流。如果此模拟电流限制持续时间超过tOCP,设备将禁用经历过电流的通道,并驱动nFAULT引脚低。驱动程序将保持关闭状态,直到断言nRESET或循环VM电源。
高压侧和低压侧装置上的过电流情况,即对地短路、电源短路或电机绕组短路,都会导致过电流停机。

设备功能模式
除非nSLEEP引脚逻辑低,否则DRV8313激活。在休眠模式下,电荷泵被禁用,输出FET被禁用Hi-Z,V3P3调节器被禁用。如果nSLEEP逻辑高,DRV313将自动退出休眠模式。
复位和复位操作
当低驱动时,复位销复位所有故障。当它处于活动状态时,它还会禁用输出驱动程序。当nRESET处于活动状态时,设备忽略所有输入。注意,有一个内部加电复位电路,因此不需要在通电时驱动复位。
驱动nSLEEP低使设备进入低功耗睡眠状态。进入此状态将禁用输出驱动器,停止栅极驱动电荷泵,重置所有内部逻辑(包括故障),并停止所有内部时钟。在这种状态下,设备忽略所有输入,直到nSLEEP返回inactive high。从休眠模式返回时,必须经过一段时间(约1毫秒)后电机驱动器才能完全工作。V3P3调节器保持在休眠模式下工作。

应用与实施
注意
以下应用章节中的信息不是TI组件规范的一部分,TI不保证其准确性或完整性。TI的客户负责确定组件的适用性。客户应验证和测试其设计实现,以确认系统功能。
申请信息
DRV8313可用于驱动无刷直流电机、有刷直流电机和电磁阀负载。以下设计过程可用于配置DRV8313。
典型应用
三相无刷直流电机控制
在此应用中,DRV8313用于驱动无刷直流电机。

设计要求
表4给出了系统设计的设计输入参数。

详细设计程序
电机电压
无刷直流电机的额定电压通常为一定的电压(例如12伏和24伏)。在较高电压下操作电机对应于较低的驱动电流以获得相同的电机功率。更高的工作电压也对应于更高的转速。由于最大VM额定值为60 V,DRV8313允许使用更高的工作电压。
在较低电压下运行通常可以更精确地控制相电流。DRV8313的工作电压为8V。
电机换向
DRV8313可以驱动梯形(120°)和正弦(180°)换向,这是由于对三个1/2-H电桥的独立控制。
支持同步整流和异步整流。同步整流是通过在驱动时向INx引脚施加脉宽调制(PWM)输入信号来实现的。用户还可以通过将PWM信号应用到ENx输入端来实现异步整流。

应用曲线

带电流监测器的三相无刷直流电机控制
在这个应用中,DRV8313被用来驱动一个无刷直流电动机和一个未提交的比较器被用来监测马达的电流

设计要求
表6给出了系统设计的设计输入参数。

详细设计程序
跳闸电流
未提交比较器的配置使得负输入COMPN连接到PGNDx管脚。在PGNDx/COMPN引脚与GND之间放置一个感应电阻。
COMPP引脚上的电压将设置电流监视器跳闸阈值。在这种情况下,当COMPP和COMPN具有相同的电位时,nCOMPO管脚的状态将发生变化。

示例:如果所需跳闸电流为2.5 A;
设置RSENSE=200 mΩ;
COMPN必须是0.5伏。
从V3P3(3.3V)创建一个电阻分压器,以设置COMPN≈0.5V。
设置R2=10 kΩ,设置R1=56 kΩ。
感测电阻器
为获得最佳性能,感测电阻器必须具有以下特性:
•表面安装
•低电感
•额定功率足够高
•靠近电机驱动器
感测电阻器消耗的功率等于Irms 2×R。例如,如果rms电机电流为1A,并且使用200 mΩ感应电阻器,则电阻器将消耗1 A2×0.2Ω=0.2 W。随着电流水平的升高,功率迅速增加。
电阻器通常在某个环境温度范围内有一个额定功率,以及在高环境温度下的降额功率曲线。当一个PCB与其他发热元件共用时,应增加余量。测量最终系统中的实际感测电阻温度,以及功率mosfet,总是最好的,因为它们通常是最热的组件。
由于功率电阻比标准电阻更大、更昂贵,因此在感测节点和接地之间并联使用多个标准电阻是一种常见的做法。这种结构分配电流和散热。
有刷直流和电磁负载

设计要求
表7给出了系统设计的设计输入参数。

详细设计程序

三个电磁阀负载

设计要求
表10给出了系统设计的设计输入参数。

详细设计程序

电源建议
本体电容
在电机驱动系统设计中,具有合适的局部体积电容是一个重要因素。一般来说,有更多的体积电容是有益的,但缺点是成本和物理尺寸增加。
所需的本地电容量取决于多种因素,包括:
•电机系统所需的最高电流
•电源的电容和电流能力
•电源和电机系统之间的寄生电感量
•可接受的纹波电压
•使用的电机类型(有刷直流、无刷直流、步进电机)
•电机制动方法
电源和电机驱动系统之间的电感限制了电源的额定电流变化。如果局部大容量电容太小,系统会根据电压变化对电机的过大电流需求或转储做出响应。当使用足够的大容量电容时,电机电压保持稳定,并能快速提供大电流。
数据表通常提供建议值,但需要进行系统级测试以确定适当尺寸的大容量电容器。

大容量电容器的额定电压应高于工作电压,以便在电机向电源传输能量时提供裕度。
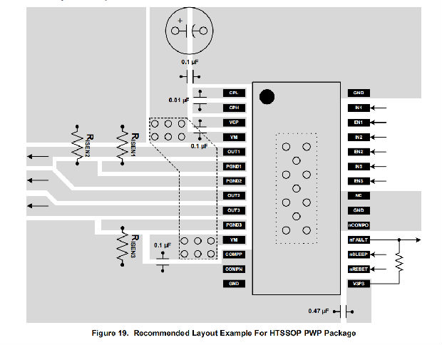
布局
布局指南
大容量电容器的放置应尽量减少通过电机驱动装置的大电流路径的距离。连接金属迹线宽度应尽可能宽,连接PCB层时应使用多个过孔。这些做法使电感最小化,并允许大容量电容器输送高电流。
小容量电容器应该是陶瓷的,并且放置在离器件引脚很近的地方。
高电流设备输出应使用宽金属迹线。
设备热垫应焊接到PCB顶层接地板上。应使用多个通孔连接到大型底层地平面。使用大金属平面和多个通孔有助于消散器件中产生的I2×rDS(on)热。
在图19和图20中,未提交的比较器没有使用。因为在这种情况下,COMPP、COMPN和COMPO引脚都与GND相连。
布局示例


热注意事项
如前所述,DRV8313具有热关机(TSD)。模具温度超过150°C(最低限度)会使设备失效,直到温度降至安全水平。
设备进入热关机的任何趋势都表明功率消耗过大、散热不足或环境温度过高。
散热
PowerPAD包使用暴露的焊盘来去除设备中的热量。为了正确操作,该焊盘必须与PCB上的铜热连接以散热。在具有接地层的多层PCB上,添加多个通孔,将热焊盘连接到接地平面上,以实现这一点。在没有内部平面的PCB上,在PCB的任一侧添加铜区域以散热。如果铜区与设备在PCB的另一侧,则使用热通孔在顶层和底层之间传递热量。
一般来说,提供更多的铜面积可以消耗更多的功率。
功耗
在DRV8313中,在输出FET电阻中消耗的功率或rDS(on)控制着功耗。当运行静态负载时,每个半H桥的平均功耗粗略估计为:

其中:
•P是一个H桥的功耗,
•rDS(on)是每个FET的电阻,以及
•IOUT等于负载所消耗的平均电流。
在启动和故障条件下,该电流远高于正常运行电流;记住要将这些峰值电流及其持续时间考虑在内。
总的器件损耗是三个半H桥中每一个的功耗加在一起。
该装置能消耗的最大功率取决于环境温度和散热量。
注意rDS(on)随着温度的升高而增加,因此当设备加热时,功耗也会增加。在确定散热器尺寸时,请将此考虑在内。