AD620点击型号即可查看芯片规格书
目录
| 1.系统设计方案 |
| 小结 |
微弱信号的放大要求高,难易度高,信号放大和信号放大的稳定性和精度的要求有关。差动放大技术由于具有抑制共模信号而仅放大差模信号、增益高的特点,被应用于小信号放大技术中。系统设计采用具有差分放大功能的AD620芯片,放大了应变式传感器的微弱电压信号,以实现系统高精度的要求。本文利用虚拟仪器技术对放大后的信号进行采集和分析处理,并编写相应的显示界面。用二阶插值法对测量数据进行分析,验证了电路的精确性。
系统由直流稳压源提供±12 V和±5 V两种电压。设定±12 V供电时,系统电压输出满量程为5V,传感器承受静压力满量程为19.6N。满量程范围内测量时,静压力信号最大绝对误差<9.8×10-3N,相对误差<0.02%。测力传感器输出信号经放大电路后提供电压和电流两种输出方式。
系统整体设计流程如图1所示。系统硬件电路主要由LC7012测式力传感器、AD620仪表放大器、参考电压源以及电压调零电路、信号滤波整形电路和电压电流转换电路组成。

图1 系统硬件电路整体设计流程
压力测量采用LC7012测力传感器,配以全桥测量电路实现。LC7012测力传感器受到压力作用时有以下两个特点:(1)同样压力情况下传感器应变片的应变量和电桥的输出电压是常量,且与压力作用在传感器受力端的精确位置无关。(2)应变片组成的全桥电路的输出电压与压力基本成线性关系。
LC7012测力传感器中4片电阻应变片粘贴在双孔梁的应变区,在有静压力作用时,双孔梁在压力和系统底盘对双孔梁的支持力的作用下产生四边形形变。4片应变片以全桥方式接成全桥电路,在供桥电压的激励下,随压力不同而输出不同的微弱电压信号,放大电路将电桥送来的微弱电压信号进行放大。
全桥式等臂电桥的结构简单、对称性强、灵敏度高、各臂参数一致性好,各种干扰的影响可以相互抵消,比如可以抑制温度变化的影响,以及抑制侧向力的干扰、较方便地解决测力传感器的补偿等问题。全桥测量电路可使输出的微弱电压信号,尽可能地排除由电路本身干扰而引起的误差,为系统整体精度要求提供最初的保障。
为提高电桥输出的微弱电压信号的放大精度,信号放大电路选用ADI公司生产的AD620芯片为核心原件,并为其设计专门的可调参考电压源,以满足不同电压源供电对参考电压的需求和精确放大微弱信号的需求。

图2 AD620引脚排列
AD620是一款低成本、高精度的仪表放大器,仅需一个外部电阻来设置增益,增益范围为1~10 000 dB。且AD620功耗低,最大工作电流为1.3 mA。AD620具有高精度(最大线性度40×10-6)、低失调电压(最大50μV)和低失调漂移(最大0.6μV/℃)的特性,是传感器接口等精密数据采集系统的理想选择。图2是其的引脚排列
AD620单片结构和激光晶体调整,允许电路元件紧密匹配和跟踪,从而保证电路固有的高性能。AD620为三运放集成的仪表放大器结构,为保护增益控制的高精度,其输入端的三极管提供差分双极输入,并采用β工艺获得更低的输入偏置电流,通过输入级内部运放的反馈,保持输入三极管的集电极电流恒定,并使输入电压加到外部增益控制电阻RG上。AD620内部增益电阻以调整至绝对值24.7 kΩ,因此利用一个外部电阻便可实现对增益的精确编程。
增益公式为
![]()
AD620放大后的电压信号可通过滤波整形电路,并经由模数转换器模块用数码管以数字形式显示。为充分利用和展示虚拟仪器的功能,系统使用LabVIEW设计相应的信号采集处理程序和显示器界面。
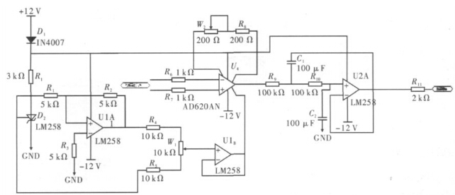
参考电压源电路主要由一个稳压二极管LM285、一个低功耗双运算放大器芯片LM258、一只可变电阻和若干固定阻值电阻组成,如图3左下部分。该参考电压源电路可为AD620提供1.25 V或2.5 V精确参考电压。

图3 电压信号放大电路
稳压二极管LM285提供初级稳定电压,但由于二极管的温漂较大,且同批次不同二极管的稳压值也不尽相同,所以必须对其设计相应的辅助稳压电路。运算放大器LM258U1A对来自稳压二极管的电压进行放大,并通过反馈电阻R2对输出电压进行反馈,使得输出电压更加稳定。电阻R5和电位器W1对稳压二极管的输出电压进行分压。电位器W1有两个作用:(1)调节W1可使得由运算放大器LM258U1B组成的电压跟随器有不同的输出电压,进而对AD620提供不同的稳定参考电压。(2)电位器W1还对AD620组成的放大电路起到调零作用。使用电压跟随器是因为电压跟随器可以提高输入阻抗且降低输出阻抗,而电源的要求正是需要电路有较小的输出电阻。
AD620本身具有内部调零功能,但根据实际测量发现,当差分输入为零时输出并不为零,而是大约有零点几mV的输出,所以,为提高输出的精确性,还需对AD620进行外部调零,通过对AD620参考电压管脚提供不同参考电压可使得仪表放大器AD620输出端在差分输入为零时,输出电压对地为零。电路正是通过调节W1使得电压跟随器输出端有不同的电压输出,调节AD620的参考电压,从而起到对AD620调零的作用。
参考电压不稳定会直接影响到由AD620组成的放大电路的稳定性,并导致最终输出结果的不精确。所以系统并没有直接采用直流稳压源提供的相对稳定的-12 V或-5 V作为参考电压。
电压电流转换电路使系统可以以电流的形式输出,由AD620与一个AD705运算放大器和两个电阻相结合(如图4所示),构成一个静谧的电流源,AD705为基准引脚提供缓冲,以确保良好的共模抑制(CMR)性能。AD620的输出电压出现在电阻RL上,后者将其转换成电流输出。

图4 电压电流转换电路原理图
AD705是低功耗、双极型的运算放大器,它具有双极型场效应晶体管的输入级。因此,具有输入阻抗高、输入失调电压低、输入偏置电流小、输入失调电压漂移小的特点。输入偏置电流达到了pA级的水平,它既具有双极型场效应晶体管与双极型运算放大器的许多优点,又克服了全温度范围内偏置电流漂移大的缺陷。在全温度范围内,AD705的偏置电流典型值仅增长5倍,而一般的双极型场效应晶体管运算放大器偏置电流要增长1 000倍。与OP07相比,温度漂移值为OP07的1/2,最大输入偏置电流仅为OP07的1/5,输入失调电压仅为OP07的1/20。由于是双极型场效应晶体管输入极,因此,信号源阻抗比OP07高得多,而它的直流精度却保持不变。
系统软件采用LabVIEW编写。LabVIEW是一种图形化的编程语言,作为数据采集和仪器控制软件的标准被广泛应用于各个领域。LabVIEW是一个功能强大且灵活的软件。利用它可以方便地建立自己的虚拟仪器。在一个硬件的情况下,通过改变软件编程,就可以实现不同仪器的不同功能,方便、快捷。
结合当前测试领域仪器发展新方向,最终输出模拟电压信号选用研华USB4716通用数据采集模块进行采集,传输到计算机。使用NI虚拟仪器(LabVIEW)设计电压信号采集控制程序和电压数据实时显示界面。利用LabVIEW软件平台分析、处理来自USB4716的数字电压信号。LabVIEW电压信号采集控制和显示的部分程序如图5所示。

图5 电压信号采集程序
二阶插值(抛物线插值):在一组数据中选取(x0,y0),(x1,y1),(x2,y2)这3点,相应的插值方程

为取得压力与电压的精确对应关系,方便后续绝对误差和相对误差的分析,实验采用静态测量方法,测量一系列的静压力值,并对实验结果进行定量分析,从而测定电路精度,而没有采用常用的波形时域和频域分析的方式。

在满量程范围内由小到大测量20个静压力值,并使压力增量△相同。令△=0.98 N,采用二阶插值法分析电压与压力对应的关系。由表1中选取具有代表性的3点:(x0,y0)=(0,0);(x1,y1)=(2.498 V,9.8 N);(x2,y2):(5.001 V,19.6 N)。带入二阶插值
公式得传感器所受压力与系统输出电压关系曲线为
y=(-1.568×10-3)x2+3.927x (3)
绝对误差反映测量值偏离真实值的大小,即测量值与真实值之差的绝对值。绝对误差可定义为
ε=|X-L| (4)
式中,ε为绝对误差;X为测量值;L为真实值。
相对误差是绝对误差与测量值或多次测量平均值的比值,并且通常将其结果表示成百分数的形式,所以也叫百分误差。
绝对误差可以表示一个测量结果的可靠程度,而相对误差则可以比较不同测量结果的可靠性。当用同一种工具测量时,被测量的数值越大,测量结果的相对误差就越小。
应变式压力传感器试验系统的绝对误差和相对误差如图6和图7所示。两图中分别给出了出另外两种数据处理方法:线性插值法和平均选点法的绝对误差和相对误差曲线。从图6和图7中可以看出,二阶插值法计算精度高于其他两种方法,也证明该数据处理方法的选择是正确的。

图6 绝对误差曲线

图7 相对误差曲线
由相对误差和绝对误差图知,在0~4.9 N范围内电路的测量结果误差较大,但仍满足系统设计要求。经过对传感器及实验测量电路的分析,认为误差较大的原因来自于传感器的悬臂梁材料刚性以及固定应变片的粘性材料的柔性影响。由于电桥输出的微弱电压信号精确度受到影响,在经过放大电路后,误差也被放大,从而导致实验结果误差在测量值较小时误差较大。综上所述,该压力信号放大系统满足:满量程绝对误差<9.8×10-3N,相对误差的设计要求。