LM386点击型号即可查看芯片规格书
目录
| 1.红外线声光报警器电路 |
| 2.电子吆喝器(LM386、PT-8830) |
| 3.八路电子抢答器电路 |
| 4.汽车语音喇叭电路 |
| 5.LM386低电压音频功率放大器 |
| 6.电源极性变换电路 |
| 7.微机立体声功放电路 |
| 8.OCL功放电路 |
LM386功放集成电路的工作电压范围大,最小为4V,最大为15V。它的静态功耗仅为4mA,增益最大为46dB,即200倍。它的电路简单,外围元件少,适合电子爱好者制作各种电路。下面介绍由LM386制成的各种应用电路。
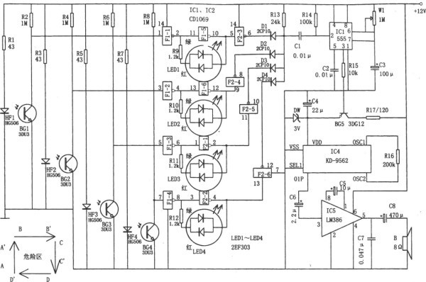
用555、LM386、KD9562构成的红外线声光报警器电路

图1 红外线声光报警电路
图1所示为红外线声光报警电路。该电路由与门电路、单稳延时电路、四路红外发射与接收电路、触发和二色发光电路、音响报警电路等组成。该报警器用于进入警戒区报警,报警范围如图所示。红外发光二极管HF1~HF4和红外接收配对管BG1~BG4(3DU31)组成四对发射、接收警戒线。
若有人穿越警戒线,红外光束被遮挡,则相应的配对管截止,相应与非门的输入为高电平,其使IC3(555)的触发端②脚,即由D1~D4组成的与门的输出端获得负微分脉冲,故555置位,由③脚输出高电平,使BG5饱和导通,从而使芯片IC4(KD-9562)得电,发出警车报警声。其中IC3单稳电路的延时宽度td=1.1Rw1R3决定音响时间,图示参数所对应的延时报警时间约为100秒。同时,根据具体情况可通过改变W、C的值来改变相应的时间。
稳压管DW采用2CW7或2CW10,稳压范围在3V左右,以保护音乐集成KD-9562,这样可防止其因过压(电压过高)而烧毁。芯片KD-9562是八模拟声音响集成电路,可根据使用场合及用途而选择相应乐曲。芯片LM386是单电源音频功放集成电路。用于扩大报警音响的范围。F1-1~F1-6,F2-1~F2-6采用六反相器CD4069。二色发光二极管LED1~LED4采用2EF303,正常情况下发出绿色光,有人穿越警戒线时,发出告警红光。

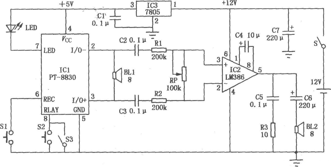
图2 电子吆喝器电路图
电子吆喝器电路如图2所示,它由语音录放、音频功率放大和稳压电源三部分电路组成。其中ICl 为“傻瓜”型语音录放集成电路PT-8815/20/30,它能进行30秒钟的语音录入和播放;IC2为集成功率放大器LM386,用于放大ICl输出的语音信号,使扬声器获得足够功率而发出响亮的声音;IC3采用7805型固定式三端集成稳压器。
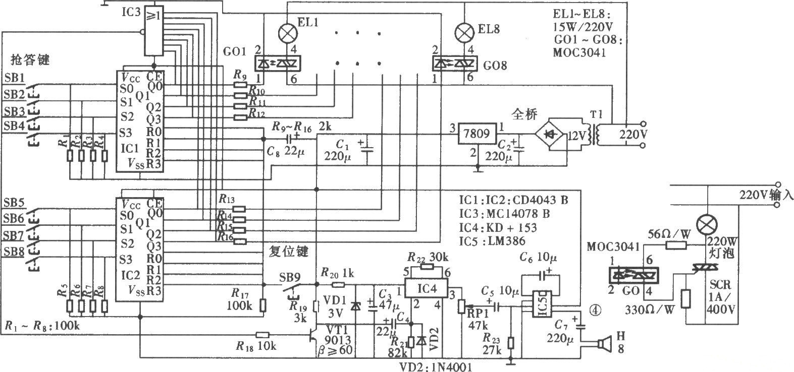
用CD4043和LM386组成的八路电子抢答器电路

图3 八路抢答器电路组成图
如图3所示的八路抢答器电路可供八位参赛者使用,它具有互锁功能和声光指示功能,电路组成如图所示。电路由八路按键输入与互锁电路、声光指示电路、总复位电路和工作电源电路组成。
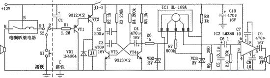
图4中虚线左边为原车电喇叭电路图,Sl为方向盘上的电喇叭按钮开关。S2为新增加的单刀双掷开关,用于原车电喇叭和语音喇叭之间的切换。当开关S2置于“2”时,按下开关Sl,电容Cl被充电,三极管VTl、VT2导通,继电器Jl吸合,其常开接点J1-1闭合并保持15秒钟向电路供电。ICl为专用语音集成电路HL-169A,由于其工作时间为2.8秒,所以用三极管VT3、VT4组成自激多谐振荡器,每3秒钟输出一次高电平作为触发信号,使ICl每3秒钟输出一次语音信号,送入IC2进行音频功率放大,由扬声器BL发出语音。

图4 汽车语音喇叭电路图
LM386电源电压4--12V,音频功率0.5w.LM386音响功放是由NSC制造的,它的电源电压范围非常宽,最高可使用到15V,消耗静态电流为4mA,当电源电压为12V时,在8欧姆的负载情况下,可提供几百mW的功率。它的典型输入阻抗为50K。

图5 LM386低电压音频功率放大器电路图
当运放的输出电流无法满足实际需求时,不能象门电路那样简单地并联使用;这时可以将通用型小功率运放换为输出电流较大的功放类运放器件,例如常见的TDA2030A。C1、C2同为退耦电容、加载运放同相输出端的电容C3起到了抑制干扰及滤波的作用对于大多数的OTL功放类器件而言,其内部一般都设置了对称的偏置电路结构,这就使其输出端的直流电位近似为电源电压的一半;根据上述原理,我们完全可以利用集成功放将单电源转换成为大小相等的双极性正、负电源,具体电路如下图所示。

图6 LM386组成的电源极性变换电路图
因声卡“线输出端”的音频信号幅度过大,可驱动LM386进而推动扬声器。又因在放VCD时会受到视频信号的干扰,完全按典型电路的接法效果不好,需加上一些元件并对元件值进行调试,原理图如图7所示。

图7 LM386的微机立体声功放电路原理图
LM386有两个输入端,同相输入端3脚和反相输入端2脚,输入信号可从任意端输入,将另一输入端接地,输入端并联电容C4,目的在于滤除放VCD时的视频干扰,数值可适当加大,但在放CD时有无C4均可;第1、8脚为增益控制端,由C2与W2组成增益控制网络。阻位越小增益越高,图2原理图W2调节在150Ω左右增益比较合适,增益太高易产生自激;第7脚接10μ电容。避免增益过高时产生自激;R2、C6组成高频成分衰减电路,消除扬声器中发出的“劈啦”声,C6容量的大小据实际效果进行调节;第6脚对地接一0.1μ电容,起滤波作用,消除放大器静态交流声;第5脚接耦合电容C3,若一个声道仅接一只纸盆扬声器(本文采用口径120mm、阻抗8欧、输出功率1W的纸盆扬声器),C3容量不可超过470μ,否则放重低音乐曲时,扬声器将出现堵塞现象。若采用高、低音分频技术,C3容量还可加大,使低音充分体现。W1用于调节输出音量,在玩游戏或听CD时特别方便;工作电压采用10伏,可自制一桥式整流滤波电路。
安装调试
按图7所示原理图,做成两块相同的功放电路,组合在一起即为一块立体声功放,因元件少,不需制作印刷线路板信号线最好用双芯屏蔽线,将立体声插头与两路放大器连接起来,屏蔽层线作为地线。放大器焊接好后先不要与声卡相接,检查焊接无误后接通电源,用金属镊子分别敲击立体声插头的两个输入端,若两个扬声器均能正常发出敲击声,表明放大器工作正常,关掉放大器及微机电源后,即可与声卡相接。连接方法是将立体声插头插人声卡的线输出插孔,例如SoundBlasterPro16王卡,卡后从上到下有四个插孔依次是:耳机或无源音箱插孔、线输出插孔、线输入插孔、麦克风输入插孔。对于其它品牌声卡,可参照说明书,找到线输出插孔插人即可。
最后强调一点,应避免带电微机或放大器拔插立体声插头,或在放大器与声卡相接的情况下焊接电路,以免损坏电脑。
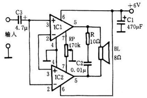
电路工作原理:图中IC1和IC2是两片集成功放LM386,接成OCL电路。C1起到电源滤波及退耦作用,C3为输入耦合电容,R1和C2起到防止电路自激的功能,RP为静态平衡调节电位器。 IC1和IC2选用集成功放电路LM386,具有功耗低、电压适应范围宽、频响范围宽和外围元件少等特点。其工作电压为4V~16V,如图中工作电压为 6V时,额定输出功率可以达到3W,适宜用来推动小音箱或作为设备的语音提示及报警功放。电阻R选用1/2W金属膜电阻器。电容C1选用耐压为16V的铝电解电容器;C2选用聚丙烯电容,C3选用钽电解电容。RP选用有机实芯电位器。扬声器BL根据实际需要选用8Ω,额定功率在10W以下的扬声器或音箱。

图8 LM386构成OCL功放电路的电路图
制作和调试方法:电路安装完成后,将音频信号输入端接地,调整RP,使IC1和IC2的两只5脚输出直流电压相等即可。由于LM386外接元件少,一般情况下都可正常工作。电路可安装在自制的印刷电路板上,也可在万能印刷电路板上来进行焊接。