TPS62130RGTR点击型号即可查看芯片规格书
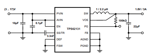
TPS62130RGTR是易于使用的同步降压DC-DC转换器,针对高功率密度应用进行了优化。通常为2.5MHz的高开关频率允许使用小型电感器,并通过使用DCS-Control拓扑提供快速瞬态响应和高输出电压精度。凭借3V至17V的宽工作输入电压范围,此器件非常适合由锂离子或其他电池以及12V中间电源轨供电的系统。它在0.9V和6V之间的输出电压下支持高达3A的连续输出电流(在100%占空比模式下)。输出电压启动斜坡由软启动引脚控制,允许作为独立电源或跟踪配置运行。通过配置使能和开漏电源良好引脚也可以实现电源排序。在省电模式下,器件从VIN汲取大约17µA的静态电流。小负载时自动无缝进入省电模式,在整个负载范围内保持高效率。在关断模式下,器件关闭,关断电流消耗小于2µA。该器件提供可调和固定输出电压版本,采用16引脚VQFN封装,尺寸为3mm×3mm(RGT)。
| 制造商 | 德州仪器 |
| 制造商产品编号 | TPS62130RGTR |
| 打包 | 卷带式(TR) |
| 描述 | IC REG BUCK 可调 3A 16QFN |
| 详细描述 | 降压开关稳压器IC正可调式0.9V1输出3A16-VFQFN裸露焊盘 |
| 类别 | 集成电路(IC)PMIC-稳压器-DCDC开关稳压器 |
| 工作温度 | -40°C~85°C(TA) |
| 安装类型 | 表面贴装型 |
| 封装/外壳 | 16-VFQFN裸露焊盘 |
| 供应商器件封装 | 16-VQFN(3x3) |
| 基本产品编号 | TPS62130 |

TPS62130RGTR
| 零件状态 | 在售 |
| 功能 | 降压 |
| 输出配置 | 正 |
| 输出类型 | 可调式 |
| 输出数 | 1 |
| 电压-输入(最小值) | 3V |
| 电压-输入(最大值) | 17V |
| 电压-输出(最小值/固定) | 0.9V |
| 电压-输出(最大值) | 6V |
| 电流-输出 | 3A |
| 频率-开关 | 2.5MHz |
| 同步整流器 | 是 |
| 案例/包装 | VQFN |
| 引脚数 | 16 |
| 最大输入电压 | 17伏 |
| 最高工作温度 | 125℃ |
| 最大输出电流 | 3个 |
| 最大输出电压 | 6伏 |
| 最小输入电压 | 3伏 |
| 最低工作温度 | -40°C |
| 最小输出电压 | 900毫伏 |
| 工作电源电压 | 17伏 |
| 输出配置 | 积极的 |
| 输出类型 | 可调节的 |
| 输出电压 | 6伏 |
| 打包 | 卷带式(TR) |
| 静态电流 | 17µA |
| 开关频率 | 2.5兆赫 |
| 同步整流器 | 是的 |
| 高度 | 1毫米 |
| 长度 | 3毫米 |
| 厚度 | 900微米 |
| 宽度 | 3毫米 |
| 属性 | 描述 |
| RoHS状态 | 符合ROHS3规范 |
| 湿气敏感性等级(MSL) | 2(1年) |
| REACH状态 | 非REACH产品 |
| 无铅 | 无铅 |
| REACHSVHC | 无SVHC |
DCS-Control™拓扑
输入电压范围:3V至17V
高达3A的输出电流
可调节输出电压范围为0.9V至6V
引脚可选输出电压(标称值,+5%)
可编程软启动和跟踪
无缝省电模式转换
静态电流为17µA(典型值)
可选择的工作频率
电源良好输出
100%占空比模式
短路保护
过温保护
与TPS62140和TPS62150引脚对引脚兼容
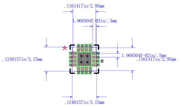
采用3mm×3mm、QFN-16封装
使用TPS82130进行更快的设计
标准12V导轨式电源
单一或者多个锂离子电池供电的负载点(POL)电源
固态磁盘
嵌入式系统
低压降稳压器(LDO)替代产品
移动个人电脑(PC),平板电脑,调制解调器(Modem),摄像机
服务器,微型服务器
数据终端,销售点(ePOS)

TPS62130RGTR符号

TPS62130RGTR焊垫

TPS62130RGTR 3D模型

TPS62130RGTR封装
| 型号 | 制造商 | 品名 | 描述 |
| TPS62130RGTT | 德州仪器 | DC/DC转换器 | QFN 6V 16Pin |
| TPS62130ARGTR | 德州仪器 | DC/DC转换器 | 3V-17V输入,900mV-6V/3A输出,2.5MHz,VQFN-16新 |
| TPS62130ARGTT | 德州仪器 | 稳压芯片 | 3V-17V输入,900mV-6V输出,3A输出,QFN-16 |
德州仪器(TI)是一家美国技术公司,总部设在达拉斯,德克萨斯州,设计和制造半导体及各种集成电路,它出售给电子产品设计者和全球制造商。按销售额计算,它是全球前10名的半导体公司之一。公司的重点是开发模拟芯片和嵌入式处理器,它们占其收入的80%以上。TI也生产TI数字光处理技术和教育技术产品包括计算器、微控制器和多核处理器。截至2016年,公司在全球拥有45000项专利。在股市中,德州仪器通常被视为半导体和电子行业整体的指标,截至2018年,TI在财富500强美国最大公司名单中按收入排名第192位。
1.TPS62136的尺寸是多少?
TPS62136可作为可调版本提供,采用3-mmx2-mmVQFN封装。器件信息(1)部件号封装主体尺寸(NOM)TPS62136VQFN3.00mmx2.00mm。
2.TPS62136x系列有哪些优势?
TPS62136x系列提供出色的直流电压和出色的负载瞬态调节,以及极低的输出电压纹波,从而最大限度地减少对射频电路的干扰。