AM26LV31INSR 点击型号即可查看芯片规格书
AM26LV31INSR是具有三态输出的BiCMOS四路差分线路驱动器。该器件针对开关速率高达32MHz的平衡总线传输进行了优化。输出具有非常高的电流能力,可驱动双绞线传输线等平衡线路,并在断电条件下提供高阻抗。启用功能对所有四个驱动器都是通用的,并提供高电平有效或低电平有效启用输入的选择。AM26LV31INSR采用德州仪器(TI)专有的LinIMPACT-C60™技术设计,可在不牺牲速度的情况下实现超低功耗。
产品型号 | AM26LV31INSR |
描述 | IC驱动器4/0 16SO |
分类 | 集成电路(IC),接口-驱动器,接收器,收发器 |
制造商 | 德州仪器 |
打包 | 卷带式(TR) |
电压-电源 | 3V〜3.6V |
工作温度 | -40°C〜85°C |
包装/箱 | 16-SOIC(0.209英寸,5.30毫米宽度) |
供应商设备包装 | 16位 |
基本零件号 | AM26LV31 |

AM26LV31INSR
制造商包装说明 | SOP-16 |
符合REACH | 是 |
符合欧盟RoHS | 是 |
符合中国RoHS | 是 |
状态 | 活性 |
接口IC类型 | 线驱动器 |
差分输出 | 是 |
驱动程序位数 | 4.0 |
高电平输入电流最大值 | 1.0E-5安培 |
输入特性 | 标准 |
接口标准 | EIA-422-B;TIA-422-B;V.11 |
JESD-30代码 | R-PDSO-G16 |
JESD-609代码 | e4 |
功能数量 | 4 |
端子数 | 16 |
最低工作温度 | -45℃ |
最高工作温度 | 85℃ |
最小摆幅 | 0.95伏 |
输出特性 | 3-STATE |
包装主体材料 | 塑料/环氧树脂 |
包装代码 | SOP |
包装等效代码 | SOP16,3 |
包装形状 | 长方形 |
包装形式 | 小轮廓 |
峰值回流温度(℃) | 260 |
接收延迟最大值 | 0.0纳秒 |
座高 | 2.0毫米 |
子类别 | 线路驱动器或接收器 |
最大电源电流 | 0.1毫安 |
电源电压标称 | 3.3伏 |
最小供电电压 | 3.0伏 |
最大电源电压 | 3.6伏 |
电源电压1-标称 | 3.3伏 |
电源电压1-Min | 3.0伏 |
电源电压1-最大 | 3.6伏 |
安装类型 | 表面贴装 |
技术 | 集成电路 |
温度等级 | 产业 |
终端完成 | 镍/钯/金(Ni / Pd / Au) |
终端表格 | 鸥翼型 |
端子间距 | 1.27毫米 |
终端位置 | 双 |
传输延迟最大值 | 12.0纳秒 |
长度 | 10.2毫米 |
宽度 | 5.3毫米 |
| 属性 | 描述 |
| REACH状态 | REACH不受影响 |
RoHS状态 | 符合ROHS3 |
湿气敏感度(MSL) | 1(无限制) |
开关频率高达32MHz
采用3.3V单电源供电
传播延迟时间:8ns(典型值)
脉冲偏斜时间:典型值为500ps
高输出驱动电流:±30mA
受控的上升和下降时间:3ns(典型值)
负载为100Ω时的差分输出电压:典型值为1.5V
超低功耗
直流,最大0.3mW
32MHz所有通道(空载),典型值为385mW
接受具有3.3V电源的5V逻辑输入
适用于AM26C31,AM26LS31,MB571的低压引脚到引脚兼容替代品
断电条件下的高输出阻抗
驱动器输出短路保护电路
封装选项包括塑料小型封装(D,NS)封装

AM26LV31INSR符号

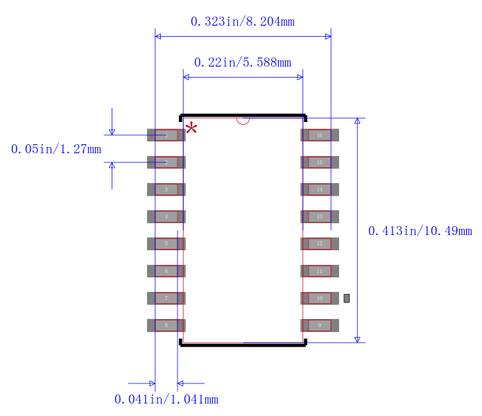
AM26LV31INSR脚印

AM26LV31INSR封装
型号 | 制造商 | 品名 | 描述 |
AM26LS31CDR | 德州仪器 | 接口芯片 | SOIC 16Pin 4.75V 10Mbps |
DS26C31TM/NOPB | 德州仪器 | 接口芯片 | SOIC 16Pin 5V |
AM26C31CD | 德州仪器 | 接口芯片 | SOIC 16Pin 4.5V 10Mbps |
德州仪器(英语:Texas Instruments,简称:TI),是美国德克萨斯州一家半导体跨国公司,以开发、制造、销售半导体和计算机技术闻名于世,主要从事创新型数字信号处理与模拟电路方面的研究、制造和销售。除半导体业务外,还提供包括传感与控制、教育产品和数字光源处理解决方案。2011年收购美国国家半导体(National Semiconductor)之后,TI拥有由约45000种模拟电路产品及客户设计工具组成的投资组合,这使TI成为世界上最大模拟电路元器件生产厂商。