SN65HVD230DR点击型号即可查看芯片规格书
SN65HVD230DR旨在用于采用符合ISO11898标准的CAN串行通信物理层的应用,每个CAN收发器都旨在以高达1Mbps的速度向总线提供差分传输能力和向CAN控制器提供差分接收能力。该器件专为在特别恶劣的环境中运行而设计,具有交叉线保护、接地丢失和过压保护、过温保护以及宽共模范围。收发器将单端CAN控制器与工业、楼宇自动化和汽车应用中的差分CAN总线连接起来。它在总线上的-2V至7V共模范围内运行,并且可以承受±25V的共模瞬变。
| 制造商 | 德州仪器 |
| 制造商产品编号 | SN65HVD230DR |
| 供应商 | 德州仪器 |
| 描述 | IC 收发器半 1/1 8SOIC |
| 详细描述 | 半 收发器 1/1 CANbus 8-SOIC |
| 类别 | 集成电路(IC)接口-驱动器,接收器,收发器 |
| 工作温度 | -40°C~85°C |
| 安装类型 | 表面贴装型 |
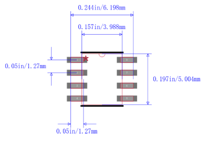
| 封装/外壳 | 8-SOIC(0.154",3.90mm宽) |
| 供应商器件封装 | 8-SOIC |
| 基本产品编号 | 65HVD230 |

SN65HVD230DR
| 零件状态 | 在售 |
| 类型 | 收发器 |
| 协议 | CAN总线 |
| 驱动器/接收器的数量 | 1/1 |
| 双工 | 一半 |
| 接收器迟滞 | 100毫伏 |
| 数据速率 | 1Mbps |
| 转换速率 | 15.0V/μs |
| 电压-电源 | 3V~3.6V |
| 供电电流 | 17mA |
| 箱/包 | 集成电路 |
| 引脚数 | 8 |
| 最大电源电压 | 3.6V |
| 最小电源电压 | 3伏 |
| 标称电源电流 | 370µA |
| I/O数量 | 2 |
| 接收缓冲区数 | 1 |
| 接收器数量 | 1 |
| 收发器数量 | 1 |
| 发送缓冲器的数量 | 1 |
| 工作电源电压 | 3.3V |
| 包装 | 剪胶带 |
| 压摆率 | 15伏/秒 |
| 高度 | 1.75毫米 |
| 长度 | 4.9毫米 |
| 厚度 | 1.58毫米 |
| 宽度 | 3.91毫米 |
| 属性 | 描述 |
| RoHS状态 | 符合ROHS3 |
| 湿气敏感度(MSL) | 1(无限制) |
| REACH状态 | REACH不受影响 |
| 无铅 | 无铅 |
| 辐射硬化 | 不 |
| 达到高度关注物质 | 无高度关注物质 |
高输入阻抗允许总线上有120个节点
总线/引脚ESD保护超过16kVHBM
受控驱动器输出转换时间
无电节点不干扰总线
符合ISO11898标准的要求
低电流待机模式:370µA典型值。
专为高达1兆位/秒(Mbps)的信号传输速率而设计
热关断保护
开路故障安全设计
热插拔应用的无毛刺上电和断电保护
自动化与过程控制
汽车
通信与网络
消费电子
嵌入式设计与开发
工业、电机驱动与控制
机器人

SN65HVD230DR符号

SN65HVD230DR焊垫

SN65HVD230DR 3D模型

SN65HVD230DR封装
| 型号 | 制造商 | 品名 | 描述 |
| SN65HVD230D | 德州仪器 | CAN芯片 | 总线,CAN,收发器,CAN,1,1,3V,3.6V,SOIC |
| SN65HVD230DG4 | 德州仪器 | 接口芯片 | 3.3-VCAN收发器3.3-V |
| SN65HVD230DRG4 | 德州仪器 | CAN芯片 | 3.3-VCAN收发器3.3-V |
德州仪器(TI)是一家美国技术公司,总部设在达拉斯,德克萨斯州,设计和制造半导体及各种集成电路,它出售给电子产品设计者和全球制造商。按销售额计算,它是全球前10名的半导体公司之一。公司的重点是开发模拟芯片和嵌入式处理器,它们占其收入的80%以上。TI也生产TI数字光处理技术和教育技术产品包括计算器、微控制器和多核处理器。截至2016年,公司在全球拥有45000项专利。在股市中,德州仪器通常被视为半导体和电子行业整体的指标,截至2018年,TI在财富500强美国最大公司名单中按收入排名第192位。