SN65HVD485EDR点击型号即可查看芯片规格书
SN65HVD485EDR是一款专为RS-485数据总线网络设计的半双工收发器。它由5V电源供电,完全符合TIA/EIA-485A标准。该器件适用于通过长双绞线电缆传输高达10Mbps的数据,并且设计用于在非常低的电源电流下运行,通常小于2mA,不包括负载。当器件处于非活动关断模式时,电源电流降至1mA以下。该器件的宽共模范围和高ESD保护水平使其适用于要求苛刻的应用,例如电气逆变器、电信机架上的状态/命令信号、电缆机箱互连和工业自动化网络,其中噪声容限是必不可少的。SN65HVD485E器件符合SN75176器件的行业标准尺寸。
| 制造商 | 德州仪器 |
| 制造商产品编号 | SN65HVD485EDR |
| 供应商 | 德州仪器 |
| 描述 | IC 收发器半 1/1 8SOIC |
| 详细描述 | 半 收发器 1/1 RS422,RS485 8-SOIC |
| 类别 | 集成电路(IC)接口-驱动器,接收器,收发器 |
| 工作温度 | -40°C~85°C |
| 安装类型 | 表面贴装型 |
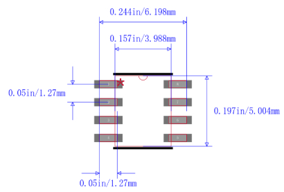
| 封装/外壳 | 8-SOIC(0.154",3.90mm宽) |
| 供应商器件封装 | 8-SOIC |
| 基本产品编号 | 65HVD485 |

SN65HVD485EDR
| 零件状态 | 在售 |
| 逻辑功能 | 收发器 |
| 驱动器/接收器的数量 | 1/1 |
| 接收器迟滞 | 30毫伏 |
| 数据速率 | 10Mbps |
| 电压-电源 | 4.5V~5.5V |
| 电源电压(DC) | 4.50V(min) |
| 供电电流 | 2mA |
| 箱/包 | 集成电路 |
| 引脚数 | 8 |
| ESD保护 | 是 |
| 界面 | RS-485 |
| 最大电源电流 | 2mA |
| 最大电源电压 | 5.5V |
| 最小电源电压 | 4.5V |
| 标称电源电流 | 2mA |
| 接收器数量 | 1 |
| 收发器数量 | 1 |
| 发射机数量 | 1 |
| 工作电源电流 | 2mA |
| 工作电源电压 | 5伏 |
| 包装 | 剪胶带 |
| 单工/双工 | 半双工 |
| 高度 | 1.75毫米 |
| 长度 | 4.9毫米 |
| 厚度 | 1.58毫米 |
| 宽度 | 3.91毫米 |
| 属性 | 描述 |
| RoHS状态 | 符合ROHS3 |
| 湿气敏感度(MSL) | 1(无限制) |
| REACH状态 | REACH不受影响 |
| 无铅 | 无铅 |
| 辐射硬化 | 不 |
| 达到高度关注物质 | 无高度关注物质 |
总线引脚ESD保护高达15kV
1/2单位负载(总线上最多64个节点)
总线开路故障安全接收器
无毛刺上电和断电总线输入和输出
行业标准SN75176封装
绿色产品,不含Sb/Br
电机驱动与控制
电源管理
楼宇自动化
自动化与过程控制
便携式设备
通信与网络
工业

SN65HVD485EDR符号

SN65HVD485EDR焊垫

SN65HVD485EDR 3D模型

SN65HVD485EDR封装
| 型号 | 制造商 | 品名 | 描述 |
| SN65HVD485ED | 德州仪器 | 接口芯片 | 收发器,RS485RS-485线路驱动器和接收器,高速 |
| SN65HVD485EDG4 | 德州仪器 | 接口芯片 | 芯片,收发器,RS-485,半双工 |
| SN65HVD485EDRG4 | 德州仪器 | 接口芯片 | 半收发器1/1RS422,RS4858-SOIC |
德州仪器(英语:Texas Instruments, TI)是一家位于美国德克萨斯州达拉斯的跨国公司,以开发、制造、销售半导体和计算器技术闻名于世,主要从事数字信号处理与模拟电路方面的研究、制造和销售。它在25个国家有制造、设计或者销售机构。德州仪器是世界第三大半导体制造商,仅次于英特尔,三星;是移动电话的第二大芯片供应商,仅次于高通;同时也是在世界范围内的第一大数字信号处理器(DSP)和模拟半导体组件的制造商,其产品还包括计算器、微控制器以及多核处理器。德州仪器居世界半导体公司20强。