BQ7693002DBTR点击型号即可查看芯片规格书
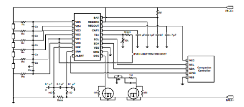
BQ7693002DBTR是6至10节电池锂离子和锂磷酸盐电池监视器,这个系列稳健的模拟前端(AFE)器件可作为用于下一代高功率系统(例如轻型电动汽车、电动工具和不间断电源)的完整电池组监控和保护解决方案的一部分。它设计考虑到了低功耗:可以启用或禁用IC内的子块以控制整体芯片电流消耗,而SHIP模式提供了将电池组置于超低功耗状态的简单方法。BQ7693002DBTR器件最多支持5节电池或典型的18V电池组,最多可处理10节电池或典型的36V电池组,最多可用于15节电池或典型的48V电池组。这些AFE可以管理各种电池化学成分,包括锂离子、磷酸铁锂等。通过I2C,主机控制器可以使用它来实现许多电池组管理功能,例如监控(电池电压、电池组电流、电池组温度)、保护(控制充电/放电FET)和平衡。集成A/D转换器可实现关键系统参数的纯数字读出,并在TI的制造过程中处理校准。
| 制造商 | 德州仪器 |
| 制造商产品编号 | BQ769302DBTR |
| 供应商 | 德州仪器 |
| 描述 | IC BATT MON MULTI 6-10C 30TSSOP |
| 详细描述 | 电池 电池监控器 IC 多化学 30-TSSOP |
| 工作温度 | -40°C~85°C(TA) |
| 安装类型 | 表面贴装型 |
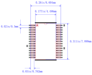
| 封装/外壳 | 30-TFSOP(0.173",4.40mm宽) |
| 供应商器件封装 | 30-TSSOP |
| 基本产品编号 | BQ76930 |

BQ7693002DBTR
| 零件状态 | 在售 |
| 功能 | 电池监视器 |
| 故障保护 | 过流、过压/欠压、短路 |
| 界面 | I²C |
| 安装方式 | 表面贴装 |
| 最高工作温度 | 85℃ |
| 最低工作温度 | -40℃ |
| 工作电源电压 | 25伏 |
| 输出电压 | 3.6V |
| 高度 | 1.2毫米 |
| 长度 | 7.8毫米 |
| 厚度 | 1毫米 |
| 宽度 | 4.4毫米 |
| 属性 | 描述 |
| RoHS | 状态符合 ROHS3 |
| 湿气敏感度(MSL) | 2 (1 年) |
| REACH状态 | REACH不受影响 |
AFE监控功能
纯数字接口
内部ADC测量电池电压、芯片温度和外部热敏电阻
单独的内部ADC测量电池组电流(库仑计数器)
直接支持最多三个热敏电阻(103AT)
硬件保护功能
放电过电流(OCD)
放电短路(SCD)
过压(OV)
欠压(UV)
二级保护器故障检测
附加功能
集成电池平衡FET
充电、放电低侧NCHFET驱动器
主机微控制器的警报中断
2.5V或3.3V输出稳压器
无需EEPROM编程
高电源电压绝对最大值(高达108V)
简单的I2C兼容接口(CRCoption)
随机单元连接容忍
轻型电动车辆(LEV)
电动自行车(eBike)
电动踏
板车(eScooter),
脚踏电动自行车(Pedelec)
踏板辅助自行车
电动和园艺工具

BQ7693002DBTR封装
| 型号 | 制造商 | 品名 | 描述 |
| BQ7693002DBT | 德州仪器 | 电池管理芯片 | 6至10节电池锂离子和锂磷酸盐电池监视器(bq76940系列)30-TSSOP -40 to 85 |
德州仪器(英语:TexasInstruments,简称:TI),是美国德克萨斯州一家半导体跨国公司,以开发、制造、销售半导体和计算机技术闻名于世,主要从事创新型数字信号处理与模拟电路方面的研究、制造和销售。除半导体业务外,还提供包括传感与控制、教育产品和数字光源处理解决方案。德州仪器(TI)总部位于美国德克萨斯州的达拉斯,并在25多个国家设有制造、设计或销售机构。德州仪器是世界第一大数字信号处理器(DSP)和模拟电路元件制造商,其模拟和数字信号处理技术在全球具有统治地位。在连续收购飞索半导体制造部门、成都成芯半导体之后,2011年德州仪器以65亿美元收购美国国家半导体(NationalSemiconductor),进一步强化德仪的模拟半导体巨头地位。
1.主机控制器可以用BQ769x0做什么?
通过I2C,主机控制器可以使用BQ769x0来实现许多电池组管理功能,例如监控(电池电压、电池组电流、电池组温度)、保护(控制充电/放电FET)和平衡。
2.BQ769x0器件针对I2C和LDO电压进行了哪些预配置?
德州仪器(TI)为特定I2C地址、LDO电压等预配置BQ769x0器件。这些设置永久存储在EEPROM中,无法进一步修改。请联系德州仪器(TI)获取上面未列出的其他选项,以及任何注明为“仅限产品预览”的选项。
3.BQ76920和BQ76930支持哪些电池?
BQ76920器件最多支持5节电池或典型的18V电池组,BQ76930最多可处理10节电池或典型的36V电池组,而BQ76940最多可用于15节电池或典型的48V电池组.可以使用这些AFE管理各种电池化学成分,包括锂离子、磷酸铁锂等。